9 March 2023
VD
17:19
Vsevolod Dziuba-Tigrov
In reply to this message
Ну они уже эффективнее нас проектируют микрочипы, умеют рисовать не хуже многих художников, писать тексты, заменять лица имитировать голоса. Да конечно на базе того что люди сделали но все же. Это напоминает цитату из фильма Трон 1982, когда компьютеры научатся думать, люди разучатся это делать окончательно.
РC
17:19
Роман CHRV
Нейронки мне кажеться очень много чего не реализованного пока
L
17:20
LeoN
In reply to this message
Э-э-э... Ты очень и ОЧЕНЬ ошибаешься... (про эмуляцию)
Даже те же ХЛки, что в оригинале используются, это тоже ПЛИС. Но это не эмуляция!
VD
17:20
Vsevolod Dziuba-Tigrov
In reply to this message
Я не столько в курсе вопроса чтобы спорить.
ДД
17:20
Денис सेवक सेवकाः Динанатх Гопал Дас
In reply to this message
Компьютеры не научатся думать. Для того чтобы думать, логики не достаточно, нужно еще очень много чего другого.
👍
L
17:21
Что полупроводниковому кристаллу тупо вообще не доступно...
ВК
17:22
Владимир Кузнецов
In reply to this message
У каждого человека наступает момент, когда он чётко понимает, что всё главное и важное уже сделано, а нонешняя молодёжь ни на что не годится и занимается ненужной ерундой :-).
💯
ДД
РC
17:22
Роман CHRV
In reply to this message
Проблема в том что для повседневности человеку не надо много думать, даже наверно наоборот лучше не думать. И это плохо, человек должен тоже меняться
VD
17:22
Vsevolod Dziuba-Tigrov
In reply to this message
И что же? Чувства, эмоции или метеозависимость? А может душа?
ВК
17:25
Владимир Кузнецов
In reply to this message
Электронные нейронные сети работают принципиально также, как и биологические. Всё решается масштабированием. А насчёт "думать" - опишите это понятие в технических терминах .
VD
17:26
Vsevolod Dziuba-Tigrov
In reply to this message
Я полагаю что имеется ввиду что нейросети не подвержены внешним факторам и находятся в неком вакууме и не учитывают все переменных при мыслительном процессе.
ВК
17:27
Владимир Кузнецов
К слову - отдельный нейрон работает очень просто и прямолинейно, а вот совокупность таких простых элементов внезапно порождают разум.
🔥
ДД
🤔
L
VD
17:28
Vsevolod Dziuba-Tigrov
In reply to this message
Транзистор тоже работает просто но процессор созданный на его базе поражает воображение
ДД
17:30
Денис सेवक सेवकाः Динанатх Гопал Дас
In reply to this message
гораздо больше ... если рассматривать работу любого устройства как внешнюю энергию разработчика, которая используя некоторое преимущество машины в математике делает некоторые отдельные вещи лучше человека, то да, в отдельных вещах машина немного превосходит человека. Но у машины нет интуиции, эмоций, той же сейсмозависимости, характерных качеств индивидуальных, в общем, то что машины научатся думать - это вообще иллюзия иллюзий ))) если вы детальнее разберетесь как работает любая машина (а они все работают по абсолютно одинаковым принципам) то ам и самому станет понятно, что это пустышка... Так же как и несколько веков назад смотрели на механическую птицу в клетке, искусную подделку, и мечтали о умных машинах, так же и сейчас смотрят на плату нейросети )))) но это такая же иллюзия, такая же простая для своего времени "обманка" поддерживающая иллюзию глупца...
ВК
17:31
Владимир Кузнецов
In reply to this message
Но процессор всё таки работает по жёсткому алгоритму, а нейросети обучаются. И как те миллиарды параметров что там при этом формируются позволяют получить из входов выходы разработчик этой нейронки не знает!
ДД
17:32
Денис सेवक सेवकाः Динанатх Гопал Дас
In reply to this message
Процессор поражает воображение тому, кто не знает как он работает... Когда понимаешь что там происходит, понимаешь что тебя на%бали... Простите мне ненорматив )))
VD
17:33
Vsevolod Dziuba-Tigrov
In reply to this message
Базисы просты но вы попробуйте запомнить последовательность хотя бы 1 000 000 элементов
ДД
17:34
Денис सेवक सेवकाः Динанатх Гопал Дас
In reply to this message
Кстати, нейросеть само по себе назвпние это маркетинг, ибо сам по себе принцип действия так назывпемой нейросети ничего общего не имеет с нейросетями мозга. Изучите ))
👍
r
L
17:35
In reply to this message
У меня аналоговые алгоритмы, которые в общих чертах позволяют запоминать гораздо больше.
ВК
17:37
Владимир Кузнецов
In reply to this message
Я спорить не буду - прогресс в этой области настолько быстрый, что через 5-10 лет будет очевидно кто прав.
ДД
17:38
Денис सेवक सेवकाः Динанатх Гопал Дас
In reply to this message
И тут не так все однозначно. Сравнивать биологическое живое существо и полупроводниковый кристалл - это глупость. У этих механизмов разная природа и разные задачи... Кристалл не сможет сиграть на гитаре или на мриданше так как я, а я еще и каждую минуту в зависимости от настроения, погоды и многого другого сиграю вроде одно и то же но по разному... Уровень разный совсем.
17:39
In reply to this message
можно посмотреть на 15-20 лет назад... и понятно что тупо маркетинг... ММХ никогда гюне забуду... это суть всего этого дерьма.
ВК
17:39
Владимир Кузнецов
In reply to this message
Вы верующий? Ну то есть верите в высшую нематериальную сущность человека? Душу и т.п.
17:41
MMX расшифровывается как - мультиматричные расширения. Они позволяют считать быстрые преобразования Фурье. В чём тут обман непонятно.
ДД
17:42
Денис सेवक सेवकाः Динанатх Гопал Дас
In reply to this message
Да, это у меня все с научными выкладками, и ... я бы не называл себя верующим, я исследую и получаю подтверждения, серьезно изучаю. На веру я не могу себе позволить уповать. Подход как в электронике, чтобы поверить надо чтоб засветилось. Практикую.
17:43
In reply to this message
Нахрега оно было нужно ? Одна игра ? Причем кривая и тормозная ?
17:44
А рекламой заливали весь мир... Когда у меня появился, решил, зачем самому себе врать... собачье дерьмо... на%бали...
ВК
17:46
Владимир Кузнецов
In reply to this message
Если бы вы были неверующим, то вы рассматривали бы человека не как метафизическую сущность, а как часть природы. Соответственно и работа мозга рассматривали бы как электрохимическую систему, работающую в соответствии с законами физики. Так же как и процессор.
ДД
17:47
Денис सेवक सेवकाः Динанатх Гопал Дас
In reply to this message
Но зачем самого себя обманывать? Все намного сложнее. Когда то я так и думал. Но опыт и некоторые реализации порвали клетку заблуждений и позволили смоьреть наиокружающий мир шире ))
👍
АШ
ВК
17:49
Владимир Кузнецов
In reply to this message
БПФ нужны для преобразования сигналов из временной развёртки в частотную. На этом базируется вся цифровая обработка любых сигналов.
👍
АШ
ДД
17:49
Денис सेवक सेवकाः Динанатх Гопал Дас
In reply to this message
Работу процессора я могу обьяснить наивсе 100%. А вот работу мозга не может обьяснить даже на 10% вся наука земли ))))
17:50
И про то что через 10-15 лет человечество поймет как работает мозг говорили еще во времена фараонов )))) и ???
17:51
Уровень понимания в целом примерно тамиже ))))
ВК
17:52
Владимир Кузнецов
In reply to this message
Вы способны объяснить почему МОБ в игре выскочил из-за угла в терминах переходов электронов с одного энергетического уровня на другой? Или хотя бы в терминах транзистор открыт/закрыт?
17:55
Изучение мозга сейчас одна из самых бурно развивающихся областей биологии. Созданы коннектомы нематоды (давно уже) и улитки (если не путаю). Это полная модель нервной системы живого организма. Ведутся работы по более сложным организмам, но тут всё в вычислительную мощность упирается.
ДД
17:55
Денис सेवक सेवकाः Динанатх Гопал Дас
In reply to this message
Могу десертацию на эту тему написать, мне на это понадобится пол года и стоить это будет, ну для начала 120000$ но цена может вырости. Готовы оплатить?
17:56
In reply to this message
Я вас уверяю, так тысячи лет говорят )))) документально заверено )))
ВК
17:57
Владимир Кузнецов
Сойдёмся на $10000 и 1 годе, а если не напишите, вы выплачиваете $20000. Пойдёт?
17:58
Тысячи лет много что говорят, а реальные достижения все за последние 100 лет, из них последние пара десятков самые продуктивные.
ДД
17:59
Денис सेवक सेवकाः Динанатх Гопал Дас
In reply to this message
Не, чтобы серьезно погрузиться мне нужно 20000$ в месяц, чтобы мне больше ни о чем думать не интересно было. И за пол года напишу.
ВК
17:59
Владимир Кузнецов
In reply to this message
Я так и думал :-)
ДД
18:01
Денис सेवक सेवकाः Динанатх Гопал Дас
In reply to this message
Это иллюзия. Достижения были всегда, но они все и на 1% не раскрывают смысл... Вы просто не представляете на сколько это сложная машина. Все что знают о мозге - собачий калл ))) и весь этот лохотрон продолжается бесконечно...
18:02
Но все же это машина...
BF
18:04
Boris Favorov
In reply to this message
Это будет реплика на ардуино. Внешняя и функциональная копия, но с usb и флешкой ))
VD
18:10
Vsevolod Dziuba-Tigrov
In reply to this message
Это уже не то
SM
18:37
Surin Mikhail
Продаю неплохой комплект https://zx-pk.com/forum/viewtopic.php?f=35&t=22252
🔥
ДД
BF
19:03
Boris Favorov
In reply to this message
Светодиоды и тумблеры работают как родные, это главное ))
10 March 2023
АС
06:20
Алексей Сугоняев
In reply to this message
Если мы говорим об 8080 то "там" хватало своих "уродцев" на 6502, как бы мне не нравился 6502, 8080 все таки поудобней в программировании . Ну и если говорить про ПК-11/16 или Союз-Неон, то там то стоял 1806ВМ2, а были на тот момент и ВМ3 и ВМ4. И да 6502 в известных на все штаты компах, выигрывал не своей процессорной мощью а совокупным оборудованием - ускорителем графики и звуковым процессором. А это вполне поправимое дело, если бы не планомерная полировка развала с 1986 года одним комбайнером и другим сыном кулака доросшим до обкома.
👍
ДД
АШ
АС
06:52
Алексей Сугоняев
In reply to this message
Если бы...ну да ладно история не терпит сослагательного наклонения но прикинуть то никто не мешает. В микроэлектронике был задел и несмотря на то что Никита дал стране совсем другого вектора развития несовместимого с социализмом как строем, люди еще оставались той закалки и что важно тех не шапочно-поверхностных знаний. Развивались бы супервычисления на ССБИС и Эльбрусе, какой то оригинальной архитектуры для информатики домой я думаю ждать не стоило, в первую очередь потому что математическая наука в СССР не разделяла энтузиазм игроделов и специально под "хлеба и зрелищ" разворачивать индустрию не собиралась. И уж извините меня но я это оцениваю положительно, даже не смотря на то что имею за плечами приличный бэкграунд геймерства с конца 80-х. Это пар в буржуазный свисток, ибо одно дело трехмерная графика как визуализация технологических процессов или научных экспериментов, а другое дело для удовлетворения разрушительного процесса самоуничтожения себя как личности. :) ИМХО для дома скорее всего развивалась бы ветка терминалов к кластерам супервычислителей, то есть примерно то что сейчас и происходит даже уже в сфере игроделия - облачные платформы и облачные же вычисления.
👍
ДД
ЮЛ
3
🔥
A
06:57
In reply to this message
Так и сравнивайте его с промышленными устройствами, а не с бытовыми компами.
07:03
In reply to this message
А тут понимаете как, Денис Николаевич, хитро то, если сектор рынка уже занят... ну скажем ARM, то несмотря на то, что архитектура годная и в народном хозяйстве очень подходящая... надо обязательно получить прибыль, в полном согласии с законом ее постоянного увеличения, и вот уже необходимо другим устройством расширять тот же рынок, причем с заранее худшими характеристиками...но под маркой открытого хадваре и остальных казалось бы нужных теперь ништяков. Повторюсь сама архитектура при этом копирует образцы MIPS предыдущих поколений, которые тоже черт возьми недоступны по причине всяческих там рояльти и прочего. А как интересно получается со SPARC - казалось бы полностью открытая архитектура, но.... ISA закрыта - что называется пишите письма. :) Ох и богат буржуазный мир на выдумки и хитрости по получению прибыли из пустоты....:)
👍
ДД
АШ
ЮЛ
07:12
In reply to this message
Не разделяю Вашего энтузиазма Роман, RISC-V не идет ни в какое сравнение даже с ARM Cortex M0, а ведь суется то он в сектор embedded. А уж как процессор, тем более не представляю как ему обогнать ARM, даже fusion ему не поможет. Из всего прочего что он дает разработчику пока что только обещания сильно удешевить продукцию выпускаемую миллионным тиражом. Ну как Вы вот себе представляете победить полированный десятками годов ARM? А ведь он не стоит на месте, продолжает точно так же впитывать в себя те же самые архитектурные новшества из академических лабораторий. Зато хорошо видно что что бы победить безобразие его надо возглавить :) и вот уже куча коммерческих возглавлятелей свободных веток развития RISC-V замечательно справляются с разбродом и шатанием внутри архитектуры.
👍
ДД
07:25
In reply to this message
Это называется обмани меня, я сам обманываться рад. Для Инфо-цыган абсолютно необходимая технология, ну еще и для нерадивых студентов. Они ровно тогда эффективней нас, когда за ними приглядывает вполне себе естественный интеллект и направляет в нужное русло, отфильтровывая совершеннейшую же ахинею. Ничего общего не с человеческими нейроном, не упаси боже мозгом все вышеуказанные гпт технологии не имеют. Аппроксимация аппроксимаций, бесплодное ожидание когда количество перейдет в качество. Если уж хотите настоящего движения в нужном направлении - ИМХО это эволюционные алгоритмы повторяющие природный механизм наследования (вплоть до кроссинговера), случайных и направленных мутаций и принципы уже не естественного, а искусственного отбора. Вот там да там удалось добиться действительно удивительных результатов, хотя и вполне ожидаемых - почитайте про исследования в области эволюционного железа, захватывающий и животрепещущий процесс.
👍
ДД
A
07:35
AKATLA
Я вот к стати уже скоро буду собирать "сырой" Неон ПК. Кто там опять не рад Вектору?
😁
АС
07:37
In reply to this message
Этот Зоопарк свое дело то сделал. И что за сравгение Альтаира? С этого места подробнее!
👍
АС
07:40
In reply to this message
Ну копец, шас геймеры набегут. Так в том то все и дело! Ваш хваленый Синклер чего дал то людям? Скорее прибыль игроделам и уйму убитого времени малых деток!
👍
ДД
ЮЛ
🔥
АС
АС
07:41
Алексей Сугоняев
In reply to this message
Надо конкретизировать кто опять не рад Вектору как конкуренту других 8-биток :)
A
07:45
AKATLA
In reply to this message
Да, есть тут мастера "сравнений" попы с пальцем. Я тут вижу следующую тенденцию. Восхваление "зарубежки" базируется на ее успехе именно в коммерческом секторе, такова их судьба! А в "зоопарке" ценилось творчество, как говаривал Фурсенко, СССР создавал человека творца! И именно творчество шло впереди всего основного в "зоопарке". И еще если кто то оценивает количество софта на 8ми битку количеством игр ИДЕТ ЛЕСОМ!
👍
АШ
ДД
ЮЛ
4
РC
12:12
Роман CHRV
In reply to this message
У каждого свое мнение, это нормально. Не надо быть категоричным. Игрушки такой же элемент наследия как и все остальное (тем более для бытовых компьютеров). Кстати yandex отодвинул конкурс игорей - есть возможность поучаствовать. https://rgb.yandex.ru/
12:17
In reply to this message
Ну вообщето были созданы оси даже - тот же iSDOS. Так же были сделаны расширения спектрумов для работы с CP/M и его софтов (например Profi и ATM Turbo). Пост видимо рассчитан на некий эмоциональный хейт, но лучше всегда разобраться в вопросе.
АС
12:39
Алексей Сугоняев
In reply to this message
Роман Вам доводилось читать подлинную историю создания софта под ZX? Я уже приводил мне кажется тут статьи Константина Свиридова. Это яркий пример как надо "ковать железо пока горячо" :)
РC
12:42
Роман CHRV
In reply to this message
А что в этом плохого? Не только читал и активно участвовал в этой истории. С Костей лично знаком, жалко он пропал с радаров...
АС
12:45
Алексей Сугоняев
In reply to this message
В какой истории? В истории Сэра Клайва?
A
12:50
AKATLA
In reply to this message
Создано, сделано. Дальше что? Теперь Вы мне будете пытаться доказывать что там за бугром "ВООТТАКИЕ ТЫКВЫ"! А, если честно мне это было не интересно! Я паял "Специалиста" - там есть BASIC, SDOS, CP/M. Хочу выслушать следующие аргументы?
АС
12:53
Алексей Сугоняев
In reply to this message
Вспоминаю свою беседу с одной аспиранткой биологиней, мол я в виде игры пишу софт для демонстрации и обучения в работе плазмолеммы клетки. Ну ок... не математическую модель для описания работы и проведения экспериментов, не симуляцию для визуализации, нет... именно игровую условность.
👍
A
A
12:54
AKATLA
In reply to this message
Без обид, фигачится на Спеке в игрушки сутки напролет? Это предел всех мечтаний?
🔥
АС
r
12:55
reddie
ну, копировать файлы сутками тоже так себе цель))
👍
A
A
13:00
AKATLA
Я могу рассказать одну историю. Я уже в этом возрасте прочитал что Клайв создал целую армию программистов в Британии, куча деток сильно поумнела и развилась! Спасибо Спеку! Но вот как я видел что у нас было при приходе спека - это мытарство с перепиской кассет с играми и продажа комплектухи и кассет сутками копируемых - ради получения денежной прибыли! Даже ребятки в Питере весьма толковые ломали игрушки так же для их продажи! А вот как в Бриании все же синклер не сработал у нас. Те кто не играл а изучал этот Z80 и писал что то на BASIC были единицы, Вот с ними то я и общаюсь сейчас на zx-pk! Остальные поиграли и продали! Примерно та же история была за бугром и с Амигами и Атари и MSX! Ну там то капитализм с историей их то еще можно понять! А мы только учились этому ремеслу!
🔥
АС
VO
13:01
Vigilant Observer
In reply to this message
В Британии более "учебным" компьютером был BBC Micro, под него даже государственная программа была, и именно этой моделью оснащались школы в конце 1980х
A
13:05
AKATLA
In reply to this message
Ну и СПЕК тоже там был. Так или иначе!
🔥
АС
VD
13:05
Vsevolod Dziuba-Tigrov
In reply to this message
Так как спектрум был слишком убогим для школ от чего он и проиграл конкурс BBC на создание школьного компьютера Acorn
13:07
Даже СССР выбрали MSX для школ так как даже для нас это был зашквар в плане возможностей. То что спектрум стал культовым это результат наших безбашенных фанатиков программистов и конструкторов которые делали из спектрума конфекту.
VO
13:08
Vigilant Observer
In reply to this message
Был, но больше в роли домашне-игровой машинки. Тем не менее, очень много игр под Спек писали именно в Великобритании, причём, относительно молодые программисты (некоторым даже по 19-20 лет было). Как-то же они научились писать высокоэффективный код на ассемблере...

Если кто смотрел эпизод "Чёрного зеркала" Bandersnatch, то часть сюжета про разработку мега-игры основана на реальных событиях, и у героев были реальные прототипы
👍
A
VD
13:09
Vsevolod Dziuba-Tigrov
In reply to this message
Да Спек был игрушкой, что бесило сэра Клайва от чего он решил построить великий и ужасный QL чтоб утереть нос самому Стиву Джобсу
🔥
АС
13:11
Точнее не он, а его инженеры так как сам сэр Клайв ничего по сути не изобретал. А все его "проджекты" о которых он мечтал и которые для него являлись действительно важными так или иначе провалились. Микротелевизоры никому не были нужны, калькуляторы и часы не надежными. Первый домашний 32 битный компьютер провалился в продаже как его электромобиль.
👍
АС
АС
13:13
Алексей Сугоняев
In reply to this message
Да он был убогим для всего.
A
13:13
AKATLA
In reply to this message
Мне кажется его обошла капфортуна - что то недосмотрел!
VD
13:14
Vsevolod Dziuba-Tigrov
Хотя компьютерный бизнес это реально было то что ему приносило реальный доход. И самым главным врагом сэра Клайва был сам сэр Клайв.
🔥
АС
АС
13:15
Алексей Сугоняев
In reply to this message
Не всегда и и не у всех, в большинстве школ я думаю стояли ДВК +УКНЦ. В школах где доводилось проходить олимпиады мне стояли Правцы или СМ-3/СМ-4
13:16
In reply to this message
Но ведь понятно для чего это делалось, такое кол-во игрового софта было только у ZX.
VD
13:16
Vsevolod Dziuba-Tigrov
In reply to this message
Ну под MSX я имел ввиду иностранные компьютеры. Все таки Правец был из соц лагеря. А ДВК и УКНЦ вообще отечественными
13:17
In reply to this message
Хорошие игры на спек в основном пошли после смерти платформы официальной
АС
13:18
Алексей Сугоняев
In reply to this message
Причем, насколько я понимаю, в желание утереть нос Аппле, Сэр Клайв включал мечту в основном заработать по легкому и крупными суммами, желательно вперед, до того как будут отданы стулья :)
VO
13:20
Vigilant Observer
In reply to this message
MSX не сильно отставал в этом плане, на самом деле. Что видно хотя бы по количеству MSX игрушек, портированных для Вектора. А ведь портировали только самые простые, которые бы "потянуло" Векторовское железо
VD
13:21
Vsevolod Dziuba-Tigrov
In reply to this message
А с другой стороны если бы не эта выходка то мы бы не получили смартфонов. Ибо Линус Торвальдс обучался программированию на QL соответственно ни линукса ни андроида не было бы, а Acorn основанная в том числе бывшими работниками Sinclair Research не подарила нам процессоры ARM
👍
G
РC
13:21
Роман CHRV
In reply to this message
Всякое было и игрушки и расчет работ для института. И вообще первый комп был у меня БК0010-01. Первые деньги я делал тем что переводил ленточные игры на диски и продавали ( я не в Москве тогда жил). Дело то не в этом, спек реально очень гениально простой компьютер и очень легко расширяемый, у меня сосед например долго пользовался Профи с принтером - документы готовил.
Я не понимаю почему игрушки это плохо, для многих это был реальный старт в программирование, а начиналось все например с разборки какого нить хитрого загрузчика.
Кстати те кому нужны были игрушки практически сразу ушли на всякие Денди, которые заполонили все.
АС
13:22
Алексей Сугоняев
In reply to this message
А в противовес этим 8-биткам, на наших школьных (правда не на всех) дебютировали воплощения желаний академика Ершова - Рапира и Школьница.
VD
13:22
Vsevolod Dziuba-Tigrov
In reply to this message
В итоге качество компьютеров было хуже чем у ранних компьютеров СССР
👍
АС
РC
13:22
Роман CHRV
In reply to this message
Рапира- переведенный на русский Паскаль
🔥
АС
АС
13:24
Алексей Сугоняев
In reply to this message
Не было бы ARM, был бы другой RISC, к тому времени назрел подход к архитектуре с сокращенным набором команд и в гонку впряглись сразу несколько гнедых кляч :)
13:25
In reply to this message
И? Что бы это не значило - это алгоритмический язык на коем мы в школах писали "конным по пешему", догадываетесь о происхождении термина? Прекрасно понимал тогда Рапиру несмотря на то что был уже подпорчен Фортраном.
РC
13:26
Роман CHRV
In reply to this message
Это к тому что лучше изучать оригинал, ане какуюто поделку за которые освоены бюджеты
13:27
In reply to this message
В институте тоже начинали с фортрана, мне он показался сперва какимто очень хреновым бейсиком
😁
АС
VD
13:27
Vsevolod Dziuba-Tigrov
In reply to this message
Вы говорите на счет двух архитектур а как же Sega Mega Drive? У которой на борту был и Z80 и Motorola MC68000?
РC
13:28
Роман CHRV
In reply to this message
Можно я скажу: это не компьютер а игровая консоль. Хотя какойто Магистр есть с клавиатурой и возможностью работать
АС
13:29
Алексей Сугоняев
In reply to this message
Роман не игрушки плохо :) а играть в игрушки плохо. Ровно до тех пор пока что то осваивается путем написания пусть даже игры, а может только игры, это осваивается - приобретается опыт и знания. Но как только игра встает в ранг кхмм... чего то гарантирующего обучение - не важно какое, быстрые рефлексы, тактическое мышление, смекалку, креатив. Так игра перестает быть объектом изучения и исследования и становится весьма посредственным время провождением гарантировано уничтожающим любое желание творить, исследовать и разрабатывать.
VD
13:31
Vsevolod Dziuba-Tigrov
In reply to this message
Я слукавлю но мне кажется что те приставки от тех компьютеров были не так далеки. Даже японцы с первой NES изначально её позиционировали как домашний компьютер от сюда и название Famicom - Family computer, однако никому не интересен был такой компьютер и его упростили до приставки. Хотя для японского рынка для Famicom выходил и Family Basic и клавиатура и магнитофон чтоб использовать приставку как компьютер.
NZ
13:31
Nikita Zimin
In reply to this message
Странно это, судить об MSX по портированным игрушкам. Портировались в основном игры одного производителя (Hudson кажется) по причине что удалось быстро разобраться в их структуре и все эти игры имели сходную структуру, что упрощало портирование. То есть, это так себе выборка.
АС
13:31
Алексей Сугоняев
In reply to this message
Это почему это? У Паскаля есть свой предшественник и Рапира больше в некотором смысле Алгол чем Паскаль. Только что бы это не значило я не вижу необходимости приобщаться к чужой культуре прежде чем изучена своя.
РC
13:32
Роман CHRV
In reply to this message
Ну почемуже обучение всяких авиа происходит на тренажерах, есть места где без этого очень дорого обойдется (а то и ценой жизни). Опять же воинское искусство или управление. Все должно быть в меру.
🔥
АС
13:33
In reply to this message
Приставки это именно только для игор, против чего тут разогрелся хейт. Без возможности сделать чтото свое. Хотя выпускался вроде Сюбор, с бейсиком и клавиатурой.
VD
13:35
Vsevolod Dziuba-Tigrov
In reply to this message
И не только, а Сюбор по сути тот же Famicom с клавиатуройклавиатурой и картриджем familybasic
АС
13:35
Алексей Сугоняев
In reply to this message
Тренажер это не игрушка, если мы говорим действительно о тренажерах - то это постановщик штатных и не штатных ситуаций, а заодно и самописец функционирования систем организма. То есть он не только дает возможность прогнать и отработать все ситуации без опасности для жизни испытуемого, но и поставляет кучу материала для дальнейших исследований ЦНС к примеру. Но это играми и не называется - это называется симуляцией.
РC
13:36
Роман CHRV
In reply to this message
Я открою секрет - симуляция это целый класс игорей.
13:37
Для разработки таких игорей привлекают профи в той области которую симулируют.
VD
13:37
Vsevolod Dziuba-Tigrov
Жалкая пародия и неповторимый оригинал
13:37
VO
13:37
Vigilant Observer
In reply to this message
Я сужу далеко не только по портированным. В своё время пересмотрел кучу видео MSX игр на YouTube, так что представление о реальных возможностях платформы имею. Топовые игры на MSX были на уровне NES благодаря аппаратному ускорению графики

Ну и разговор был о том, что в СССР в качестве одной из школьных линеек компьютеров выбрали MSX совсем не потому, что на MSX было мало игр, а на Спеке много. Помнится, MSX появился в школах в первую голову потому, что японцы поставляли эти машинки на выгодных для СССР условиях
АС
13:38
Алексей Сугоняев
In reply to this message
Вот только в данном случае симуляторы пришли в мир игр а не наоборот. Например на тренажере МИГ-23 еще не было никакой электроники кроме релейной и электромеханической для отработки взлета и посадки. А взлет и посадка на этом агрегате были очень и очень опасные, особенно в момент перевода стреловидности крыла.
👍
A
РC
13:38
Роман CHRV
In reply to this message
Ну вот и это украли :(
VD
13:38
Vsevolod Dziuba-Tigrov
In reply to this message
Так сюбор это же если не ошибаюсь то ли китайцы то ли тайвань а они пусть воруют
РC
13:39
Роман CHRV
In reply to this message
Уже не улавливаю смысл дискуссии, что Вы мне хотите донести.
АС
13:39
Алексей Сугоняев
In reply to this message
Спора нет Вы включили симуляторы и тренажеры в класс игр, я показал Вам что они были еще до того как вообще появилась база для производства игр.
РC
13:40
Роман CHRV
In reply to this message
Дык еще древние римляни какие нить стреляли из луков по мишеням - тоже своего рода симулятор
👍
АС
r
13:41
reddie
In reply to this message
на Бейсике ничего путного не напишешь, поэтому быстро пересаживались на асм)) вот реально, процент владеющих асмом спектрумистов довольно высок
👍
РC
АС
13:41
Алексей Сугоняев
In reply to this message
Вот именно - то есть предмета спора и нет вовсе. Если это тяжелая работа связанная с необходимостью преодолевать себя и учиться чему то новому то как игра она не воспринимается. Обыкновенная тяжелая нудная однообразная работа, ни какого экшена :)))))
VD
13:41
Vsevolod Dziuba-Tigrov
In reply to this message
Жалко что к Сюбору и Famicom с family basic нельзя прикрутить выходивший в японии для приставки флоппидисковод с играми и сохранениями. Мечта любого владельца Денди исполььзовать свою приставку как полноценный компьютер с дисководом.
РC
13:42
Роман CHRV
In reply to this message
Подозреваю это касается любого бытового компьютеров, просто спеков было больше
13:43
In reply to this message
Наверно от человека зависит, кому то нудно а кому то это в кайф. Это касается имхо любого дела.
r
13:43
reddie
In reply to this message
ну я сравнительно скажем к пользователям PC, где асм вряд ли знал каждый третий
АС
13:44
Алексей Сугоняев
In reply to this message
Это в кайф первые три раза. Давай те ка вместо сокобана потаскайте ящике с годик на складе как Вам такая игра?
РC
13:44
Роман CHRV
In reply to this message
Пользователи PC это уже вторая половина 90ых и начало 2К
13:45
In reply to this message
Кстати я застрял на какойто карте и написал алгоритм который растаскивает ящики чтобы проходить игру. Это польза или нет?

Автоматизировал склад походу ...
ДД
13:46
Денис सेवक सेवकाः Динанатх Гопал Дас
In reply to this message
Это спорно, ибо в целом linux это практически клон unix а unix появился за долго раньше того как Линус сел за QL. Думаю просто назывался бы Линух как то по другому, ну и на пол.года или год позже появился бы...
АС
13:46
Алексей Сугоняев
In reply to this message
Диалектика она такая :) Кажется Вы начинаете постигать ее, да это на пользу, это позволило Вам написать алгоритм и набраться опыта в программировании. Двух мнений быть не может - это польза!
РC
13:49
Роман CHRV
In reply to this message
А вы какимто образом к авторам Ориона не относитесь, уж больно у Вас знаковая фамилия?
😁
АС
VD
13:49
Vsevolod Dziuba-Tigrov
In reply to this message
Может тогда Линкус был подходим решением для десктопов на повседнев, а не игрушкой для программистов и инструментов для серваков.
ДД
13:49
Денис सेवक सेवकाः Динанатх Гопал Дас
In reply to this message
Кому интересно, у меня есть исходники школьницы из архивов Новосибирского НИИ. Могу сканами поделиться, может кто то дос для Агата 7 напишет какой ньть новый )))
👍
АС
A
13:50
AKATLA
In reply to this message
Вот точно! И мне так сдается! :))))
😁
АС
13:50
In reply to this message
А, я могу юзать POKE PEEK и это все что нужно для того что бы писать в машинных кодах! Только хардкОр!
АС
13:50
Алексей Сугоняев
In reply to this message
Увы мне, тот был Сугоняко :) так что нет.
😁
A
РC
13:51
Роман CHRV
In reply to this message
А точно, подзабыл уже 😆😉
😁
АС
АС
13:52
Алексей Сугоняев
In reply to this message
сбрасывайте!
ДД
13:52
Денис सेवक सेवकाः Динанатх Гопал Дас
In reply to this message
Вероятно... но тогда бы он мнеиконкретно был менее интересен ))))
r
13:53
reddie
In reply to this message
Согласен, можно и через анальное отверстие зубы лечить, но неудобно же))
ДД
13:56
Денис सेवक सेवकाः Динанатх Гопал Дас
In reply to this message
👍
VG
АС
A
4
A
14:01
AKATLA
In reply to this message
Вот по первости мы так и фигачили! DIM и погнали и вполне себе! Зато я Z80 прочуствовал!
🔥
АС
A
14:20
ASh
In reply to this message
клавиатура была слишком плохой
14:22
сейчас домашние компы тоже развиваются засчёт игрушек.. а иначе жили бы мы всем миром на мейнфреймах.. извините, что вклинился :)

вопрос по теме канальчика: у кировского вектора 06ц - пружинки на клавиатуре - это завод или доработка предыдущего владельца?
М
14:23
Михаил Алещенко
завод
👍
A
РC
14:51
Роман CHRV
In reply to this message
У оригинального да, у нашенских очень неплохие были - особено у Кворума
A
14:52
ASh
In reply to this message
ну.. наши были уже сильно позже.. я в контексте выбора между ZX spectrum 48 резинкой и BBC micro для обучения в UK
r
14:52
reddie
мягкая "от Дельты" а ля +2 какой-то там - отличная клава
РC
14:53
Роман CHRV
In reply to this message
Для госзаказа я думаю можно было подпилить что угодно, там ценник другой
A
14:53
ASh
In reply to this message
неплохая (есть и та и та), но у того же коммодора 64 или bbc - всё равно лучше. ибо механика )
14:53
In reply to this message
думаю, что там впечатление при демонстрации сыграло.. у того же 48+ клава была получше, но всё равно не механика
r
14:54
reddie
In reply to this message
живьем Комод не щупал, но надеюсь)(
РC
14:55
Роман CHRV
In reply to this message
При госзаказе там другие параметры как правило околофутбольные
A
14:56
ASh
In reply to this message
так там и не совсем гос заказ был (чай не ссср), а от BBC
РC
14:56
Роман CHRV
In reply to this message
Везде все одинаково
ВП
15:29
Виктор Пригодич
Жарко тут у вас! ;) 👣
🔥
ДД
A
3
👍
АС
2
A
15:38
AKATLA
In reply to this message
Да, ужж - накипело у народа! В сфере сранения несравнимого!
👍
АС
VD
15:39
Vsevolod Dziuba-Tigrov
In reply to this message
А можно подумать у БК-0010 мембранка была лучше?
A
15:47
ASh
In reply to this message
советский школьник не привередлив :) потерпит. да и стоимость содержания компов, видимо, не считали. механика то надёжнее
11 March 2023
A
02:56
AKATLA
In reply to this message
Да, все было не просто, и клава пленочная и скрипучка. Но в целом процесс шел и у "них" и нас. Были и темные стороны и светлые. Но вот формации общества пусть на отголосках сильно отличались, по этому огульно сказать кто был круче нельзя. Слишком много граней у этой тематики.
🔥
АС
АС
07:11
Алексей Сугоняев
In reply to this message
Если вспоминать поколение перфокарт и перфолент то таких как Дикстра, Ершов устройства ввода не испортили :) а возможно только закалили, а если уйти еще дальше в глубь века где Нейман и Лебедев, так у них и того не было кроме ручки и листка бумаги. Так что это совсем не критерий крутизны :) А тематика как и сама математика многогранна - это Вы верно заметили!
М
09:54
Михаил Алещенко
в 1976 году я работал на Минск 32... и ещё какаят о ЕС была номер не помню...
🤓
BF
РC
12:38
Роман CHRV
Я на ес1033 и ес1045 успел поработать в институте, но воспоминаний оттуда только роторный принтер-пулемет
М
13:27
Михаил Алещенко
приходилось такой ремонтировать..
A
14:32
AKATLA
In reply to this message
На ЕС были не принтеры - это АЦПУ называлось - вместо дисплея. Я на ЕС1036 на таких стучал. А потом в ДальГражданПроект притащили ВидеоТоны! Во было счастья!
РC
14:34
Роман CHRV
Вроде были какието терминалы - забыл уже как они назывались
A
14:43
AKATLA
В те времена "Videoton" по моему Болгарские! Был верх мечтаний для ЕС машнок!
М
15:54
Михаил Алещенко
вот это чудо
👍
A
A
16:10
AKATLA
In reply to this message
Да, вот такой АЦПУ и был на ЕС-1036
L
18:09
LeoN
На EC-1022 было другое АЦПУ, много больше, во весь рост.
V
18:53
Victor
ребята, никто себе не делал РОМ диск для РДС или Т-72?
ДД
19:22
Денис सेवक सेवकाः Динанатх Гопал Дас
In reply to this message
Это што такое? Ром картридж может?
V
19:45
Victor
In reply to this message
ага, картридж который
ДД
20:39
Денис सेवक सेवकाः Динанатх Гопал Дас
In reply to this message
он не заточен под какую либо систему, он сам в себе весь софт несет. Тот который я тестил, он грузится на 06ц01 с пзу тимсофт или на 06ц02 стоковом, и показывает меню для загрузки игр... то есть это не диск, а скорее картридж как на денди. Списывался с автором, предлагал в его детище запихать рдс или т72, ему не особо интересно. Хотя может, по приезду заменяю ему плату от мультикарты на собранный девацс без пзу, и ему станет интересно, ибо оси без квазидиска не работают, а тут - заработают ))) Проект не доступен в виде конструктора, отдельно платы разработчик поставлять отказывается. В целом, устройство простое, мегабитная пзу поделена на сектора по 32к. В начале каждого меню с именами и адресами. Есть еще тм8 чтоли, несколько триггеров, которые коммутируют сегменты по 32к. Все содержимое пзу заархивированно, кроме первых 256 байт. Первые 256 байт на каждом секторе 32к - программа загрузчик. Как то так. Девайс интересный, но при наличии мультикарты бесполезный в целом. Особо хочу отметить хорошо проработанную мелодию меню, на ви53, и графику этого меню! только за это автору можно дать премию!!!
VD
20:42
Vsevolod Dziuba-Tigrov
In reply to this message
Удивительно, в Украине последнее время стало мало такой экзотики. Сейчас обычный Поиск 1 стоит около 8000 грн что говорить про таких зверей
ДД
20:44
Денис सेवक सेवकाः Динанатх Гопал Дас
На стоковом векторе 06ц01 картридж самостоятельно не грузится, требует того самого загрузчика 256 байт. Его можно вытащить из каждого 32к сектора пзу, преобразовать в wav и загружать с телефона, это всего один столбик загрузчика, очень быстро.
V
20:45
Victor
In reply to this message
как я понял из этой темы https://zx-pk.ru/threads/33511-rom-kartridzh.html на той плате ничего особенного нет, основное это загрузчик и упаковщик
VD
20:45
Vsevolod Dziuba-Tigrov
In reply to this message
Вот в этом тоже косяк Вектора. Около 103 микросхем а доп пзу под загрузчик зажали, хоть бы заархивировал и его как на Неоне. Правда тогда бы комп ещё был тормознутее
ДД
20:46
Денис सेवक सेवकाः Динанатх Гопал Дас
In reply to this message
Да, на плате пзу и тм8 или типа того, точно не помню какая тм...
20:48
In reply to this message
В 1986 наверное пзу типа 2716 были на вес золота или не доступны вовсе... по этому там то что было рт5 - 512 байт ))) и соответственно ничего кроме кассеты..
VD
20:51
Vsevolod Dziuba-Tigrov
In reply to this message
Но компьютер стали выпускать серийно в 1987 даже скорее в 1988 году
V
20:55
Victor
In reply to this message
у меня 02, он умеет грузиться с внешней ПЗУ, тут больше вопрос как правильно подготовить прошивку для простого картриджа на ИЕ4 (который без своего загрузчика), если верно понимаю, то первые 256 байт надо пропустить и пометить конец блока памяти
12 March 2023
ДД
04:34
Денис सेवक सेवकाः Динанатх Гопал Дас
In reply to this message
Дык проект то был.готов гораздо раньше, с 1986 до 1988 модернизаций вектора не было, запускалось производство.
04:36
In reply to this message
Я пока так не погружался в этот вариант загрузки.
V
11:27
Victor
In reply to this message
прошивку вроде подготовил, 256 байт не пропускал, только по адресам 3FFE,3FFF добавил метку 55 АА, доберусь до Вектора проверю) для этих экспериментов прикупил 28С64 с ними не страшно ошибиться, можно шить сколько угодно)
VD
12:37
Vsevolod Dziuba-Tigrov
In reply to this message
Речь идёт просто о доп пзу а не переделке пол компьютера
Ю
12:48
Юрий Ларин
In reply to this message
Проще всего запустить эмулятор и там проверить прошивку -- практически все эмуляторы поддерживают подключение внешнего пзу в виде файла.
👍
А
ДД
13:22
Денис सेवक सेवकाः Динанатх Гопал Дас
In reply to this message
Кстати, да, я там же запускал по кускам 32к (целиком) не все удалось запустить, но первая страница работает в целом... образ эмуля который на Авито есть.. Все равбоает в Башкирии. Там реально потестить прошивку.
А
23:48
Алексей Шевцов
Приветствую.
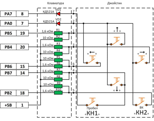
Модернизировал советский джойстик и подключил его к выносной клавиатуре Вектора. Всё же это наверное лучший вариант подключения. Работает во всех программах. Даже в тех, которые не поддерживают джойстики.
👍
r
23:48
23:48
23:49
Схема подключения джойстика.
23:50
Убрал контакты верхних кнопок. Вместо них установил 2 кнопки от мышки. Таки образом разделив комбинированную клавишу на 2 независимые кнопки.
23:51
Верхняя КВ, другая - пробел.
23:54
На клавиатуру напаял RGB-светодиоды переливайки.
23:54
23:54
23:54
23:55
23:56
👍
ДД
A
A
23:57
AKATLA
Новогодний ВЕКТОР!!!! 🤣🤣🤣🤣
А
23:58
Алексей Шевцов
Модный - геймерский!
13 March 2023
A
05:51
AKATLA
И сколько ампериев диодики добавили БП?
NN
05:53
Namen Nnn
Помнится хотели на Вектор win установить или я что-то путаю?
05:53
Получилось?
А
05:53
Алексей Шевцов
1.5 А примерно. Но у меня мощный БП стоит.
ДД
05:59
Денис सेवक सेवकाः Динанатх Гопал Дас
In reply to this message
Это фантастика... Минималки для WIN Поиск 1 (Х88) на NEC V20 и внешней vga картой... и то win 3.0 только, не больше. На вектор - только если самому написать, и то очень сомеительно, понадобится несколько квазидисков скорее всего.
06:01
Была идея сделать из вектора терминал для linux с одноплатника... пока на паузе...
NN
06:01
Namen Nnn
In reply to this message
Так ведь и win2, когда-то был.
ДД
06:02
Денис सेवक सेवकाः Динанатх Гопал Дас
In reply to this message
Все вин. под 8086(8088). На векторе никто из.них не будет работать.
Ю
06:07
Юрий Ларин
In reply to this message
Не установить, а написать, но оно так и не было реализовано.
З.Ы. К поделке от мелкомягких это вообще никакого отношения не имело, кроме идеи оконной среды.
ДД
06:10
Денис सेवक सेवकाः Динанатх Гопал Дас
In reply to this message
Да, это правдоподобнее.. На БК например реализованно несколько оконных систем.. Вполне могли бы и для Вектора реализовать, пришлось бы много "фокусов" проделывать программных, ... Но я не слышал о реализованном проекте.
06:12
Да и смысла особо в этом не вижу. Консольный режим это самое гениальное что вообще когда либо придумывали, и до сих пор аналогов по интерактивности этому нет )))
👍
A
А
Ю
A
07:00
AKATLA
In reply to this message
К стати офигенная идея. Вообще подписать minix!
ДД
08:08
Денис सेवक सेवकाः Динанатх Гопал Дас
In reply to this message
Я специально приобрел bananapi m2 zero для этого. Но пока до реализации не дошло, месяц только систему доводил до совершенства и все касаемо драйверов и ошибок ядра решал. Уже нашлись два других применения для "банана". Но идея с вектором, а точнее с его терминализированием на паузе. Есть один минус у подобных машинок... Gpio работает максимум на 1.25 мегагерц. Этого мало для полноценного терминализирования...
A
08:45
AKATLA
Ну в целом да. Но возможны варианты решения.
14 March 2023
V
22:52
Victor
может кто-то в курсе, подскажите пожалуйста, существует ли в природе какой-нибудь зарубежный аналог разъема СНП34-30В-В ? в Молдове не могу найти, похоже хреновы металлоломщики всё выгребли(
А
23:06
Алексей Шевцов
В России ещё есть. Буквально на днях купил парочку... Аналогов не знаю...
23:15
Из России в Молдову посылки вроде как отправляют. Почта России просит за посылки до 1 кг. - 1370 руб. Дороговато, конечно...
V
23:16
Victor
да, к сожалению дороговато
23:16
23:16
23:17
но может не налезть, даже если ключ подрезать
23:17
In reply to this message
по чем брали эти разъемы?
А
23:18
Алексей Шевцов
Шаг между контактами другой в них - дюймовый, а в СНП34 - в мм.
23:21
V
23:22
Victor
In reply to this message
ага, получается в СНП шаг 2,5, а в алишных 2,54, печаль(
А
23:22
Алексей Шевцов
Да. Точно так...
23:24
👍
SM
V
V
23:28
Victor
красота)
15 March 2023
L
00:27
Lespenefril
Из импортных с метрическим шагом аналог СНП-34 только припомню KSG-2 производства ГДР. Но это так себе выход )))
00:30
Как вариант можно взять СНП34-20 (они чаще встречаются) и переставить контакты до 30, это реально, я так делал. И плюс СНП34с стоят дешевле раз в пять, они не позолочены, а посеребрены, у металлистов интереса не вызывают.
00:32
Т.е. берёте СНП34с-20в и делаете из трёх два.
👍
V
V
00:51
Victor
я тут вообще ни одного СНП не смог найти в продаже, подумываю заказать с али дюймовый и распечатать на 3Д принтере метрический корпус под его контакты
A
05:13
AKATLA
meshok.net avito.ru их там как какашек за сараем!
👍
V
V
15:51
Victor
пробую провернуть вариант с 20 контактным разъемом, нашел по объявлениям, продавец посчитает доставку из Москвы, посмотрим, что получится) спасибо за советы!
🔥
A
r
16:21
reddie
в принципе, на 10 контактов не особо и разницы набегает (0.4мм), должен влезть и так
V
16:42
Victor
In reply to this message
не помните, там контакты вплавлены или что-то где-то загибается?
L
16:47
Lespenefril
Не вплавлены, запрессованы за счет пружинящих свойств сформованного контакта. Вырезаете вплавленную заднюю часть корпуса разьёма, переставляете контакты утконосами, потом заднюю часть вклеиваете. Попробую вечером фото сделать, если найду.
V
16:49
Victor
In reply to this message
по контактам должен сесть, но корпус, судя по размерам, не налезет, наш шире
16:50
In reply to this message
спасибо!
Ю
18:56
Юрий Ларин
In reply to this message
Если речь про DIN41612, то можно на него перепаять "маму" в Векторе и без проблем покупать потом разъёмы. Вставить же его "папу" в СНП34-30 я не пробовал, хотя у меня есть такой.
18:59
В СНП34 (с определённым риском) можно втыкать обычные штырьевые разъёмы под впайку в платы.
18:59
19:00
Различия в дюймовом/метрическом шаге никак не заметны на 10 контактах.
А
19:02
Алексей Шевцов
Я бы просто выпаял бы старый разъём и вместо него впаял бы новый.
Ю
19:02
Юрий Ларин
Но если уж колхозить, то лучше взять штырьки с шагом на 1,27мм и проредить их через один -- они более тонкие.
19:04
In reply to this message
Я это и предлагал. Но в корпусе Вектора отверстие под разъём ПУ понадобится чуть-чуть расширить -- вилка DIN41612 туда проходит туго.
19:05
Или саму вилку подточить с боков. 🙂
А
19:05
Алексей Шевцов
In reply to this message
Ну это не страшно. Расширить - это не сузить! Всегда возможно.
Ю
19:08
Юрий Ларин
Вообще, 41612 даже лучше СНП34, как мне показалось -- они вставляются легко.
А
19:08
Алексей Шевцов
In reply to this message
Согласен.
V
19:24
Victor
In reply to this message
всё верно, с точки зрения удобства и доступности лучше было бы перепаять, но я хочу сохранить свой Вектор в оригинальных деталях, по этому и пытаюсь выкрутиться
Ю
19:27
Юрий Ларин
Хорошее решение, оригинал всегда интереснее, чем переделка.
ДД
19:49
Денис सेवक सेवकाः Динанатх Гопал Дас
ТОгда уже можно лепить разьемы типа как на com порт, только подлиннее, они понадежнее, паять на проводах и уголками крепить. Когда работал в сервисном, такие разьемы автомагнитолам приколхозивал, когда н ебыло ответок, работали на ура ))))
🔥
A
16 March 2023
L
09:30
Lespenefril
In reply to this message
Прошу прощения, на вилке даже ничего резать не нужно. Просто дёрнуть, а потом с усилием вставить на новое место.
👍
V
09:30
👍
Ю
09:30
Резать нужно розетку, но там наоборот без усилий.
09:30
👍
Ю
09:30
09:30
V
09:39
Victor
In reply to this message
спасибо за информацию! радует, что вилку можно перебрать без ущерба для внешнего вида) надеюсь, что сегодня продавец ответит и смогу заказать
09:41
In reply to this message
розетка тоже не сильно от этого страдает, можно весьма аккуратно сделать и будет как с завода)
L
09:42
Lespenefril
Пожалуйста)
17 March 2023
V
15:16
Victor
договорился с продавцом, в итоге он отправил 10 разъемов СНП34с-20в, в сумме с доставкой обошлось в 1260 руб (500 разъемы, 760 доставка)
22 March 2023
A
13:28
AKATLA
Всем привет! Думаю начать распродажу старой техники. Осциллографы, звуковые генераторы, частотомеры. Отдаю в хорошие руки - не на ЛОМ! Кому интересно пишите в личку. Там все обговорим!
АС
13:54
Алексей Сугоняев
In reply to this message
Заберешь мою теслу? (Осциллограф из ЧССР) :)
A
13:54
AKATLA
In reply to this message
Не спасибо! У меня у самого вагон и маленькая тележка!
РC
14:13
Роман CHRV
Если кому девать не куда, отдавайте в музеи
A
14:14
AKATLA
In reply to this message
Уже отдал много чего.
РC
14:21
Роман CHRV
Аналогично
A
14:21
AKATLA
👍
14:22
У нас в городе есть музей правда еще без помещения я им помогаю.
DV
14:22
Darth Vader
In reply to this message
А нет ли у вас двухлучевого осциллографа, типа С1-55?
A
14:22
AKATLA
55-нет.
ДД
21:20
Денис सेवक सेवकाः Динанатх Гопал Дас
C1-118 интересен, у Бати был, куда то потерялся. Может приобрел бы по остаточной стоимости, даже может нерабочий.. ))
V
22:23
Victor
In reply to this message
С1-118 это не тот который с мультиметром и с выводом показаний прям на экран осциллографа?)
АМ
22:49
Антон Миронов
Не, с мультиметром это С1-112 "детский" и С1-107 "взрослый" :)
X
22:50
Xrust
С1-122 😢
АМ
22:53
Антон Миронов
У мну 107-й где-то в шкафу :)
23 March 2023
A
01:11
AKATLA
С1-107 я себе оставил. Офигенный аппарат.
ДД
08:56
Денис सेवक सेवकाः Динанатх Гопал Дас
In reply to this message
Не помню про мультиметр, Отец не пользовался возможно, пользовался как осцилографом. А может и не было там мультиметра.
A
13:26
AKATLA
☹️
28 March 2023
A
12:41
Alexander
In reply to this message
Припиньте, позязя :)
NZ
13:03
Nikita Zimin
Но это времянка-бэкап. Правильный Скаляр был здесь: http://sensi.org/_svo/scalar/
А
14:08
Алексей Шевцов
In reply to this message
Эта не работает. Вот эта актуальная - http://sensi.org/scalar/
👍
A
NZ
A
18:12
Alexander
На всякий случай, нужна ссылочка с актуальным дампом в тарболе :)
29 March 2023
A
14:27
AKATLA
Эххх! https://meshok.net/en/listing?user=344061 Вот та самя клава !!!
А
15:18
Алексей Шевцов
A
15:19
AKATLA
А, это по моему тот же крендель!
А
15:24
Алексей Шевцов
VD
15:26
Vsevolod Dziuba-Tigrov
In reply to this message
Если не ошибаюсь в таком же корпусе выпускали и клон Специалиста
А
15:26
Алексей Шевцов
Да, выло что-то такое...
1 April 2023
A
09:01
AKATLA
Всем, Здравствуйте! Алексей Нилов сейчас в неприятной ситуации с ПФР. Что то там напутали с выплатой пенсии и сейчас он сидит вообще без денег! Все кто может хоть как то, помочь человеку - он наша ЛЕГЕНДА! Телефон связанный с ЕГО картой - +79219934708 непосредственно! Кто сколько может, сколько не жаль! Он последний из "могикан" PDP и IT CCCР!
👍
s
YS
15:40
Yura Sergienko
Первого апреля какое-то недоверие к таким сообщениям.
👍
А
A
15:51
AKATLA
Уж, извините. Но тут все правда. У человека реально все очень сложно и это просто просьба.
2 April 2023
Winni invited Winni
VD
02:05
Vsevolod Dziuba-Tigrov
https://ru.wikipedia.org/wiki/Апогей_БК-01 под удаление статью отправили
11:16
In reply to this message
Ну не хватает ссылок на авторитетные источники. Если бы кто-то из корифеев написал статью и выложил в открытый доступ, можно было бы дать ссылку и спасти Апогей от удаления.
VD
11:17
Vsevolod Dziuba-Tigrov
In reply to this message
Слушайте это вандализм. Aleste 520EX удалили с русской Википедии, Апогей вот вот удалят. Союз Неон с англоязычной Википедии удалили
X
11:19
Xrust
Надо просто следовать правилам. Это все-таки Вики, там есть свои правила. Или соответствуй, или напиши свою с блекджеком и .... Вот эмуверсе есть для этого.
VD
11:21
Vsevolod Dziuba-Tigrov
In reply to this message
Правила? Вы серьёзно? Им нужно чтоб со всех щелей сочилась информация? Про Апогей много инфы, по Неону в англоязычной мало так что с ним понятно.
11:23
С таким подходом все советские компы кроме БК пропадут со страниц Википедии
11:23
А какой-то голимый Compucolor которого никто жильем никогда не видел продолжит висеть
s
11:25
svofski
и пропадут. потому что в википедии засилье педантов. с этим бесполезно бороться, они там в домике
ДД
11:25
Денис सेवक सेवकाः Динанатх Гопал Дас
Да вообще надо поудалять все с вики, этот буржуйский рессурс призван быть заменителем мозга для людей будущего, Уже многие сами перестают думать, и при любых обстоятельствах лезут в вики. А это чревато тем, что тот кто курирует вики будет практически на прямую управлять человеческой массой. Нужно все свое писать, и честно там выкладывать всю инфу. А на западные рессурсы пора забивать, Эти страны сейчас прямо таки и не скрывают свою антироссийскую направленность. И в ответку нужно прекращать пользоваться всеми этими рычагами, способными к управлению массами безмозглых.
👍
Ю
ДК
A
11:52
AKATLA
In reply to this message
Вот по этому я все собираю и храню на внешнем hdd!
VD
11:59
Vsevolod Dziuba-Tigrov
In reply to this message
С таким подходом нужно запретить интернет
👍
r
ДД
12:07
Денис सेवक सेवकाः Динанатх Гопал Дас
In reply to this message
Нет, нужно голову включить просто, и пользоваться информацией только связанной с теми, кто не считает русских врагами, ну это мое мнение. Друзей и доброжелателей хватает. Мне просто не понятно, 25% стран откровенно выступают против России, по вашему это не о чем не говорит... И еще, википедия, по вашему этот рессурс ничего не обходится тем кто его содержит ? Это сервера, обслуживающий персонал, редакторы, проверяющие, это целая корпорация... По вашему кто это содержит и зачем ?
👍
ДК
А
V
4
ВК
12:15
Владимир Кузнецов
Меньше смотрите телевизор и всё будет вам понятно.
r
12:17
reddie
эт точно, все беды из зомбоящика
ДД
12:17
Денис सेवक सेवकाः Динанатх Гопал Дас
In reply to this message
Лично у меня телевизора нет и никогда не было. разве что когда с ролителями жил, ооочень давно, иногда видел телевизор, но в основном выключенный. А все что я говорю, я сначала проверяю. И источник не один, а гораздо больше.
👍
ДК
A
A
12:18
AKATLA
Если честно я википедии не читаю. У меня все основное что нужно в голове! Да и зомбоящик я уже лет 10ть не смотрю.
12:18
In reply to this message
Хорошая привычка!
ДД
12:19
Денис सेवक सेवकाः Динанатх Гопал Дас
https://vk.com/wall-204214260_243

Вот кстати нашел интересные статьи со всеми документами и реальными свидетельствами участников событий.. Может кому интерестно в подробностях, почему Советы отставали, почему копирывали и т.д. В общем, почему все именно так печально закончилось...
VD
12:22
Vsevolod Dziuba-Tigrov
In reply to this message
Я из Одессы, то бишь Украина. Я лично нормально отношусь к русским и не призываю их угнетать. И что мне сейчас уйти с этой группы?
12:24
In reply to this message
А к чему вы подключает свой Вектор?
A
12:24
AKATLA
In reply to this message
У меня книжка есть, где вообще вся история.
12:25
In reply to this message
Зачем? Никто не гонит.
r
12:25
reddie
как уже правильно сказали - информацию стоит сверять в нескольких источниках, а не доверять одному
ДД
12:27
Денис सेवक सेवकाः Динанатх Гопал Дас
In reply to this message
Это вы сами решайте, личто я не делю людей в этой группе по территориальным и национальным признакам, для меня тут люди которые любят Вектор, и это наиболее важное, все остальное меня не трогает. :)
r
12:27
reddie
но планируемое возможное отключение Ютуба как раз из серии "давайте отгородимся от неправильной информации"
12:27
рутуб его никогда не заменит
12:28
ну и инфа в нем будет понятно что с одной стороны
VD
12:29
Vsevolod Dziuba-Tigrov
In reply to this message
Ну вы же сказали что все кто враги, так ими не пользоваться. Вот у меня есть в Фейсбук два знакомых из Западной Европы и США кому интересны советские компьютеры.
ДД
12:30
Денис सेवक सेवकाः Динанатх Гопал Дас
In reply to this message
В конце 90х подключал к Горизонту 51УСЦТ, да... Но тогда еще с родителями жил.. И телек мне отец подарил специально для Вектора, к нему даже антенна никогда не подключалась. До этого был какой то ламповый гроб. Но недолго, Батя все время говорил что он много кушает, и в итоге собрал мне Горизонт. А сейчас к мониторам подключаю через GBS.
X
12:30
Xrust
In reply to this message
Сейчас этого уже не достаточно :)
r
12:32
reddie
In reply to this message
вот кстати насчет гбс+платка контрол: все-таки на выходе родная кадровая или гвоздями прибиты 60гц? в чате БК человек так и не смог заставить гбс выдать родную кадровую бк
12:32
именно с контрол-=модулем
X
12:32
Xrust
In reply to this message
А они враги? Они вам сами сказали? ;)
VD
12:33
Vsevolod Dziuba-Tigrov
In reply to this message
Нет но они живут в тех странах власти которых высказываются против
X
12:34
Xrust
In reply to this message
Я живу в стране, с властью которой часто бываю несогласен. Что мне делать?
ДД
12:35
Денис सेवक सेवकाः Динанатх Гопал Дас
In reply to this message
Тут на ваше усмотрение, Меня например японец в ВК нашел, причем он даже на английском не говорит, но когда понадобилось, таки нашел. Ему надо было сильно , кстати, контроллер для его 06Ц02 ему отправил недавно, так что в Японии как минимум 1 вектор 06Ц есть, с моим контроллером )) Я перестал пользоваться фейсбуком чуть раньше чем его "прикрыли".
X
12:36
Xrust
Давайте всё-таки будем разделять такие понятия, как "страна", "государство", "частные политические убеждения" и т.д.
👍
АС
ДД
r
12:37
reddie
а лучше обсуждать такие темы в соответствубщих чатах
X
12:37
Xrust
In reply to this message
Согласен, но тут тоже иногда надо расставить точки над i.
ДД
12:38
Денис सेवक सेवकाः Динанатх Гопал Дас
In reply to this message
Тут есть некоторое отличие между проектами властей и спец. служб тех стран которые открыто русофобничают, и людьми которые живут в этих странах... Это не одно и то же. Японец любит Вектор, то есть хоть как то он тянется к советской культуре, ему интересно не то Г. которое сейчас везде несут, а реальная история, и он нашел вектор, причем редкий, купил его, нашел людей которые ему что то расскажут про него и т.д. Это делает ему честь ! Он не прочитал на вики про вектор, а решил сам убедиться что такое было и изучить аппарат !
r
12:39
reddie
да в общем-то вторично, где он про него прочитал. главное, он его живьем пощупал =)
💯
А
ДД
A
14:05
AKATLA
Ребята, здесь про Вектор! Завязывайте политсрач!!!
NZ
14:05
Nikita Zimin
https://t.me/+5LqZws0wgyYxODky. Группа УКНЦ — для уменьшения оффтопа здесь
🔥
A
ДД
YS
15:05
Yura Sergienko
In reply to this message
Японец наверно любитель MSX компьютеров. Увидел в ютубе векторовсеие игры портированые с MSX и решил, что Вектор это MSX клон. Также иностранцы интересуются Aleste-520 и Агат так как это "клоны" Amstrad CPC и Apple2
СЦ
17:51
Сергей С. Вектор 06 Ц
In reply to this message
Это из разряда, я как то портировал Boogie Woogie Jungle на Spectrum. Значит Спектрум клон MSX. =) Фишка всех MSX это аппаратные спрайты, о чем советские компы могли только мечтать. Если выводить статическую графику и текст норм. Для динамики это хрень.
18:03
Делать это на рассыпухе, это убийство. Разрабы Эволюшена пытались, получилась 3-х этажная нечто. Тут же отказались.
r
18:07
reddie
In reply to this message
ну тем не менее там же какие-то аппаратные спрайты есть в расширенном конфиге
СЦ
18:08
Сергей С. Вектор 06 Ц
In reply to this message
В Эволюшене? Да, есть, на плисе.
r
18:08
reddie
In reply to this message
или имелось в виду "пытались на рассыпухе"
СЦ
18:10
Сергей С. Вектор 06 Ц
Получилось дорого. И не эффективно. Но поскольку уже был плис, решили делать на нем. Дешево и сердито.
18:10
В то время у нас это было наверно не реально.
18:11
В то время, время Вектора
18:11
Японцы могли себе это позволить, у нас, к сожалению, еще нет.
r
18:13
reddie
ну, используя БМК, как в том же УКНЦ, что-то можно было изобразить. вопрос лишь в возможностях разрабов
СЦ
18:13
Сергей С. Вектор 06 Ц
Тот же Спектрум почти что весь на АЛУ. Могли программировать сложные логические схемы. В т.ч для секретности
18:15
In reply to this message
Не дотягивали. Я в школе работал на УКНЦ, вообще шикарная машина. Но опять же, вся графика только под статический контент.
18:16
Да, возможно не думали про это. Основная задача именно обучение, а не клипание игр.
18:18
Ну почему японцы думали в том числе об этом? Почему у нас это не реализовывалось? Ведь быстрая графика это не только игры. Мощностей не хватало?
r
18:19
reddie
судя по советским компам - о графике и звуке думали в последнюю очередь
СЦ
18:19
Сергей С. Вектор 06 Ц
видимо да.
18:20
Вот есть ли хоть один советский комп, где есть интергальная микросхема выходящая за пределы чего то стандартного? Стандартной логики, стандартных процов, которые в большинстре своем копировались?
r
18:23
reddie
Агат же. проц родной, буржуйский 😁
З
18:24
Заказчик Мультикарта Белорусь ²
In reply to this message
Электроника НЦ-8010
СЦ
18:31
Сергей С. Вектор 06 Ц
In reply to this message
Что такого особенного в по сути контроллера ввода - вывода?
З
18:32
Заказчик Мультикарта Белорусь ²
Взрослые мужики, заканчивайте с этой "спецолимпиадой" почему "у них так, а у нас так" и т.д. напоминает как более йуное поколение устраивает срачи консолехолопы vs пк-бояре ... что круче сега или нинтендо и т.д.
18:34
Всё история... уже...
18:34
как там, так и тут.
СЦ
18:35
Сергей С. Вектор 06 Ц
Ну хочется же знать, почему шли по стопам, но более сложные системы были игнорированы? Экономические причины, невостребованность?
З
18:36
Заказчик Мультикарта Белорусь ²
Кто у кого крал инженерные решения, а кто потом крал оптом все разработки... а что-то просто уничтожал фищически с производственными мощностями и технической документацией. всё уже история.
СЦ
18:37
Сергей С. Вектор 06 Ц
Так история тоже интересна. =)
З
18:59
Заказчик Мультикарта Белорусь ²
In reply to this message
Некоторые ответы, если вам интересно, думаю, что 100% найдете в литературе не связанной с областями "электроники/экономики". Сказочная книжка Любимова Проект Голгофа, для начала... почитаете хотя бы первые несколько глав, потом вспомните то, что помните сами из того времени (если возраст позволяет и были связаны с радиопромышленностью не на уровне сборщика радиоаппаратуры), мне, к примеру, байки одного "олда" работавшего в нашем Минском МПОВТ, очень не плохо так легли на картину, которую Любимов рассказал в своей книге. Ну а вообще это уже совсем другая тема, не связанная с тематикой данной группы.

ps ...первоначально задачи не стояло + принудительное внедрение архитектуры IBM 370 или как там правильно - не хочу уточнять, а когда поставили - пришло время финального сценария "Перестройка". Ну и всё.
pss единственно, что мне не нравится - то, что советских инженеров очень любят с дерьмом мешать, по сравнению с "западными" - это откровенная ложь и это не хорошо. ...тему не продолжаю.
З
19:27
Заказчик Мультикарта Белорусь ²
ай. стёр.
СЦ
20:18
Сергей С. Вектор 06 Ц
In reply to this message
По крайне мере, я мешать наших инженеров с дерьмом не собираюсь. Им надо памятник ставить, что в таких условиях они делали такие вещи. Угробили все это не они. У меня матушка работала на подобном производстве, потом пришел "эффективный" менеджер с чьей-то протекции, как оказалось потом, с липовым дипломом кандидата, и стал сдавать территории под склады. Потом все быстро закончилось, остались одни склады.
ДД
S
20:52
SERJLTD
In reply to this message
А сколько бит ? )))
20:56
In reply to this message
Территории то быстро научились сдавать под фсё.. У нас такой завод был и осталось тока пол завода.. Пичально всё это в те времена, да и щас умудряются под левые производства сдавать территорию..
20:57
чета на многих старых форумах весна пришла. пошло поехало .. Надо заканчивать
СЦ
20:58
Сергей С. Вектор 06 Ц
In reply to this message
Но блин как обидно. Я даже там подрабатывал студентом. Копировал с бумажных чертежей эл. схемы в acad. Да, ворованный, но тогда даже об этом не думали.
З
20:58
Заказчик Мультикарта Белорусь ²
In reply to this message
я одно время в РИПО работал с старыми "программистками" не упомню точное название их специальностей - три взрослые бабы плакали навзрыд при рассказе как на МПОВТ уникальную технику деребанили "под навес, а потом из под навеса"... как разработки уволакивали на носителях и папках в неизвестном направлении, как их коллега более ушлая в штаты ускакала не с пустыми руками... а они вроде что-то связанное с ИИ писали, если выражаться современными терминами. ладно, былое.
S
20:59
SERJLTD
In reply to this message
В каде тож работал , и да он был ворованный на заводе ))
З
20:59
Заказчик Мультикарта Белорусь ²
Ладно. Лучше расскажите такую штуку.
21:00
Я как то с Денисом общался по этому поводу, но у него своих делов хватает и пока отложили.
S
21:01
SERJLTD
Я тут для души аж перфокарт прикупил.. Запах старенький, по госту сделаны, не по ТУ ))
З
21:01
Заказчик Мультикарта Белорусь ²
Возьмется ли кто-нить допилить проект Artyr_n c zx.pk.ru по повторению стоковой версии векторовской платы, но с уже допиленной доработкой Вячеслава Славинского и прочих... желателательно (тут помечтаю) с интегрированием внутрь комбодевайса допиленного Денисом Тигуновым? Соответсвенно за деньги и всё такое.
СЦ
21:02
Сергей С. Вектор 06 Ц
In reply to this message
У нас их как стельки в тапочках использовали. До сих пор где-то пачки валяются.
S
21:04
SERJLTD
In reply to this message
Было и такое, я их раньше использовал как закладки в книгах, ну и как записную книжку на обратной стороне.. Раньше было дохрена , щас 4 руб штучка ))
СЦ
21:04
Сергей С. Вектор 06 Ц
In reply to this message
А чего с ними делать то теперь, неужто где-то считать можно?
З
21:05
Заказчик Мультикарта Белорусь ²
In reply to this message
дискета 5 дюймов по 15 белорусских рублей штучка )))
СЦ
21:06
Сергей С. Вектор 06 Ц
5", у меня 7" дискета лежит до сих пор. =)
S
21:06
SERJLTD
In reply to this message
Чтоб считать, надо пробить.. Да прост купил для настольжи , Закладки в книгах делать и писать чего нить на них )) Народ видит диву даётся ))
21:07
In reply to this message
7?? Вроде 8 были
👍
L
СЦ
21:07
Сергей С. Вектор 06 Ц
Может и 8. Большая она. =) Я лунные затмения через нее смотрю.
S
21:10
SERJLTD
Вот прикупил бы на 8 дюймов дискет, оставил в универе в свое время Там на стенке на кафедре висели по приколу, ну и плюсовались дохлые форматы типа зип омеги и тд и тп..
СЦ
21:11
Сергей С. Вектор 06 Ц
zip какие-то есть
21:11
диски
21:11
дисковода нет, к сожалению
21:13
Жаль, у нас в институте не поддержали инициативы старого железа. А то бы я организовал. Но никому не интересно. На своих началах я не потяну.
21:25
In reply to this message
Спасибо за видео о УКНЦ. Не скажу что с него все началось. Началось все именно с Вектора. Но поскольку бейсики там почти что одинаковые, я экстерном получил экзамен по программированию, и весь учебный год сидел за учительским компом, пока препод по математике по совместительству и программированию занимался своими делами.
S
21:28
SERJLTD
начиналось у нас все с Корветов, потом УКНЦ, а потом уже и 386-486..
СЦ
21:28
Сергей С. Вектор 06 Ц
Денис, капризы были даже в стандартной загрузки по сети "сто лет назад", не все сразу по кольцу загружались. Вряд ли это витая пара виновата. Я в свое время настраивал сетевые адреса (не совсем корректно их называть IP адреса, они настраиваются DIP переключателями на плате) всем этим компам. Скорее всего это в принципе проблема загрузки. Но Загружались в итоге все если подергать питание.
👍
ДД
3 April 2023
W
01:16
Winni
In reply to this message
Правильно! Вобще все мы одна большая страна, но из-за всяких политических разногласий вышло как-то вот так (( Когда был в Киеве, году в 1987 (уже после аварии), то не испытывал никакой особой разницы.
A
05:58
AKATLA
In reply to this message
Политические разногласия тут не причем. Это просто ширма. И вообще, давайте про Вектор и подальше от политик. Большая просьба. Я к стати давно предлагал сделать эху для "олдов и не только настольгия по инженерному ремеслу и все все все!" И перемывать там кости ЕС почему она IBM 360 а не своя.
W
07:21
Winni
In reply to this message
Так ЕС клон же, как и нейроны и поиски. Ну и лично я за нормальные китайские варианты. Типа как себе собрал 386DX40, ниже увы не мое с 286 почти не сталкивался, хотя конечно на ес1840 и нейронах играл ))
07:22
07:23
Вон такая вот красота, памяти 8 метров, видяха Трайдент, звук ESS - классика! Ну кроме памяти, там жир! ))
07:27
По Вектору кстати, кто как кнопки делал? Достался недавно новенький, но абсолютно дохлый по клаве Вектор
07:28
Думаю поставить микрики, но по длине не знаю какие лучше.
07:30
Сначала думал сделать трёхслойный бутерброд типа как и был, но почитал, что все это дело сильно окисляется и переодически требует разбора и чистки, да и надо придумать, чем кружочки эти ещё выбить ((
07:31
Заказал в итоге микриков на 8/10/12мм 6x6 которые, но шум думаю будет стоять ещё тот 🤣🤣🤣
r
07:32
reddie
ага, помню такие механические клавы с микриками в каком-то комп. классе. незабываемо
W
07:34
Winni
Ну а какие ещё варианты? Я замерил, там колпачек упирается где-то за 8мм, по идее ножки в стороны и на пятаки, только размер надо подобрать, цены за 100шт. не сильно высокие, да и так пригодятся. 330 руб три комплекта вышло
NZ
07:35
Nikita Zimin
In reply to this message
Cherry уже делают с подсветкой
W
07:35
Winni
In reply to this message
Ну это перебор, да и дорого это все ((
r
07:36
reddie
ну родную "а ля поролон с фольгой" можно изобразить, вопрос, надолго ли это
W
07:37
Winni
In reply to this message
Вот вот! Пока буду остальные доработки делать. Думаю кнопки приедут, на первое время основных несколько кнопок на двухстороннюю ленту подберу и кусочек фольги
07:37
Пзу на 2кб и видео выход надо делать
r
07:37
reddie
выше кстати по чату (может, месяц назад) человек ставил китайские кружочки из токопроводящей резины - гоаорит, проблем со срабатыванием нет
W
07:38
Winni
07:38
07:38
Вон моя плата
07:39
В левом нижнем углу место под микруху, у меня пусто, у Артура (OLD ROBOT) там стоит микруха и провода, это зачем?!
07:40
Стойки белые приклеил кстати. Жесть собирать-разбирать комп с ними 🤣🤣🤣
07:40
Одну не трогал, там доработки будут
A
07:40
AKATLA
In reply to this message
Тут уже на Черри кнопках новодел! Посмотрите в ленте.
W
07:41
Winni
07:41
Колпачки жесть! Они же не держится совсем 😩😩😩
A
07:42
AKATLA
In reply to this message
Это Денис делал. Но новодел все же интереснее.
07:42
In reply to this message
Да, та еще клава! 😂
W
07:43
Winni
Кто придумал такую клаву для вектора, такую пзу без ничего и видеовыход непонятный! 🤣🤣🤣
07:51
Заедают некоторые кнопки, думаю микрики им помогут
07:56
Ясно, что все решаемо, но это кто владеет паяльником и временем, желанием.
Ю
07:57
Юрий Ларин
In reply to this message
Есть нечто более интересное, кмк: https://github.com/ImproverX/PK-6128c_PP
👍
ДД
A
W
07:58
Winni
Новоделы… в топку все это! ИМХО
Ю
07:59
Юрий Ларин
In reply to this message
Лучше уж на черри...
W
07:59
Winni
In reply to this message
Цена вопроса для меня высоковата! А так лучше конечно.
Ю
07:59
Юрий Ларин
In reply to this message
А чем тогда отличается "допилить проект" от новодела?
W
08:00
Winni
In reply to this message
Да обычно допиливать особо не надо, но Вектор исключением оказался 🤣
Ю
08:00
Юрий Ларин
In reply to this message
В таком случае есть ещё много бюджетных способов, перечислялись на zx-pk.
W
08:01
Winni
In reply to this message
?
08:02
Я вобще Спектрумист и Бк-шник. Вектор в руки попал только пару дней назад. До этого вживую не видел, соответственно вопросом восстановления не интересовался никогда
Ю
08:03
Юрий Ларин
In reply to this message
Вот и там все допиливания попадают в Ваши перечисленные хотелки, только это ПК6128, чуть более продвинутая схема, чем даже 02-й Вектор.
W
08:03
Winni
In reply to this message
Да мне это не надо, я за стародел. Только носители признаю современные ☝️😎
👍
YS
08:05
In reply to this message
Цена вопроса за новодел тоже для меня неподъёмная, а Вектор недорого чего было не взять?! Корешь отдал.
Ю
08:05
Юрий Ларин
In reply to this message
Начните читать тут, там многие проблемы уже обсуждались, и решения были найдены: https://zx-pk.ru/forums/55-vektor.html
08:06
In reply to this message
Тогда просто займитесь восстановлением того, что корешь отдал, зачем Вам новая плата?
W
08:07
Winni
In reply to this message
Спасибо, а то Вектор для меня - другая планета! Даже всякие C64 и A500 ближе, не говоря про MSX2 и Atari ))
08:07
In reply to this message
Ну я и думаю как получше к этому приступить… чтоб потом не переделывать, ну не отдал, а продал недорого.
08:10
Пока вот примерно такую красоту выдаёт, плату ещё не трогал
08:10
08:11
Мне скинули как и что делать, но вчера было не до этого (
Ю
08:12
Юрий Ларин
In reply to this message
Это легко поправить, лучший вариант такой:
https://github.com/ImproverX/RGB2TV
W
08:12
Winni
Видел, что Артур просто часть резисторов на другие дорожки перекинул, тоже так хочу, без лишних проводов чтоб 😎
08:14
In reply to this message
Не, снаружи не хочу, пусть все будет внутри, не мой вариант!
Ю
08:14
Юрий Ларин
Тут резисторами не исправить, нужна коррекция строчных синхроимпульсов под современные тв.
08:14
In reply to this message
Там всё внутри Вектора.
W
08:15
Winni
In reply to this message
Так микруха ЛА3 вроде для этого, с обратной стороны
З
08:15
Заказчик Мультикарта Белорусь ²
In reply to this message
При всём уважении к данному человеку и вообще к его труду, но для меня не интересно. Разве нашли "источник" КР580ВМ1? Или повторили его на ПЛИСине (ВМ80 повторили). А без него, это уже будет не та машина.
Когда-то пяток лет назад, когда я пытался договорится с человеком из бывшей украины, который вроде как собирался мне продать пару тушек данного процессора (по соточке долларов за тушку), я хотел ГеймБарсу на декапсуляцию отправить (он же ВМ80 декапсулировал), я тогда параллельно выкупил оттуда же тушку кишиневского вектора - спасибо, что дошло, но за доставку укры меня развели по-полной. Поэтому решил, что связываться не буду. Ни за какие деньги.
А данный проект (Артур + доработки) заявлено, что становится в стандартный корпус от Вектора и чисто теореритчески может собой заменить платку стандартного аппарата, что есть хорошо.
Векторов мало, но данного аппарата - вообще единицы.
A
08:16
AKATLA
In reply to this message
Хм. Не вижу ничего плохого. Тот же процесс но просто сдвинут во времени. Ну ладно.
W
08:17
Winni
In reply to this message
Ну с телефона надо разбирать, да всему мне вчера дали, надо подумать как ее покрасивее реализовать )))
Ю
08:17
Юрий Ларин
In reply to this message
Это без коррекции сдвига экрана вправо.
W
08:18
Winni
In reply to this message
Ну против ZX-Evo ничего не имею, да и вполне адекватно по цене. И функционально, но это развитие ATM-Turbo 2
A
08:18
AKATLA
In reply to this message
Гы, тут уже была драка из за этих ЛА3! 😂😂😂😂
W
08:18
Winni
In reply to this message
А что такое?!
A
08:19
AKATLA
In reply to this message
Я про новоделы.
Ю
08:19
Юрий Ларин
In reply to this message
Причём тут ВМ1? ПК6128ц был на КР1821ВМ85, оно же интел 8085, их как грязи...
W
08:20
Winni
In reply to this message
Ну ZX-Evo это тоже новодел, но типа крутой Спек )) А вот всякие мелкие в топку, там делают вобще плата мелкая мелкая и одна по сути плис
З
08:20
Заказчик Мультикарта Белорусь ²
In reply to this message
мне почему-то казалось что ВМ1. Всё равно, интересно конечно же, но это уже совсем другая машинка, с другой историей.
A
08:20
AKATLA
In reply to this message
Да тут рвали как то рубаху, по части лепить или нет ла3 вторыми этажами! Чуть кофтаны не порвали, артисты! Я так уже два вектора переделал и ниче, фсе ништияк.
W
08:21
Winni
In reply to this message
Ну вроде как снизу в схеме что видел, в целом неплохо и главное не видно ))
👍
A
A
08:21
AKATLA
In reply to this message
А, я зачтался прямо.
W
08:22
Winni
Только там в инструкции куча микрух снизу, не пойму для чего все!
Ю
08:23
Юрий Ларин
In reply to this message
И новодел ПК-6128ц тоже ставится в стандартный Векторовский корпус, если что...
👍
A
A
08:23
AKATLA
In reply to this message
Так там в инструкции все написано.
👍
ДД
Ю
W
08:23
Winni
In reply to this message
Ну я мельком глянул, одна для синхры, но там их вроде 3
З
08:24
Заказчик Мультикарта Белорусь ²
In reply to this message
Я так понимаю, Impruver это вы? ) Давайте вечером пообщаемся отдельно.
Ю
08:24
Юрий Ларин
In reply to this message
Если интересно, то да.
З
08:25
Заказчик Мультикарта Белорусь ²
In reply to this message
Вечером спишемся.
r
08:56
reddie
в тему доработок... клавиатуру Вектора, намертво припаянную к основной плате, кто-то "улучшает", ставя разъем, или так и мучаются все с этим бутербродом?
08:57
я не про то, как это сделать - тут элементарно
08:57
а про сам факт "ставим или не ставим"
08:59
речь про это, если непонятно
ДД
10:14
Денис सेवक सेवकाः Динанатх Гопал Дас
In reply to this message
Если речь о моей инсирукции, то одна микросхема для сдвига синхры и формирования уровня черного, вторая для того чтобы могла работать ПЗУ на 32 или 64к - она разделяет память квазидиска и ПЗУ, а третья микросхема это автозапуск программ, тоже удобная штука. Вторая и третья микросхема опциональны, если используешь ПЗУ 2к - то она не нужна. Автозапуск тоже в целом можно не делать, ну лишний раз пару кнопок нужно будет нажимать.
10:16
In reply to this message
А зачем ? Чтоб лишний раз клавиатура глючила ?
r
10:22
reddie
In reply to this message
ну если тяп-ляп сделано - может и будет глючит. а так намного удобней плата на разъемах. для тех же ремонтов/доработок. в спектрумах везде переделываю, никаких глюков не замечено
10:23
ладно, когда раьнше это собирали "на века" и не предполагалось вскрытие юзером, но сейчас-то...
ДД
10:34
Денис सेवक सेवकाः Динанатх Гопал Дас
In reply to this message
Если отсоеднить клавиатуру вектор даже не запустится. Смысл ее отпаивать и садить на разьем, езли для того чтобы проверить что то ее нужно будет опять пристегивать. Никогда не доставляла дискомфорта при ремонтах клавиатура, вообще смысла не вижу ее на разьем садить. Длинна шлейфа удобная.
r
10:39
reddie
In reply to this message
а вот оно даже как... хитро сделано (про незапуск)
А
10:50
Алексей Шевцов
In reply to this message
Это имеет смысл делать в том случае, если основную плату Вектора планируется размещать в отдельном корпусе от клавиатуры. У меня именно так сделано. Я подключаю клавиатуру через 25-контактный разъём LPT. А на системную плату Вектора я напаял штырьки в дырочки, в которые впаян шлейф клавиатуры , а на шлейф напаял линейный межплатный разъём от старого советского цветного телевизора от субмодуля цветности, если не изменяет память, который надевается на эти штырьки. Там как раз совпадает шаг контактов.
👍
r
ДД
ДД
10:57
Денис सेवक सेवकाः Динанатх Гопал Дас
In reply to this message
Реально конечно там буквально один диод и пара резюков, и две кнопки нужны на макетке или просто на соплях, вместо клавиатуры придется подключать.
r
10:57
reddie
вот, сделал же человек разъемную и даже выносную. на глюки вроде не жалуется))
М
10:59
Михаил Алещенко
У меня обе выносные были родная и АТ..
А
10:59
Алексей Шевцов
In reply to this message
Глюков нет. Длина соединительного провода 1,8 метра. Экранированный стандартный кабель LPT.
👍
r
r
11:00
reddie
тем более, как понимаю, у Вектора принцип сканирования другой, нежели в Спектрумах, где в шлейф идут напрямую (ну, через диоды или буфера) адресные линии процессора, то есть мегагерцовые импульсы в проводах - и все равно нормально работают выносные клавы с двухметровыми хвостами
ДД
11:06
Денис सेवक सेवकाः Динанатх Гопал Дас
Ну это все можно делать, но смысл в этом есть когда клавиатура вне вектора, в другом корпусе. Когда все моноблоком, кому там разьем ?
r
11:13
reddie
для тех же доработок. мне, скажем, неудобно кишки за платой таскать))
11:19
вот, например, переделывал. хоть и не Вектор
11:19
все отстегивается от платы, красота. достал и паяй себе
ДД
11:27
Денис सेवक सेवकाः Динанатх Гопал Дас
Клвиатура перемещается или за плату или под плату, проблемы нет, какой либо дискомфорт отсутствует. Проблем больше с выпаиванием и впаиванием, это нексолько часов бесполезной работы, ну это мое мнение ) А если чуть перегреть, провода на шлейфе бодро начинают раскрываться, и тогда можно менять весь шлейф ))
А
11:30
Алексей Шевцов
In reply to this message
Да, это точно. На родном шлейфе изоляция течёт ужасно. Я его сразу выкинул и установил современный с хорошей изоляцией.
r
11:30
reddie
да, современные плоские шлейфы вполне годные
А
12:02
Алексей Шевцов
In reply to this message
Если современный разъём на клавиатуру ставить, то я бы поставил BLS-25 (DS1071-1x25) или что-то подобное. Не помню, какой там шаг между контактами, кажется 2.54. Также в плату впаять штырьки, загнутые на 90 градусов, а на шлейф этот разъём повесить.
👍
Ю
r
12:02
reddie
In reply to this message
да, у всех буржуйских 2.54, но это не проблема
12:03
а угловые можно разогнуть под любой шаг почти))
VD
18:34
Vsevolod Dziuba-Tigrov
Я полагаю, коль пошла такая жара, может быть создать каналы посвященные Специалисту, РК-86/Микро 80, Ориону-128 и ЮТ-88?
👍
ВП
r
18:36
reddie
логичней был бы канал типа "компы на 8080" но не все оценят)
X
18:36
Xrust
Ну, близкие РК каналы уже есть.
18:38
Орион128 посвящены несколько каналов
18:38
Только они закрытые
18:40
Кто хочет в своеобразный мирок Орион 128, свяжитесь с его хозяином: 89173107414
slava@matrixplus.ru
18:41
Вот его сайт http://rdk.regionsv.ru/
4 April 2023
З
14:34
Заказчик Мультикарта Белорусь ²
Уважаемые, у кого есть под руками фото корпуса Вектора в разборе? Верхняя и нижняя половинки.
З
15:08
Заказчик Мультикарта Белорусь ²
Вопрос снят. Порешали.
7 April 2023
Ю
12:23
Юрий Ларин
Собрал механизм пробела на кнопках черри, тут инфа, кому надо: https://zx-pk.ru/threads/34006-replika-platy-gerkonovoj-klaviatury-vektora-(uluchshennaya).html?p=1176336&viewfull=1#post1176336
👍
A
А
YS
4
🔥 1
A
16:31
Alexander
Упаковка, конечно, хоть на передовую 😁 Получил. Пасиба, будем собирать.
👍
Ю
😁
З
Ю
18:49
Юрий Ларин
In reply to this message
Главное, чтобы целой довезли, а то наша доблестная почта может и попалам свернуть. 😁
A
19:01
Alexander
Этого и боялся :)
YS
19:19
Yura Sergienko
Получил клавиатурные платы. Большое спасибо Юрию Ларину! Начинаю собирать Вектор с нуля.
👍
A
A
BF
5
З
20:08
Заказчик Мультикарта Белорусь ²
In reply to this message
да нормальная у вас почта ))) на упаковке только не нужно экономить )))
shuran33 invited shuran33
8 April 2023
A
06:53
Alexander
Ещё стабы для пробелов.
https://sl.aliexpress.ru/p?key=NXoNwDX
A
10:56
Alexander
In reply to this message
А smdшки какого размера? А то я даже и не знал, что они разные бывают. Пришел на рынок, а чо ответить хз :) По циферкам digikey ничего не гуглится.
L
A
13:15
Alexander
Ну... Судьба такой, еще раз на рынок идти 😁
Ю
14:02
Юрий Ларин
In reply to this message
Резисторы типа 1206, они 3,2мм в длину, насколько я помню.
👍
A
14:04
Диоды sod-123, тоже миллиметра три.
A
14:05
Alexander
диоды я уже обычные взял, правда 4004.
14:05
А вот с резюками подстава :) В закромах половины нету.
Ю
14:06
Юрий Ларин
In reply to this message
Тоже сойдут -- там не принципиально.
A
14:06
Alexander
блок резюков тоже только десятка была, отрезал один вывод :)
Ю
14:07
Юрий Ларин
Я вот такую сборку ставил, из чипадипа: https://www.chipdip.ru/product/9a103j
A
14:07
Alexander
А вот свичи центрировать слегка утомительно, они там шатаются. Это для ПКМ?
14:09
In reply to this message
Ну да, его в пример и показывал. Одну ногу откусил, сидит норм.
14:09
До чипадипа мне дальше чем до рынка :)
Ю
14:39
Юрий Ларин
In reply to this message
Главное, правильную ногу откусить... 😁
😁
A
A
ВК
18:02
Владимир Кузнецов
Чтобы кнопки выровнять я креплю линейку и по ней ставлю весь ряд. Потом паяю следующий ряд. Получается очень ровно
👍
A
10 April 2023
А
20:44
Алексей Шевцов
Приветствую всех.
20:45
Решил подключить мышь Марсианку – устройство ввода координат (УВК) к Вектору. Задача стояла, чтобы подключить мышь не как отдельное устройство на выделенный адрес с программной поддержкой, а так, чтобы имелась возможность пользоваться им в большинстве существующих программ без их переделки.
20:45
Вообще, подключению мыши к Вектору посвящено очень мало статей, хотя Марсианка его ровесница. Вероятно, в те времена мышь считалась не очень нужным устройством, т.к. изначально позиционировалась, как именно устройство ввода координат для графических приложений, а использовать его в качестве манипулятора стали немного позже. В качестве манипулятора тогда использовался джойстик. Поэтому было решено превратить мышь в аналог джойстика с некоторыми отличиями.
20:45
Собственно главное отличие мыши от джойстика в том, что она не только может задавать направление, но и скорость перемещения курсора (объекта) на экране. Это свойство мыши решено было сохранить. В то же время нужно было обеспечить совместимость со всеми известными способами подключения джойстика к Вектору. То есть, в идеале это должно быть некоторое устройство с «сухими контактами», которое можно присоединить к Вектору вместо джойстика, при этом эти контакты должны импульсно замыкаться со скоростью, пропорциональной движению мыши и в соответствии с её направлением движения.
👍
Ю
20:45
Изучив схему Марсианки, я пришел к заключению, что на её координатные выходы и кнопки можно напрямую подключить герконовые малогабаритные реле, которые будут имитировать контакты джойстика. А, обеспечить импульсное их замыкание можно собрав простейший генератор импульсов и подключив его ко входу «Сброс» мыши. Если частота генератора будет сбалансирована относительно импульсов, формируемых мышью, то ускорение и замедление её движения обеспечит изменение скорости выходных импульсов подаваемых на обмотку реле., обеспечив согласование скорости перемещения объекта на экране Вектора с движением мыши.
20:45
В качестве реле я использовал китайские маломощные малогабаритные герконовые реле в SIP корпусе с катушкой на 5 вольт и сопротивлением 500 Ом. Генератор собрал на снятой с емкостной клавиатуры Вектора (при её переделке на контактную) микросхеме таймера КР1006ВИ1 по типовой схеме. Для подстройки частоты генератора в корпусе мыши на дне установил прецизионный подстроечный резистор с торцевым винтиком. В дне мыши просверлил маленькое отверстие, диаметром 1,5 мм, через которое обеспечивается доступ к резистору для подстройки частоты генератора. Над отсеком с шариком мыши расположил макетную плату со всеми остальными деталями.
20:46
20:46
20:46
20:46
20:46
20:46
20:46
Перед подключением к Вектору, напаял на разъём контрольные светодиоды, чтобы визуально проверить работу мыши.
20:47
Сначала подключил мышь к клавишам управления курсором, а её кнопки к клавишам «ПРОБЕЛ» и «ВК». Потом попробовал подключить по трём другим схемам подключения джойстиков. Существенного отличия в работе мыши в зависимости от способа подключения практически нет. Её работа во многом зависит от алгоритма опроса в различных программах. Соответственно и ведёт себя мышь в различных программах по-разному. Главный показатель – это шаг дискретности перемещения объекта. В некоторых программах он очень маленький, но в большинстве программ убавление мышью приемлемо.
20:47
20:50
20:52
20:54
YS
20:55
Yura Sergienko
Интересно посмотреть как в редакторе "Карандаш" мышка будет работать.
A
20:56
Alexander
In reply to this message
Прям с языка снял :)
А
20:56
Алексей Шевцов
20:57
ДД
20:59
Денис सेवक सेवकाः Динанатх Гопал Дас
Круто ! Поздравляю !
Значит можно PS/2 подключать, я для Агата делал конвертор PS/2 координат мыши в координаты марсианки на arduino nano. Если так норм, то можно ряд ps/2 мышей к вектору подключать.
20:59
Ну и еще при помощи скетча ардуинки менять скорость отклика.
21:01
Не только для Агата, на БК проверял, тоже более менее работает. То есть, моно просто брать ардуину, заливать скетч и покупать мышь за 100 р... Марсианка нынче дорогое удовольствие.
А
21:03
Алексей Шевцов
Да, можно пробовать на ps/2. Я просто хотел подключить мышь именно того времени и так, как это можно было сделать в то время.
ДД
21:03
Денис सेवक सेवकाः Динанатх Гопал Дас
In reply to this message
Вот как раз, можно за счет скетча ардуины задавать вариант ответа мыши, быстрый, медленный, средний, и сделать это можно например по нажатию или по кручению колеса мыши, ардуино это видит, меняет что то, а вектор получает только изменение в отклике.
👍
А
А
21:04
Алексей Шевцов
Да, было бы здорово.
ДД
21:05
Денис सेवक सेवकाः Динанатх Гопал Дас
In reply to this message
Марсианка у меня одна, и она на данный момент аж на 4 компа может подключаться в моей коллекции если с вектором считать. Где их набрать марсианок то ))) Они по 5 тыр продаются на авито )
21:07
А ps/2 по 100р... Плюс ардуино нано рублей 300 в китае. на порядок дешевле. ))
А
21:07
Алексей Шевцов
Да был момент на Авито один человек продавал 9 шт. по 2500
Я тогда одну купил, а ссылку в группу скинул.
r
21:17
reddie
это все же эмуляция джойстика получается... весь смак мыши - почти мгновенное перемещение курсора в любую нужную точку экрана - при таком управлении, увы, невозможен
21:17
но это надо софтовую поддержку такого способа
А
21:19
Алексей Шевцов
В том то и дело. Я хотел подключить мышь без сотовой поддержки, чтобы использовать уже в существующем ПО.
r
21:20
reddie
а софта/контроллера по типу Агатовского под марсианки на Вектор нету?
21:20
который с реверсивными счетчиками
А
21:20
Алексей Шевцов
Не слышал о таком для Вектора.
А
21:36
Алексей Шевцов
🔥
A
YS
Ю
21:36
Юрий Ларин
In reply to this message
А можно увидеть схему подключения? Хотя бы от руки нарисованную...
А
21:42
Алексей Шевцов
По этой схеме я подключал джойстик к клавиатуре. Аналогично подключается и мышь.
21:43
21:43
Это макетная плата для мыши.
Ю
21:46
Юрий Ларин
In reply to this message
Если реле в этой схеме заменяют кнопки, то вместо них можно было бы поставить просто транзисторы.
А
21:47
Алексей Шевцов
Можно, но так схем подключения джойстиков много, я решил поставить реле.
Ю
21:47
Юрий Ларин
А так идея замечательная -- наконец-то на Векторе появилась мышь.
21:50
In reply to this message
Может для универсальности это и правильно. Кстати, тогда можно было взять не герконовые, а твёрдотельные реле, они меньший ток потребляют на включение.
З
21:50
Заказчик Мультикарта Белорусь ²
Добрый вечер всем. Если кто свободен, можете .rom запустить живом Векторе и записать сда видео как оно играет?
А
21:52
Алексей Шевцов
In reply to this message
Да, я именно универсальность и имел в виду. Твердотельных не было под рукой реле. Я тоже в начале думал их поставить.
З
21:52
Заказчик Мультикарта Белорусь ²
Проверить на живом Векторе как играет
Ю
22:16
Юрий Ларин
In reply to this message
Сегодня не смогу, может завтра... Там кваз нужен, или можно на голом Векторе запускать?
З
22:17
Заказчик Мультикарта Белорусь ²
Вроде голый
Ю
22:17
Юрий Ларин
Ок.
NZ
22:24
Nikita Zimin
In reply to this message
Судя по обсуждению на zx-pk.ru, квазидиск там используется по полной.
А
22:25
Алексей Шевцов
Проверил. Вверху артефакты после загрузки остаются. Видимо в начале нужно очистку экрана делать пред загрузкой графики.
AF
👍
A
З
22:29
Заказчик Мультикарта Белорусь ²
Спасибо. Отправлю автору отзыв. Он ещё пишет игрушку. Я его сюда приглашал, но видать ютюб ссылки режет. Я ваш ролик могу залить к себе на канал чтобы ему показать?
А
22:29
Алексей Шевцов
Конечно. Если нужно - заливайте.
👍
З
З
22:31
Заказчик Мультикарта Белорусь ²
В каментах переживал, что не знает работает она на железном Векторе или нет, хотя я ему в прошлый раз вроде проверял.
22:32
22:32
Он вроде среду разработки/эмуль Свофски допилил какими-то фичами.
А
22:33
Алексей Шевцов
Работает, но она же ещё не дописана. Нужно будет альфа версию тестировать, когда уже основное всё написано будет.
З
22:33
Заказчик Мультикарта Белорусь ²
а вот его наработки по Вектору на Гитхабе https://github.com/parallelno/Vector06c
22:33
Опять же может кому будет чего полезно из его наработок
11 April 2023
Alex Fedotovskih invited Alex Fedotovskih
AF
03:04
Alex Fedotovskih
Привет, спасибо большое что проверили!
👍
A
A
А
ДД
06:25
Денис सेवक सेवकाः Динанатх Гопал Дас
In reply to this message
Посмотрел видос, получается это не совсем мышь, точнее сказать, такое подключение не дает возможности считать мышь координатным устройством. Фишка мыши именно в том, что она работает по координатам. Тут получается что мышь подключена как бы в режиме джойстика. В целом это тоже очень круто. И понятно, что софт Вектора вообще скорее всего не поддерживает как таковые координатные устройства. Тем не менее, огромная благодарность за то что проявили эти эксперименты, это очень полезный опыт!
06:30
Вот тут как раз и может помочь некий контроллер после мыши, который будет именно преобразовывать координаты мыши в нажатия кнопок, причем контроллер должен уметь изменять зависимость количества нажатий от прироста координаты, например под это можно.задействовать колесо мыши, типа запустил программу, настроил зависимость колесом и вперед.
👍
А
06:32
Вряд ли я смогу в ближайшее время заниматься этим, тем не менее могу передать все свои наработки и обеспечение для ардуины, для дальнейшего развития на платформе Вектора.
r
08:57
reddie
In reply to this message
т.е. проехала мышь два миллиметра влево - выдаст одну кнопу, проехала два сантиметра туда же - выдаст другую? такой софт еще более экзотичен, чем под координатную мышь (точнее вообще не существует, как полагаю)
A
09:03
Alexander
На vim похоже :)
А
09:05
Алексей Шевцов
In reply to this message
Да, я как раз думал над тем, как регулировать скорость импульсов от мыши в различных программах. Я сделал ещё одну плату для мыши в которой координатные выходы Марсианки пропускаю через 4 таймера КР1006ВИ1 (по одному на канал), собранных по схеме реле времени с регулируемой сопротивлением задержкой от 0.01 до 0.2 сек. Это сопротивление я как раз хотел повесить на колёсико мыши. Пока ещё не определился с конструкцией корпуса мыши. Может быть придумаю, как притулить это колёсико к Марсианке или найду другой подходящий корпус мыши. В крайнем случае придётся его напечатать на принтере. Но в навесном исполнении такая схема работает гораздо лучше той, что я сейчас встроил в мышь. Там можно в разных программах, покрутив колёсико выставить нужную скорость импульсов и таким образом регулируется скорость перемещения объекта в зависимости от алгоритма опроса клавиатуры или порта джойстика.
ДД
09:18
Денис सेवक सेवकाः Динанатх Гопал Дас
In reply to this message
Не слвсем так Вообще PS/2 мфшь, да и в целом все современные мыши выдают машине от 0 до 10 координаты по Х и Y - то есть мышь не просто сторону движения показывает, а конкретно говорит, подо мной по X проехало 2 условные единицы а по Y -5 условных единиц, компьютер делает вывож и переносит курсор на 2 пиксела влево и на 5 пикселей вниз, условно. Вот этим будет заниматься ардуино, То есть получать от мыши координату, и преобразовывать ее в количество нажатий, которое можно интерпретировать как прохождение определенного расстояния в определенную сторону, то есть на те же X-2 Y- (-5) ардуино выдаст в зависимости от заданного отношения либо 2 нажатия влево и 5 вниз, либо 20 нажатий влево и 50 вниз, либо 1 влево и 2 вниз, либо будет накапливать, чтобы когда влево будет 10 то сделать 1 нажатие. То есть колесом мыши можно задавать отношение координаты к количеству нажатий. А нажатия можно делать достаточно быстро, клавиатура опрашивается во время обратного хода, то есть если не применять реле на выходе ардуины для нажатия кнопок - а применять либо лог. элементы с ОК, либо какие нььт мошьные шинные формирователи - можно добиться до 50 нажатий и соответственно перемещений в секунду.
r
09:21
reddie
In reply to this message
оно понятно, но все равно это не будет полноценной мышью) к тому же в большинстве джойстиковых/клавишных программ управления курсором заложен разгон перемещения при удержании клавиши, т.е. не получится сразу взять и проехать 50 шагов за секунду
09:22
вернее оно будет выглядеть не совсем как мышиное
ДД
09:22
Денис सेवक सेवकाः Динанатх Гопал Дас
In reply to this message
Не портите музейный экспонат ))) Берите ардуину и PS/2, аналоговая тема не подойдет, ардуино сможет вычислять пропорции и давать нужное количество импульсов, причем до 50 в секунду легко. Плюс реглироваться будет именно математика, а не аналоговая задержка, которая в цлом достаточно условная и зависит еще от много чего.
09:23
In reply to this message
О полноценной мыши тут речь не идет, Софт вектора не был под полноценную мышь заточен вообще. Но максимально точное и максимально универсальное и гибкое устройство сделать реально, и для этого будет достаточно ардуино нано копеешного.
r
09:24
reddie
In reply to this message
да, жаль, что не внедрили мышь со счетчиками, как на Агате, например. или тех же спектрумах
ДД
09:26
Денис सेवक सेवकाः Динанатх Гопал Дас
Если мы оперируем 50 нажатиями в секунду, можно сделать и плавность и точность на очень высоком уровне, при помощи программного наростания на старте и плавного затухания после остановки можно с небольшой инерционностью добиться очень красивых результатлв, предел там только сложностью и математикой алгоритма скетча ограничен.
r
09:28
reddie
прост если имитировать 50 нажатий, то программа этого не поймет вообще, т.к. опрос идет тоже 50 раз. и либо она будет считывать как постоянно нажатой, либо вообще не попадет в импульсы
А
09:28
Алексей Шевцов
In reply to this message
У меня нет такой практики работы с ардуино... Я, конечно использовал на нём уже готовые проекты для умного дома и управления различным оборудованием, но самостоятельные разработки не делал...
09:32
В сущности, я просто хотел прикрутить ретро мышь к ретро компьютеру, причём теми средствами, которые были доступны в 90-е годы... Но если развивать эту тему, то можно, конечно, подумать над таким контроллером.
👍
AF
ДД
09:33
Денис सेवक सेवकाः Динанатх Гопал Дас
In reply to this message
Не, на счет этого читал, вектор до 25 нажатий в секунду абсолютно четко распознает, реально и 50, но тас свои моменты возникают. По крайней мере так пишут. И это конкретно 25 нажатий отдельных, софт понимает. ектор вообще так устроен что у него одно прервание, на обратный ход, и куча всего включая опрос клавиатуры работает через это прерывание, так что любая программа 50 раз в секунду способна получать нажатие кнопки вперед например, или 25 вперед 25 вверх поочередно. Какие там моменты по поводу больше 25 нажатий не знаю, все эт онужно пробовать.
r
09:34
reddie
In reply to this message
да, имеем 50 прерываний в секунду, соответсвенно в одном нажатие, в другом отжатие - итого 25 в секунду
ДД
09:34
Денис सेवक सेवकाः Динанатх Гопал Дас
In reply to this message
Я вам готовый сетч отам, и описание, там дальше просто нужно будет менять значения и пробовать.
А
09:35
Алексей Шевцов
In reply to this message
Хорошо, попробую тогда.
r
09:35
reddie
но чтобы четко попасть в эти опросы, нужно вешать контроллер на внешнюю шину (как она у Вектора там называется) и ловить опросы портов клавиатуры
ДД
09:35
Денис सेवक सेवकाः Динанатх Гопал Дас
In reply to this message
Ну то есть если учеть что раз на раз не попал в прерывание - то 20 нажатий и отжатий 100% будет проходить. Это уже хорошо.
r
09:35
reddie
или хотя бы синхронизироваться по сигналу прерывания
ДД
09:37
Денис सेवक सेवकाः Динанатх Гопал Дас
In reply to this message
Это все сильно усложняет. Хотя и засинхронизироваться реально, чтобы ардуино по прерыванию от компа считало и выдавало результат н акаждое прерывание. Это будет очень круто. Но и без этого я думаю результат будет серьезным.
Ю
19:22
Юрий Ларин
Мне кажется, если не пытаться притянуть мышку к существующему ПО, эмулируя клавиатуру и все виды джойстиков, то подключить будет проще, и работать будет лучше. А тот десяток программ, где теоретически мышка даст некие преимущества, можно и пропатчить.
19:25
Два восьмибитных счётчика на ПУ -- и оттуда можно сразу читать координаты точки на экране, и драйвер для такой мышки будет простой...
ДД
20:34
Денис सेवक सेवकाः Динанатх Гопал Дас
In reply to this message
Может и так, вполне вероятно. Примерно так обстояло дело с Агатовской Nippel Mouse. К марсианке добавили два восьмибитных счетчика и написали драйвер. Мышь очень послушная, и реально координатная. но программа которая ее поддерживает только одна к сожалению...
👍
Ю
А
20:42
Алексей Шевцов
In reply to this message
Я очень сомневаюсь, что в настоящее время кто-то будет переписывать или патчить всё ПО для Вектора. Подключать мышь, как отдельное самостоятельное устройство нужно было в 90-х и сразу писать программы с поддержкой мыши. Подключить мышь, как отдельное устройство, несомненно лучше и работать она будет тоже лучше само по себе. Но вряд ли найдётся человек, который будет делать поддержку мыши во всех написанных программах. Это очень долго и главное, что в этом нет серьёзной необходимости. Что было - то прошло.
Конечно можно разработать два варианта мыши - классический и аналог джойстика. Кто какой вариант захочет - такой и будет использовать.
Ю
20:47
Юрий Ларин
In reply to this message
Я тоже сомневаюсь, но надеюсь... В своё время, когда стали появлятся джойстики для Вектора, тоже некоторые программы были пропатчены под джойстик, это проще, чем написать заново.
А
20:55
Алексей Шевцов
In reply to this message
Да, было такое. Но тогда это было актуально, т.к. Вектор был продаваемым компьютером и это было в период разработки на него ПО. А сейчас - это лишь ностальгия по прошлому... музейный экспонат... игрушка для энтузиастов...
К тому же, я проверил конструкцию мыши уже в порядка 50 программах и примерно 80% из этого количества нормально с ней работают.
Да, есть программы, например Арканоид, где нужен другой алгоритм работы мыши, но их меньшее количество. И для их поддержки можно просто доработать алгоритм функционирования такой мыши. По крайней мере - это будет проще и быстрее, чем патчить ПО.
Ю
21:45
Юрий Ларин
Вообще, программ типа Арканоид, или Карандаш, где мышка была бы полезнее джойстика, мало. Так может всё-таки не стоит ориентироваться сразу на все программы и пытаться сделать из мышки подобие джойстика?

Когда-нибудь я, наверно, займусь темой мышки для Вектора, первое что сделаю -- простейшее перемещение пикселя по экрану, а потом можно будет пропатчить пару программ под мышку и на этом остановиться. Пусть будет как на Агате хотя бы.))
ДД
22:09
Денис सेवक सेवकाः Динанатх Гопал Дас
На агате было три типа мыши отечественные, это nippel mouse, марсианка через ПП/ППИ и ММ8031 через ПП/ППИ. Так же к агату подключали com мышь через ПП/ППИ. Под все мыши в общей сложности пара десятков программ будет.Может чуть больше. Все типы мышей Агата были координатные.
r
22:45
reddie
In reply to this message
верно, если бы тогда, в 90-х, в народ пошел девайс со счетчиками - сейчас бы имелся и софт под него, в том числе игры
👍
А
22:47
пресловутый Ниппелькард на Агате как бы надстройка над марсианкой, но можно взять переделать любую мышь
22:50
In reply to this message
в идеале нужно три порта: счетчики X и Y плюс порт состояния кнопок и скролла колеса. если уж делать, то сразу ориентироваться на полный фукнционал стандатной современной мышки
22:50
в общем, получится спектрумовская кемпстон маус =))
Ю
22:52
Юрий Ларин
In reply to this message
Да, я про кнопки забыл... Но в любом случае, в ПУ есть три восьмибитных порта, для мышки хватит.
12 April 2023
ВК
11:41
Владимир Кузнецов
In reply to this message
Совершенно согласен. Тем более это физически очень просто организовать на какой-нибудь Атмеге - и опрос мышки и интерфейс с компьютером.
11:43
Я для Турбо + именно так планировал мышь подключать. Это самый экономный в плане ресурсов Вектора метод и пожалуй самый простой в плане адаптации программ.
👍
Ю
r
ВК
12:19
Владимир Кузнецов
На той же Атмеге и дешифратор портов можно запрограммировать, Итого понадобится Атмега на два параллельных порта (адрес и данные) и с UARTом на мышку, или с готовым USB интерфейсом, тогда вообще обвеса не будет.
👍
Ю
r
13:06
reddie
In reply to this message
да можно и ps/2 вешать, библиотеки обмена с мышой есть
ВК
14:52
Владимир Кузнецов
Продолжая тему. Сигнал ЧТВВ можно завести на прерывание микроконтроллера, два его порта подключить к адресам и данным на системной шине. По каждому чтению из порта контроллер будет в прерывании анализировать адрес и, выдавать в порт данных соответствующие значения пока активно ЧТВВ. А всё остальное время следить за мышкой.
Ю
18:41
Юрий Ларин
А может проще на ПУ всё завести? Без прерываний и прочего, просто контроллер на порт А и В отдаёт координаты с мышки, а порт С для всего остального.
r
18:45
reddie
In reply to this message
в плане "успеет ли контроллер выставить данные" да, проблемы не будет. попутно можно разрулить возможный конфликт джойстика и мышки, просто развесить по разным портам
ВК
19:17
Владимир Кузнецов
In reply to this message
Прерывания же на стороне контроллера, там по любому событию прерывания предусмотрены, так что это как раз не проблема и даже очень удобно. А насчёт параллельного порта - как уже было замечено, на него уже чего только не навешено и всё конфликтует друг с другом. По мне так пусть это будет порт принтера.
Ю
20:21
Юрий Ларин
In reply to this message
Да, так и есть.
VD
20:59
Vsevolod Dziuba-Tigrov
Добрый вечер господа
21:00
тут зашла речь об NEC V20 для машины которая была 16 разрядная но с обратной совместимостью с 8 битнными аппаратами
21:01
как вы считаете можно ли взять за основу Вектор и ещё какую-то 8 битку быть может корвет? Или сделать совместимость с ними обоими не реальна?
ВК
21:27
Владимир Кузнецов
Что вы понимаете под совместимостью?
Ю
21:34
Юрий Ларин
In reply to this message
Теоретически можно. А что за процессор был в V20?
VD
21:34
Vsevolod Dziuba-Tigrov
In reply to this message
Это японский клон Intel 8086 но имеющий режим эмуляции команд Intel 8080. то есть процессор который может исполнять как команды intel 8080 так 8086
21:36
In reply to this message
Чтоб на этом монстре можно было запускать программы написанные для вектора 06Ц и Корвета, ну чтоб можно было достаточно свободно адаптировать игры для PC, но при этом не иметь с PC прямой совместимости
Ю
21:42
Юрий Ларин
Я сейчас погуглил -- действительно, интересный процессор. Вот только как использовать все его 16 бит на архитектуре Вектора вопрос... Хотя, что-то придумать можно.
ВК
21:42
Владимир Кузнецов
In reply to this message
Тут пожалуй сложнее будет совместить совершенно разные архитектуры компьютеров - всё что снаружи от процессора. Такой процессор-мутант всё таки наверное использовался в системах, специально разработанных под него.
21:43
In reply to this message
Там шина данных физически 8-битная, поэтому вставить то можно, только толку от 16 битности будет мало.
21:46
По моему, если надо совместить ПК и Вектор, логичнее использовать эмулятор. Будет и всё векторовское работать без переделок и ПКшное.
VD
21:46
Vsevolod Dziuba-Tigrov
In reply to this message
В Правец его ставили правда эту фишку насколько я знаю не использовали
21:48
Просто у Корвета есть графический ускоритель и в паре с более мощным процессором он бы мог немного решить проблему с перерисовкой экрана на Векторе
Ю
21:53
Юрий Ларин
Всё это здорово, но вот только ещё найти этот V20 надо -- на али его нет, и в гугле его продажу не находит...
VD
21:55
Vsevolod Dziuba-Tigrov
In reply to this message
найти его при желании можно, если бы не война, это вообще был бы пустяковый вопрос
21:56
In reply to this message
Наверное так лучше, хотя полной совместимости с PC наверное добиваться лучше не стоит.
Ю
22:09
Юрий Ларин
Не, совместимости с РС и не будет, если делать именно Вектор.
22:12
О! На али нашёл его -- можно начинать собирать Вектор...))
https://m.aliexpress.ru/item/1005005298896327.html
r
22:21
reddie
а чем плох турбо-Вектор на Зайлоге 12-мегагерцовый?
22:21
или задумка именно перетащить софт с пц?
VD
22:27
Vsevolod Dziuba-Tigrov
In reply to this message
А есть ли на него документация хоть какая-то? Насколько я знаю был сделан всего один прототип. К тому же да проще портировать DOS игры
ВК
22:34
Владимир Кузнецов
In reply to this message
Прототипов собрано действительно немного, но документация таки есть. А насчёт портирования игр - я бы больше в сторону ZX Spectrum и прочих Коммодоров смотрел. Там хоть процессор такой же. А ПК-шные игры - это по сути заново их создавать.
VD
22:37
Vsevolod Dziuba-Tigrov
In reply to this message
Спектрум никогда не блистал графикой. Commodore господь с вами там никогда Z80 или intel 8080 не стояли там стоял MOS6502 а потом motorola 68000. Так и этот процессор поддерживает команды 8086 так что все таки можно не с нуля
r
22:38
reddie
насчет Спектрума... графика графикой, зато код можно готовый тащить (ну разве что работу с графикой переделывать)
👍
ВК
ВК
22:38
Владимир Кузнецов
Нарисовать красивые спрайты попроще будет, чем код игры создать с нуля.
r
22:38
reddie
плюс 12МГц это считай в 4 раза быстрее чем было
22:39
уже можно с вменяемой скоростью все битпланы шевелить
VD
22:39
Vsevolod Dziuba-Tigrov
In reply to this message
организация памяти?
ВК
22:40
Владимир Кузнецов
К слову о Корвете - я посмотрел как ускорение цвета организовано - получается там за раз одним цветом рисовать можно или я что-то не так понял?
r
22:40
reddie
In reply to this message
видеопамять и разбиение памяти это вторичное. главное, что сам код будет полностью совместим на уровне процессора
VD
22:41
Vsevolod Dziuba-Tigrov
In reply to this message
та и тут он будет совместим
ВК
22:42
Владимир Кузнецов
In reply to this message
Со Спектрума портировать игру на ВЕктор с Z80 задача тривиальная. Вот на 8080 переделать - тут надо помучиться.
r
22:42
reddie
а про "не блистал графикой" это зря... даже в конце 80-х и до начала 90-х делались отличные по графике игрушки
22:42
сейчас тем более проблем с этим нету
VD
22:43
Vsevolod Dziuba-Tigrov
In reply to this message
Я предложил сделать на процессоре nec v20 который является клоном 8086 но имеющим возможность эмуляции 8080 Тем самым переключая режимы можно выполнять код как для программ оригинальных так и тех что перетащены с PC
22:44
In reply to this message
два цвета на знакоместо размером с 8*8 точек шикарная графика
r
22:44
reddie
In reply to this message
знакоместа-атрибуты это одно. саму пиксельную графику никто не отменял как таковую
22:45
можно банально перенести графику, но за счет битпланов уйдет клэшинг
VD
22:45
Vsevolod Dziuba-Tigrov
In reply to this message
и это не учитывая более низкое разрешение чем у Вектора
ВК
22:46
Владимир Кузнецов
In reply to this message
Клоном 8088. И чтобы перетащить что-либо графическое с ПК нужна как минимум видеокарта, а лучше и мультикарта со всеми портами. А это уже ПК получается
VD
22:46
Vsevolod Dziuba-Tigrov
Что же ладно, может вы и правы. Нет смысла
ВК
22:47
Владимир Кузнецов
Так что про Корвет - знаком кто с его архитектурой? Насчёт вывода цвета
VD
22:48
Vsevolod Dziuba-Tigrov
In reply to this message
Кстати, если вам не сложно, можете ли вы скинуть ссылку на информацию по Вектору Турбо+?
ВК
22:50
Владимир Кузнецов
В процессе редактирования
VD
22:50
Vsevolod Dziuba-Tigrov
In reply to this message
Весьма Благодарен!
ВК
22:50
Владимир Кузнецов
К слову, автором являюсь я, поэтому если будут вопросы - обращайтесь.
👍
YS
VD
22:52
Vsevolod Dziuba-Tigrov
In reply to this message
Спасибо, обязательно
22:56
In reply to this message
А схема есть?
ВК
22:57
Владимир Кузнецов
Конечно есть.
VD
22:58
Vsevolod Dziuba-Tigrov
In reply to this message
я пролистал документацию не нашел пока
22:58
Только отдельные фрагменты
22:58
Кстати вы собирали реплику данного зверя?
ВК
22:59
Владимир Кузнецов
Ну так она в Альтиуме, а то что я выслал - текстовое описание с картинками.
23:04
23:04
🔥
ПК
АШ
AA
6
VD
23:12
Vsevolod Dziuba-Tigrov
In reply to this message
Я увы не знаю что такое Альтрум. Но тот монстр что я вижу впечатляет 2 мб озу?
ВК
23:14
Владимир Кузнецов
Альтиум это такая САПР для разработки печатных плат. Типа как PCAD был.
VD
23:14
Vsevolod Dziuba-Tigrov
In reply to this message
Впечатляет
23:14
In reply to this message
А понял.
ВК
23:14
Владимир Кузнецов
1Мб
VD
23:15
Vsevolod Dziuba-Tigrov
In reply to this message
Ну это реальный монстр.
23:16
Прям жалко что в народ он в те годы не пошел. А то кроме мегаспекртумов и Aleste 520ex был бы ещё такой красавец. У него ведь полная совместимость с оригинальным 06ц?
ВК
23:19
Владимир Кузнецов
Практически полная. Процессор Z80 сам по себе не полностью совместим с 8080 и всё для Вектора было заточено под 3МГц, а тут 12МГц.
VD
23:20
Vsevolod Dziuba-Tigrov
In reply to this message
Ну честно это просто чудо ещё и плата какая компактная.
ВК
23:21
Владимир Кузнецов
На самом деле я его задумал в студенческие годы и реализовал лишь частично и на макетке. Потом по ряду причин проект был заброшен и только пару лет назад я зашёл свои старые записи и из ностальгии решил возродить.
👍
ОР
L
VD
23:22
Vsevolod Dziuba-Tigrov
In reply to this message
Простите? Я немного не понял. А вы один из его создателей? Или я просто не до конца понял
23:23
In reply to this message
Кстати а какой у него монитор? Сколько занимает?
ВК
23:24
Владимир Кузнецов
В институте было ещё пара ребят, вместе обдумывали концепцию, но в части общей идеологии и схемотехники сам делал.
23:25
Монитор? Не понял вопрос.
VD
23:26
Vsevolod Dziuba-Tigrov
Ну если верить википедии у вас разрешение 1024*256 экрана максимальное
23:27
а у оригинального компьютера оно достигалось при 2х цветах а у вас 4-е
23:30
In reply to this message
ВК
23:35
Владимир Кузнецов
Да, я в курсе что в Вики написано. Эта минифирма базировалась на 4 этаже нашего корпуса института, я там подрабатывал в свободное время. Вот только идея разработки Турбо+ не от руководства шла а с "низов" и никак не модерировалась.
23:36
In reply to this message
В Википедии устаревшие данные. Примерно на уровне конца прошлого века :-)
23:38
А точные и актуальные данные в высланном описании.
VD
23:39
Vsevolod Dziuba-Tigrov
In reply to this message
И как-то продвигать его думаете?
23:41
Графика на нем не тормозит?
ВК
23:44
Владимир Кузнецов
In reply to this message
На самом деле главная цель тут у меня просто завершить задуманное, чтобы не висело. Платы я ещё высылал Дмитрию2012, он спаял - в целом работает, но какие-то глюки есть - налаживает сейчас. Кроме железа делаю сейчас ОС под него - продвинутую аля CP/M с кучей наворотов.
VD
23:45
Vsevolod Dziuba-Tigrov
In reply to this message
Последние пару лет для ретрокомпьютеринга стали особенными, ведь стали выходить на арену монстры которые считались ранее утерянными
ВК
23:45
Владимир Кузнецов
Насчёт графики - как тут оценивать. Она просто в 2 или 4 раза быстрее на 6 и 12МГц
VD
23:45
Vsevolod Dziuba-Tigrov
Союз Неон и Вектор Турбо. Причем с первым я как понимаю в плане запчастей и отладки проблем особых нет?
23:46
In reply to this message
Так у вас при максимальном разрешении 2 или 4 цвета?
ВК
23:47
Владимир Кузнецов
In reply to this message
Ну в описании же всё написано. Там ещё атрибуты введены.
23:48
VD
23:48
Vsevolod Dziuba-Tigrov
вижу
23:48
я просто в мягко говоря культурном шоке
23:49
это реальный 8 битный монстр
23:52
графика тут похоже круче чем у Spectrum Next
ВК
23:52
Владимир Кузнецов
В ОС я выбрал режим 512х512 - 64 символа в 32 строки - чтобы одну экранную плоскость использовать. Вывод текста получается реально быстро.
VD
23:53
Vsevolod Dziuba-Tigrov
In reply to this message
в два раза больше чем у оригинального Вектора
ВК
23:53
Владимир Кузнецов
Ну и за счёт атрибутов текст выводится в цвете
VD
23:54
Vsevolod Dziuba-Tigrov
In reply to this message
Да что там похоже и MSX туташняя графика обскакала
ВК
23:55
Владимир Кузнецов
В Векторе для вывода надо было писать в две плоскости, да ещё накладывать символ на то что уже выведено. У меня же просто вывод байта, отсюда скорость. Ну и 12 МГц тоже в плюс.
VD
23:56
Vsevolod Dziuba-Tigrov
Простите, я просто честно говоря поражен, конечно обидно что он как и все пересел на Zilog с 8080 вместо ранее упомянутого nec v20 но машинка так впечатляет. Если дойдут руки до реплики я бы её реплику сделал вместе с репликой Союз Неона.
23:57
Думаю что и мой знакомый по переписке иностранец не отказался бы от реплики такого монстра.
ВК
23:58
Владимир Кузнецов
Полагаю иностранцу это будет сделать проще. Как в плане заказа плат, так и комплектующих.
VD
23:59
Vsevolod Dziuba-Tigrov
In reply to this message
ну иностранец коллекционер, сам как понимаю не шибко способен делать реплики
13 April 2023
VD
00:12
Vsevolod Dziuba-Tigrov
In reply to this message
Жалко что проект доводится до ума сейчас а не в те годы
00:12
сколько игр было потеряно
ВК
00:16
Владимир Кузнецов
Для игр нужен не компьютер с высоким быстродействием и широкими возможностями, а широкораспространённый компьютер. Причём недорогой.
👍
r
VD
00:27
Vsevolod Dziuba-Tigrov
In reply to this message
Amiga 500 была мощным компьютером
00:28
In reply to this message
А ваш по тем временам примерно во сколько можно оценить?
ВК
00:31
Владимир Кузнецов
Не знаю, но недёшево - много дискретных компонентов, практически кустарное производство. Полагаю на уровне как 386DX.
VD
00:34
Vsevolod Dziuba-Tigrov
In reply to this message
значит шанс его популяризации в те годы был мал
ВК
00:38
Владимир Кузнецов
Ни малейшего. Это была эпоха быстрого распространения ПК, я в то время как раз 386DX и купил, очень недорого. Так что восьмибитки остались только в среде фанатских сообществ.
00:40
Недорого в масштабах цен на "IBMки"
VD
00:44
Vsevolod Dziuba-Tigrov
In reply to this message
Жалко что ваш проект появился так поздно а не на пару лет раньше
ВК
00:51
Владимир Кузнецов
Что ж поделать.
A
03:35
AKATLA
Владимир Кузнецов, желательно про Вектор. Хоршо?
VD
10:50
Vsevolod Dziuba-Tigrov
In reply to this message
Извините, а мы разве не вектор обсуждали?
YS
11:27
Yura Sergienko
Кто-нибудь подключал к Вектору внешнее ПЗУ через ПУ порт? Я правильно понимаю, что ПЗУ должно быть кратно 8 килобайтам и в конце должно содержать два байта 0xaa и 0x55?
11:32
In reply to this message
Не планируете продавать отлаженный текстолит (с учетом вознаграждения за разработку)?
ВК
11:36
Владимир Кузнецов
In reply to this message
Если вы имеете в виду печатные платы - не планирую. Я скидывал гербера для самостоятельного заказа. Если интересно - могу ещё раз скинуть.
VD
11:38
Vsevolod Dziuba-Tigrov
In reply to this message
Ну материнка, принципиальную схему помимо документации хотелось бы заиметь. Я считаю что этот компьютер заслуживает внимания. Кстати про CP/M вы под модификациями имели ввиду что вы пишите графическую оболочек для нее?
11:39
In reply to this message
Кстати а почему именно Z80 а не скажем наш аналог intel 8085?
ВК
11:39
Владимир Кузнецов
Нет, ОС целиком.
11:40
In reply to this message
Потому что Z80 гораздо функциональнее
👍
L
VD
11:41
Vsevolod Dziuba-Tigrov
In reply to this message
А вы не думали брать за основу Symb OS?
ВК
11:43
Владимир Кузнецов
In reply to this message
Я не знаю что это такое. Своя ОС нужна чтобы использовать все аппаратные возможности компьютера. CP/M - самая известная для 8080/Z80
VD
11:44
Vsevolod Dziuba-Tigrov
In reply to this message
Symb OS это оконная ОС которая работает с MSX, CPC и многими другими компьютерами на базе z80
ВК
12:00
Владимир Кузнецов
Интересная ОС, и причём специально для ретрокомпьютеров написана.
VD
12:58
Vsevolod Dziuba-Tigrov
In reply to this message
Жалко, что пока нет версий для i8080
З
З
16:26
Заказчик Мультикарта Белорусь ²
In reply to this message
и не будет из-за особенностей процессора. i8080 вроде как дед/папа для z80 и 8085 (так правильней)
r
17:13
reddie
In reply to this message
почитал про 8085 - интересная штука ... вроде как недокументированные в нем отрыли, коих даже зайлог не умеет
З
17:17
Заказчик Мультикарта Белорусь ²
Насколько я помню (читал в нескольких источниках, а не только в википедии), команда Зайлог это некая часть команды, которая собственно и разрабатывала i8085. Поэтому считаю, что и сравнивать между собой i8080 с z80 (отдельная олимпиада наверное не утихающих между собой срачей) не корректно ибо дед и внук... даже с i8085 не корректно ибо считай папаша z80.
АС
17:17
Алексей Сугоняев
In reply to this message
Интересная штука, компиляторы ЯВУ под неё есть?
З
17:46
Заказчик Мультикарта Белорусь ²
In reply to this message
судя по документации нет
ВК
17:49
Владимир Кузнецов
In reply to this message
Это про какие команды недокументированные?
L
18:44
LeoN
In reply to this message
"Вот те здрасьте...", внешняя шина данных 8-битная, но в режиме x86 он всё-таки является 16-битным! Одной инструкцией умеет 16-битные данные обрабатывать!
18:45
Вот ещё вкуснее. Но, к сожалению, даташиты на него не гуглятся...
18:47
In reply to this message
Про процессор в Commodore ошибаешься! Посмотри про Commodore 128.
https://ru.wikipedia.org/wiki/Commodore_128
18:50
In reply to this message
Это втулено в него в 2 и 4 раза больше. А эффективное быстродействие во сколько раз больше соответственно? Ведь ему надо всё-таки делить память с видеоконтроллером...
Ю
18:51
Юрий Ларин
In reply to this message
Это нормально, если учесть, что там была поддержка 8088 (а не 8086).
L
18:52
LeoN
In reply to this message
Не то! Это V30, с 16-битной (внешней) шиной данных.
😢
З
Ю
18:54
Юрий Ларин
Это то.
Ю
18:54
Юрий Ларин
Ю
Юрий Ларин 12.04.2023 22:12:59
О! На али нашёл его -- можно начинать собирать Вектор...))
https://m.aliexpress.ru/item/1005005298896327.html
r
18:55
reddie
In reply to this message
если вк по уму сделан - тормоза будут или минимальные (как у спектрумов с общим полем), или вообще без вейтов
VD
18:56
Vsevolod Dziuba-Tigrov
In reply to this message
Кому-то так прям нужен был тот Zilog что впихнули в машину в которой он не нужен
18:57
In reply to this message
а смысл уже есть Турбо+ на Zilog
Ю
19:01
Юрий Ларин
In reply to this message
Тоже могу сказать: "а смысл, уже есть PC на Core i9 9900..."
Смысл всегда есть.
VD
19:02
Vsevolod Dziuba-Tigrov
In reply to this message
Потому, что Турбо+ мало того что корнями из начала 90-х то бишь того времени
19:02
так ещё и имеет такие характеристики что лучше вряд ли сделаем
Ю
19:04
Юрий Ларин
V20 корнями тоже из тех лет. И не останавливаться на достигнутом -- это нормально.
🔥
ДД
VD
19:04
Vsevolod Dziuba-Tigrov
если бы не zilog этот компьютер можно было бы выдавать за Амигу.
19:05
Музыка AY
19:05
1 мб ОЗУ
19:05
можно как я понял и 2
19:05
куча цветов
19:05
и разрешений
19:05
12 мгц
19:05
тактовая частота
Ю
19:05
Юрий Ларин
Но в нём нет V20. 😁
🔥
ДД
VD
19:06
Vsevolod Dziuba-Tigrov
Вот честно я не понимаю смысла сейчас в этом
19:09
Если бы не было Турбо+ можно было начать строить
19:10
а так уже есть крутой компьютер с живым разработчиком который над ним ещё и работает
Ю
19:11
Юрий Ларин
Характеристики Турбо+ просто запредельны, но я видел его схему, и она не идеальна, можно кое-что и улучшить, поэтому смысл есть думать дальше, над Турбо-Турбо+, или подобном.
👍
ДД
VD
19:12
Vsevolod Dziuba-Tigrov
In reply to this message
Я не видел схемы а что там не так?
Ю
19:12
Юрий Ларин
И живой разработчик, думаю, продолжит улучшения.
L
19:12
LeoN
In reply to this message
"над Турбо-Турбо+"
Не так. Надо "над Турбо++". 😉
Ю
19:13
Юрий Ларин
In reply to this message
Не хочу повторять... Владимир в курсе, я с ним общался по схеме.
19:15
In reply to this message
АрхиСуперГигаМегаТурбо+++.))
r
19:40
reddie
как уже ранее писали, крутость того или иного компа не в крутости, а в распространенности и наличии софта
👍
Ю
VD
19:41
Vsevolod Dziuba-Tigrov
Когда есть совместимость со старым железом
19:41
то соответственно и софт есть
r
19:41
reddie
новое железо мало сделать, оно должно пойти в массы, а без софта под новые фишки это будет трудновато))
19:42
совместимость да, это плюс
ДД
19:58
Денис सेवक सेवकाः Динанатх Гопал Дас
Вот тут как раз и есть, то о чем я недавно узнал... То что V20 может работать c кодом 8080... Я щупал V20 - это нечто, с ним Поиск 1 со всеми своими "ущербами" и стандартной частотой почти догоняет 8086 с частотой 10 мГц. На этом же Поиске прекрасно работает Win3.0. Некоторые операции типа деления и умножения решены аппаратно в отличии от 8086 - там они многократным сложением и вычитанием делаются... В общем, если реально этот камень сможет рабоать с кодом Вектора - это реально будет мегавектор а не просто турбо+... Но это уже должна быть серьезная машина, отличающаяся от Вектора примерно как Эппл Макинтош технологически отличался от Эппл ][. То есть, нужно использовать статическую память, мелкую логику закинуть в плис, сразу часы реального времени, возможно реализовать какие то слоты, не думаю что понадобится ПУ и ВУ - все что в них вставлялось можно сразу расположить на плате, если это необходимо.
👍
З
Ю
20:00
Тут круто было бы найти, как то натыкался - многозадачная оконная система на ассемблере... Она для PC была написана и работала с дисекты, на которую вся помещалась ))
20:00
Я бы с удовольствием в таком проекте поучавствовал.
20:01
И вообще, на такую железяку можно было бы даже линукса какие ньть старенькие откомпилить, и даже с иксами...
20:04
И все это может быть совместимо и с вектором... не через эмоляцию а прям реально.
20:05
Это продолжение того, что планировали разработчики вектора, правдо они планировали двухпроцессорную машину, не знали про V20. Уверен, они бы заинтересовались.
Д
20:08
Дмитрий Ретро Вектор
In reply to this message
АС
20:14
Алексей Сугоняев
In reply to this message
Если вопрос стоит настолько ребром - мол новый ЦПУ так почему тогда не ПЛИС с 8080 с блекджеком и щлюхами, с блоком FPU и векторным вычислителем?
👍
P
А
20:17
Алексей Шевцов
In reply to this message
Минимальные системные требования КолибриОС:
* CPU 5x86: Pentium I, AMD или Cyrix без MMX с частотой 90 MHz
* RAM: 8 Mb
* Видеокарта: поддерживающая VGA (режим 640*480*16) или VESA
* Клавиатура: AT
* Мышь: COM, PS/2 или USB
VD
20:20
Vsevolod Dziuba-Tigrov
In reply to this message
Может мелкой все таки обойтись? У нас проблема ПЛМ в Неоне на ПЛИСы заменить, а вы про Вектор
ДД
20:20
Денис सेवक सेवकाः Динанатх Гопал Дас
In reply to this message
Там исходники есть же, драйвер видеокарты, ... в целом 8 мб это не много совсем, у меня в Bananapi одна маленькая микросхема на 512мб. Система оптимизирована под X86, а если так, то выкинув лишнее можно получить норм. систему для V20.
VD
20:22
Vsevolod Dziuba-Tigrov
Хочется чтоб это все таки был Вектор а не PC. Но при этом можно было бы относительно безболезненно с MS-DOS игры перетащить
А
20:22
Алексей Шевцов
Да она под х86. Я ей пользовался. Ставил на древние компьютеры, когда из них нужно было "Терминал для Интернета" сделать.
ДД
20:23
Денис सेवक सेवकाः Динанатх Гопал Дас
In reply to this message
Одно дело заменить то что уже есть, а дугое разрабатывать машинку с нуля. Это дев разные разницы.
20:24
In reply to this message
Дак вектор давно есть, выпускается с 1998 года прям серийно, можно купить просто и все.
VD
20:24
Vsevolod Dziuba-Tigrov
In reply to this message
То есть вы хотите построить Платформу которая будет и дружить с отечественными 8 битками и чтоб легко было портировать с ms-dos железо? Чтоб 8080 и 8086 использовать так же удобно?
20:25
In reply to this message
Не понял вас
ДД
20:26
Денис सेवक सेवकाः Динанатх Гопал Дас
In reply to this message
Вы же хотите Вектор, ничего изобретать не нужно, они до сих пор время от времени на авито мелькают, настоящие векторы.
VD
20:28
Vsevolod Dziuba-Tigrov
In reply to this message
Я хотел сделать платформу на базе вектора которая будет 16 битной но иметь совместимость с отечественными 8 битками
20:28
Во всяком случае из вектора мне кажется лучше всего
20:28
Делать такой компьютер
20:28
Так как у самого вектора продвинутый видеоадаптер
20:28
+ большая библиотека программ
ДД
20:28
Денис सेवक सेवकाः Динанатх Гопал Дас
Платформа которая может стать переходным или начальным переходным звеном для разработки следующец платформы, которая в целом в последствии может стать национальной, и будет реально иметь советские корни а не китайские и американские...
VD
20:28
Vsevolod Dziuba-Tigrov
Среди наших отечественных 8 биток
L
20:28
LeoN
In reply to this message
Это утопия...
VD
20:29
Vsevolod Dziuba-Tigrov
In reply to this message
Ну хотя бы с вектором чтоб больше всего софта среди 8 биток было
20:30
В идеале библиотека софта Вектора и Корвета может каких-то других платформ вместо Корвета
ДД
20:34
Денис सेवक सेवकाः Динанатх Гопал Дас
То есть... Недавно я разбирал крутую видеокамеру, японскую, которой 12 лет... Я сначала удивлялся, как так можно было взять и сделать... Но потом по моделям посмотрел, и понял, что эта видеокамера является плодом неприрывного производственного цикла длинною лет в 40... И я понял, что не пройдя весь этот цикл никто и никогда не сделал бы такое устройство. Не пройдя весь этот цикл мы не сможем возродить Советские компьютеры, Советскую электронную промышленность. Но мы можеи ускорить этот цикл в следствии появления доступных инструментов и программныхм продуктов. ... Мы можем сделать что то стоящее, но нужно пройти весь цикл от туда на чем прервали процесс нашего развития.
20:36
И нада шагать дальше...
VD
20:38
Vsevolod Dziuba-Tigrov
In reply to this message
Ну давайте сотрудничать, я нашел человека который хочет поженить рк-86 с pc с помощью этого процессора
ДД
20:39
Денис सेवक सेवकाः Динанатх Гопал Дас
На РК 86 давно ставят V20.
VD
20:39
Vsevolod Dziuba-Tigrov
In reply to this message
Та не именно а качестве платы расширения для pc
А
20:40
Алексей Шевцов
In reply to this message
Это очень длинный путь.... Сейчас стране требуется быстрое развитие. Поэтому нужно писать по к процессорам Эльбрус, а не к 8080. Их не следует забывать, как и наработанный опыт. Но развивать сейчас эти платформы можно только лишь для собственного развития. Сейчас они уже прошлое.
VD
20:46
Vsevolod Dziuba-Tigrov
In reply to this message
Нужны литоргрфы. Ибо пол беды когда у вас нет софта под Эльбрусы. Проблема когда самих эльбрусоа нет
20:47
И если вам так не нравится, можно попробовать начать с Кроноса если речь идёт про попытку сделать актуальное что-то.
20:48
А если речь идёт ппо супер Вектор то и NEC v20 нам хватит
ДД
20:51
Денис सेवक सेवकाः Динанатх Гопал Дас
In reply to this message
Я немного по другому это вижу.. Эльбрус противоречив и дорог, Например если брать за основу китайский путь, то там только недавно какие то свои процессоы начали мелькать, а изначально это были произведенные не в Китае процессоры, но путь они проходили именно так. С ценой эльбруса вряд ли популярная машина получится. Эльбрус это гос. программа. и как и все гос. программы - эта тоже по большей части распил. Ну это мое мнение. Я говорю о другом, Можно использовать то что доступно и дешево. Армы и прочее. А с учетом того что в целом развитие всей этой индустрии последнте 15 лет тупо стоит на месте, можно догнать. И вот мы как раз этот путь проходим правильно в таких группках и чатах, мы изучаем советское наследие и из подручных средств идем по тому пути, по которому шли наши предшественники.
👍
Ю
VD
20:52
Vsevolod Dziuba-Tigrov
In reply to this message
А как вы считаете стоит ли развивать проект КРОНОС?
А
20:52
Алексей Шевцов
In reply to this message
Эльбрусы есть. За ними будущее - https://imaxai.ru/shop/brands/elbrus
Да, они очень дорогие пока, но и Вектор в своё время стоил как Цветной телевизор, а с принтером Электроника МС-6312, так вообще, ка пол автомобиля.
VD
20:52
Vsevolod Dziuba-Tigrov
Та я знаю я нахожусь в группе
20:53
Но цена определяющий фактор
ДД
20:53
Денис सेवक सेवकाः Динанатх Гопал Дас
In reply to this message
Я пока не знаю о чем речь.
VD
20:53
Vsevolod Dziuba-Tigrov
Как и тот факт что 16с уже года два как не могу начать выпускать серийно
20:53
In reply to this message
Вот
VD
20:53
Vsevolod Dziuba-Tigrov
VD
Vsevolod Dziuba-Tigrov 18.03.2023 15:22:58
ДД
20:58
Денис सेवक सेवकाः Динанатх Гопал Дас
Выпуск процессоров нужно брать на себя когда есть куда эти процессоры ставить. Эппл например прошли очень долгий путь, пока нашли возможность и средства создать свои процессоры.. До этого они по факту качественно делали неплохие машины по факту "из того то было"... С эльбрусом ситуация обратная, сначала впалили миллиарды в процессор, 90% растащили, потом все это обвешивается импортными чипами и получается PC совместимый с PC через встроенный в процессор эмулятор... )))
21:02
То есть, сейчас машину по классу убирающюю PC возможно и на армах сделать. Но нужно до этого дойти..Нужно пройти путь, который позволит сделать машину из "говна и палок" и с таким софтом.ю который на этих палках будет работать в определенном диапазоне задачь лучше чем pc.
А
21:02
Алексей Шевцов
In reply to this message
Да я против такого развития ничего не имею. Просто это долго, а выхлопа мало. Не пользуются широкие массы тем, что делается в таких группах...
Я уже 20 лет конструирую аппараты караоке на х86 и ARM. Но дальше 30-40 клубов, где они используются и штук 50 домашних аппаратов они так и не пошли, хотя я предлагал их выпускать серийно нескольким потенциальным инвесторам.
После изучения покупательского спроса - вердикт: аппарат должен стоить 3 000 - 5 000 руб. Тогда - да. А там ведь не только аппарат, а фонограмм сколько нужно сделать для этого. И делать постоянно.. Извините за оффтоп...
VD
21:10
Vsevolod Dziuba-Tigrov
In reply to this message
Хотя процессор и имеет перспективы. Но софт никак не годится к Эльбрусу. Мало того что он не адаптирован так ещё транслировать приходится процессору
АС
21:19
Алексей Сугоняев
In reply to this message
Эльбрусы делали и по нормам 90нм влияет это только на частоту, имею ввиду в Зеленограде делали
VD
21:19
Vsevolod Dziuba-Tigrov
In reply to this message
А соответственно и на производительность
АС
21:20
Алексей Сугоняев
In reply to this message
Кронос это Вы сейчас про транспьютер из Новосиба?
ДД
21:20
Денис सेवक सेवकाः Динанатх Гопал Дас
In reply to this message
Этот вопрос достаточно сложен. Возможно вот как раз то что мы думаем о выхлопе - все портит. Стив Возняк в целом был инженером от Бога, он не стремился к супер прибылям, не редко просто по просьбе рдузей или клубных коллег разрабатывал архитекруты просто из интереса, он горел этим. Но при этом разрабатывал калькуляторы за деньги на работе.
Выстрелили не калькуляторы, а Стив Джобс, который смог использовать "горение" Возняка для того чтобы заработать очень много. В целом, по этому поводу определенно сказать что то не реально. Но думаю, мало кто из сидящих на этом форуме мечтают о выхлопе, да и по большому счету выхлоп даже если и есть, он совсем мизерный.
VD
21:20
Vsevolod Dziuba-Tigrov
In reply to this message
Что такое транспьютер?
АС
21:21
Алексей Сугоняев
In reply to this message
Ну что ж и на производительность, значит и ПО нужно подтянуть к такому уровню производительности
VD
21:21
Vsevolod Dziuba-Tigrov
In reply to this message
А может лучше производства подтянуть помимо софта? Чтоб встретится где-то посередине?
21:22
In reply to this message
Ну это я знаю. Это про них но причем транспьютер?
21:22
Надо видео прочитать
АС
21:22
Алексей Сугоняев
In reply to this message
Не получится, как съехали с этой темы в 1991 на "мы все купим", так оно сейчас и есть
21:22
In reply to this message
Так Кроносы это транспьютеры
VD
21:23
Vsevolod Dziuba-Tigrov
In reply to this message
Я не понимаю термина
АС
21:23
Алексей Сугоняев
In reply to this message
Не забывайте что МЦСТ это еще и SPARC, собственно как и LEON у Китая, ЕМНИП
21:25
In reply to this message
матрица ядер обьедененная посредством колонок и столбцов, каждое ядро связано портом ВВ с правым, левым, верхним и нижним ядром, данные после обработки в одном из ядер сваливаются в нужный порт и текут по маршруту обработки
21:25
In reply to this message
собственно от "транспортировать" он и называется транспьютер, вычисляет путем обработки и перемещения данных
16 April 2023
L
11:02
LeoN
Комрады!
Кто-нибудь имеет опыт работы с дизассемблером "Binary Ninja"?

https://en.wikipedia.org/wiki/Binary_Ninja
20 April 2023
L
17:51
LeoN
3.5 " DD дискеты н-н-н-надо? 😉

"RPS MC 2 (DS, DD) - 650р"

https://www.avito.ru/moskva/kollektsionirovanie/diskety_razlichnye_2540557657
ВК
21:00
Владимир Кузнецов
Себе я уже купил. В коллекцию.
22 April 2023
L
07:24
LeoN
Комрады!
Кто-нибудь имеет опыт работы с дизассемблером "IDA Pro"?
Нужно дизассемблировать дамп прошивки монитора на процике M16C/62M, чтобы приучить его работать с нашими ретрокомпами.
Ю
12:15
Юрий Ларин
In reply to this message
С IDA я как-то баловался, лет тридцать назад. Туда, типа, загрузить бинарник, а он покажет её содержимое, в нужных мнемониках... 🙂 Но, насколько я понимаю, тут не дизассемблере надо разбираться, а в программировании конкретно этого процессора, иначе там ничего не поймёшь.
👍
A
24 April 2023
Георгий invited Георгий
1 May 2023
A
18:36
AKATLA
Извиняюсь за офтопик. Здравствуйте! Такой вопрос. А никто не знаком с человеком который портировал "Exolon" на "Специалист" ? Может кто знает?
2 May 2023
NZ
16:36
Nikita Zimin
In reply to this message
Это же CityAceE делал, если я правильно помню
https://zx-pk.ru/threads/29991-exolon-dlya-pk-spetsialist.html
https://t.me/CityAceE
A
17:33
AKATLA
Спасибо, понял.
8 May 2023
L
07:44
LeoN
In reply to this message
У тебя опыт работы с идой есть? Процик M16C знаком?
Кое-чего раскопал. Но нужна помощь...
Ю
07:52
Юрий Ларин
In reply to this message
Опыт почти никакой и про М16С никогда не слышал ранее, т.е. помочь вряд ли чем-то смогу.
L
08:00
LeoN
Э-э-э-эх-х-х-х... Такую надежду "обломал"... 😉
08:07
А если бы попробовал, да получилось бы - дык, тебе не только вектористы, но и куча других олдскулеров ба-а-альшущее спасибо сказали бы!

Может попробуем вместе расковырять код?
L
08:31
LeoN
Кое-чего раскопал. Но есть "подводный камень", и не могу придумать, как ещё "зацепиться"...
Нужен "мозговой штурм". "Памаги-и-и-ите!" 😉
Ю
11:11
Юрий Ларин
In reply to this message
Чтобы начался "мозговой штурм" нужны исходные данные, условия задачи, над чем думать, плюс инфа, что накопал по теме, тогда может кто-то что-то вспомнит и подскажет.
L
11:17
LeoN
Вот расковырял часть кода функции сброса к заводским параметрам. Все разрешения, что он жуёт.
11:17
Он поддерживает PAL 700x575@50. Но как только в полном растре приходит меньше 581 строк, он выдает "Out of range".
Все вхождения 581 (0x245) и 580 (0x244) в коде нашёл, ни в одном случае эти байты не являются частью инструкций сравнения, только частично частью инструкций перехода и пересылки. Повторюсь, частично, то есть один байт в одной инструкции, другой - в другой.
И пока больше не могу придумать, "за что зацепиться". Нужна помощь, нужен "мозговой штурм". Есть у кого-либо еще идеи про зацепки?
11:19
"Светлая мысля" пришла. В режиме 640х350 вообще всего около 400 (явно меньше, чем 581) строк в полном растре. Значит должны быть таблички... Попробую покопать.
Ещё идеи есть?
11:24
Дамп прошивки н-н-н-надо? 😉
VP
12:44
Viktor Pykhonin
In reply to this message
Режим VGA 640*350 по таймингам совпадает с 640*400, просто больше строк растра сверху и снизу не используются. А так всего 449.
http://www.tinyvga.com/vga-timing/640x350@70Hz
👍
L
Ю
13:01
Юрий Ларин
In reply to this message
Есть предположение, что "out of range" выдаётся не по количеству строк, а по предельной частоте строчных синхроимпульсов, возможно в прошивке следует поискать, где эти параметры проверяются.
👍
L
L
13:21
LeoN
In reply to this message
"а по предельной частоте строчных синхроимпульсов, возможно в прошивке следует поискать, где эти параметры проверяются."
У-у-у-у... Ещё более неопределённо... Что именно искать? Какие значения байтов/слов?...
Ю
13:24
Юрий Ларин
In reply to this message
Тут нужно искать, где проверяются характеристики входного сигнала... А если по байтам, то надо знать (или измерить) частоту ССИ сигнала при 700х581.
👍
А
L
13:25
LeoN
Вот дамп.
".bin" лежит в адресном пространстве процика 0xC0000-0xFFFFF, актуальны последние 128КБ, то есть 0xE0000-0xFFFFF.
".mot" - это мотороловский аналог интеловского ".hex", через импорт в "HxD" сразу правильно кажет.
13:31
In reply to this message
1. Полный растр в PAL 864x625. Страница 2-21 в сервис-мануале. И там ещё дважды презеты дальше.

2. Даже если я измерю осликом частоту СС, это будет в килогерцах. А в прошивке это в каких попугаях обкашливается?...
13 May 2023
AVG2 invited AVG2
14 May 2023
L
07:50
LeoN
Кому-нибудь нужна "на опыты" двухпортовка IDT70V631?

Можно на ней сбацать ТурбоВектор, и даже СуперТурбоВектор.
17 May 2023
22:43
дорого-богато
18 May 2023
Winni invited Winni
W
01:46
Winni
In reply to this message
А мне вот вектор не понравился…
W
02:27
Winni
По играм это порты со Спектрума и MSX и чутка своего по типу как на БК0010-01, но на БК всё-таки всего больше.
02:29
Если у кого конечно был Вектор, то ясно, ностальгия все дела. У меня увы, только из наших был БК0010-01, не считая кучи спектрумов, но это уже по сути синклер нашей сборки, так что не в счёт
MS
02:54
Mike Sh
In reply to this message
Это БК - "Синклер нашей сборки"?
W
02:55
Winni
In reply to this message
Не, БК - это БК0010-01, а Синклер, это синклер! 😉
02:59
Все наши спектрумы - это суть синклер, но из говна и палок! Если разговор про старые из 90-х… я вобще уважают оригиналы и zx-evolution сейчас, ну и как бывшие когда-то дельта с и пентагон 128.
03:01
кворум вот не понравился, синтез тоже, ну и ещё один чисто нашего местного производства, там на основе ленинграда
03:01
Всякие современные Speccy 2007 и подобные тоже в топку
W
03:21
Winni
А что такое Вектор я не понял, уныло что нет бейсика, ну грузится конечно своеобразно, на экране видно все, где не упакованы картинки в верхнем левом углу мелькают. Так-то по сути самая крутая из доступных в совке железок, но у наших краях я их не видел никогда. И не помню, чтоб на него можно было программы купить или записать, для бк0010-01 и Спектрума ну ещё Радио86РК продавали как готовые кассеты (в том числе и в магазинах), так и можно было со списков на стене сделать подборку и записать на свою или их кассету.
03:22
Хотя так-то второй после БК0010-01 комп вроде как по объемам производства, но по цене дороговат, на сотку дороже БК0010-01
ДД
07:25
Денис सेवक सेवकाः Динанатх Гопал Дас
Меня очень вдохновило в свое время что в векторе нет бейсика встроенного, и в противовес 8 языков программирования можно загрузить. Я тогда много читал про проф. компы, типа Dec и IBM и было четкое понимание что у профи машины нету никаких бейсиков, только загрузчик... Это был первый плюс, благодаря которому имеющийся у меня спек продался на радиорынке и купился вектор. А вторая причина это разрешение, 512х256 при 4х цветах из 256 возможных... Тогда у меня это даже в голове не укладывалось... Игры меня даже и вообще не интересовали ))))
r
07:25
reddie
In reply to this message
а какая разница между 2007 и Эвой? По сути - никакой. Почему ж тогда "уважаем Эву" а "2007 фтопку"?
07:26
какой-то избирательный у вас подход ...
07:29
Вектор же, как раз из-за отсутствия Бейсика и прочей шелухи в ПЗУ, предоставляет больше возможностей программистам, поскольку все ОЗУ в распоряжении
W
07:30
Winni
In reply to this message
А меня интересовала поддержка, паять что-то, программировать, играть. Для Спектрума было много всего. В принципе Инфоком в бумажном вполне удовлетворял голод, ну потом ещё электронные Спектрофон и Питерский zx-format
r
07:30
reddie
Ну и графические возможности Вектора превосходят как БК, так и Спектрум
07:31
Паять можно на любой платформе, не вижу проблемы))
07:31
и как раз на Эве не особо плпаяешь, там нет рассыпухи 😁
W
07:32
Winni
In reply to this message
Большущая! Eva - Спектрум, ATM-Turbo2 с CP/M и ещё TS конфа. Вобщем три системы в одной, ну и все в одном и при желании спокойно расширяется
07:32
In reply to this message
Почему? Накупил плат расширения и хоть запаяйся!!! 😉😂
07:34
In reply to this message
Так и делаю, без этого никак. Недавно паял доп память для Amiga 600, вчера скарт для Atari ST. Ретро оно без паяльника вобще никак ☝️🤣🤣🤣
07:36
Но самое главное в Спектруме в 90-х, это куча софта, игр, журналов и тусовка! Собирались в выходные, тусили. Даже БК такого не было, так только у одного двух знакомых-друзей было и все… уныло
r
07:37
reddie
тут, скорее, зависит от региона и даже города. у БКашников тоже были свои клубы и даже "демопати"
W
07:38
Winni
In reply to this message
Возможно, у нас Спек был. Ну и это не клуб, а больше стихийная тусовка, собирался народ человек 20-30. бывало и больше и тусили.
07:39
Клуб так сказать был с БК0010-01, но это не то
r
07:40
reddie
но в целом, конечно, спектрум по количеству софта превзошел всех на голову. одно маленькое НО: спек пришел к нам в страну уже с готовым морем софта, причем халявного. что и зарешало в итоге
07:40
Без софта он бы стал просто еще одним нишевым умтррйством, вот и все
W
07:40
Winni
In reply to this message
Конечно, поэтому все наши поделки сразу за пояс закинул.
07:41
Вот сколько игр на Векторе оригинальных?!
07:41
На БК в разы больше же!
07:44
Разрешение, цвета, память, звук это конечно хорошо. Но поддержки считай никакой. И самое главное, это просто кошмарная клавиатура!!!
07:44
Идея то хорошая, но реализовано и поддержано все это та три с минусом ☝️😎
07:45
Если бы не порты с того же Спектрума и MSX, то вобще было бы уныло
r
07:45
reddie
Справедливосьи ради, клавиатуту спектрума многие тоже ругают. Особенно пресловутыеюц набор в Бейсике через токены
W
07:47
Winni
In reply to this message
Дело привычки, но даже на дельте с первой она была хоть и хлам, но до сих пор работает. У наших у всех клава сделана через одно место ((
r
07:47
reddie
или, скажем, курсорные стрелки на улучшенной клаве: вот какой, извините, дурак додумался спроектировать/сделать их по разным сторонам?? влево+вправо с одной, вверх+вниз с другой... думаю, никто не будет оспаривать, что единый курсорный блок намного лучше
W
07:47
Winni
In reply to this message
Конда привык, то это удобно, да и Бейсиком не долго пользовался, ну и в 128 там все норм
r
07:48
reddie
И это же убогое решение аотом скопировали и в Дельте
КV
07:48
Коте (Сторож) Videogames Sematary Security Service
На комоде курсор ещё веселее
W
07:48
Winni
In reply to this message
Это от реализации зависит, на наших клонах было по всякому… их было столько, что можно было выбрать какая больше нравится
r
07:50
reddie
Возвращаясь к Эве - у нее вообще своей клавы нет)) по сути, это даже не готовый комп, а голая плата. Корпус и клаву, будьте добры, ищите сами
07:50
Ну ладно, что-то совсем от Вектора отошли
КV
07:50
Коте (Сторож) Videogames Sematary Security Service
In reply to this message
ПК кстати тоже
r
07:51
reddie
In reply to this message
как раз у ПЦ есть "своя" клавиатура. ее же и протащили в Эву
КV
07:52
Коте (Сторож) Videogames Sematary Security Service
In reply to this message
Нет. Там плата. Корпус купи, Клаву купи
r
07:52
reddie
Вектор схож с оригинальным Спеком в том плане, что это тоже "моноблок", законченное устройство с копрусом и клавиатурой
W
07:53
Winni
In reply to this message
Знаю, там две кнопки, и надо нажимать ещё одну. Но для игр там всегда джойстик используется. Только и он без стандарта, порты когда как 🤣🤣🤣
07:53
In reply to this message
Норм, корпус мелкий и клаву любую
r
07:54
reddie
In reply to this message
Поэтому у нее и нет своей индивидуальности
W
07:54
Winni
In reply to this message
Как и с кучей других подобных домашних 80-х годов 😉
07:55
In reply to this message
Ну бери ZX-Next
r
07:55
reddie
мне и Скорпа хватает))
W
07:56
Winni
Скорп старый вобше собирали в блоке диководов и бп от другого! 🤣
r
07:56
reddie
у него корпус тоже не свой, зато хоть клава имелась)
КV
07:57
Коте (Сторож) Videogames Sematary Security Service
In reply to this message
ну в основном второй порт все-таки
W
07:57
Winni
В 90-х все спеки собирали в чем придётся! Причём я видел даже в корпусе от магнитофона ))
КV
07:58
Коте (Сторож) Videogames Sematary Security Service
In reply to this message
у каждого скорпа своя клава)))
W
07:58
Winni
Пентагон был всё-таки стандарт!
07:59
Многие владельцы скорпа жаловались, да в нете есть видос по этому поводу 🤣
КV
07:59
Коте (Сторож) Videogames Sematary Security Service
отдельная доступная клава — это плюс, который все пытаются упорно записать в минус, а потом колхозят как могут, когда сдохнет клава у их компа с индивидуальностью
08:00
W
08:01
Winni
In reply to this message
Минус наверное был в том, чем она соединялась. Надёжность вероятно страдала. Я не пользовался, были только по типу «клава»
КV
08:01
Коте (Сторож) Videogames Sematary Security Service
In reply to this message
я про то, что у Эвы нету клавы)
W
08:09
Winni
In reply to this message
Как нет? Подцепил любую PS/2, хоть самодельную на свичах.
КV
08:10
Коте (Сторож) Videogames Sematary Security Service
In reply to this message
W
08:10
Winni
Я купил компактную себе, там все норм, минимум лишних кнопок!
08:11
In reply to this message
Конструктор это, можно вобще плату и детали. Делаешь себе что хочешь! Это хорошо!
08:12
Вот стандартная конечно 100+ кнопок не сильно подходит к Эве как по мне
08:13
А без цифрового блока вполне норм, там можно выбрать какую хочешь
08:13
Не чем не хуже Клава от скорпа, да даже лучше, причём даже самый Китай ☝️🤣
08:14
Поэтому для меня это клава для Эвы и точка☝️😂😂😂
08:15
Можно надпись сделать специальную на ней ещё ☝️🥲
КV
08:16
Коте (Сторож) Videogames Sematary Security Service
In reply to this message
а мне нравится. у меня как раз большая классическая
W
08:17
Winni
In reply to this message
Не, это слишком пахнет IBM PC, я такое не понимаю, но это дело вкуса конечно
КV
08:18
Коте (Сторож) Videogames Sematary Security Service
W
08:18
Winni
А такая даёт вот эту самую индивидуальность ☝️😂👍
08:19
Выходит прям клава для Evo 😉
08:21
08:21
Хоть вот такая. Курсор тут все верно хоть ))
08:22
Такая вобше рублей 200 раньше была
08:24
Ну и Evo в самый мелкий корпус, чтоб только плата влезла и SFX блок, ну и место под флоп 3.5 было и корзинка над платой под жёстак если надо.
08:26
Тогда вполне все норм. А когда суют в стандартный ATX или mATX корпус… уныло и никакой индивидуальности ☝️😉
ДД
08:40
Денис सेवक सेवकाः Динанатх Гопал Дас
In reply to this message
кошмарная была емкостная, а герконовой на мой взгляд до сих пор нет равных...
W
08:40
Winni
In reply to this message
Где ее найти!!! Большая часть на поролоне и фольге ☝️😉
08:42
Моя так вобще никакой реакции не было, вся в труху, компом и не пользовались
ДД
08:42
Денис सेवक सेवकाः Динанатх Гопал Дас
In reply to this message
По мне так вообще игры это не показатель качества платформы, наоборот, Спек как машина для делопроизводства, науки, бизнеса - абсолютный ноль, хотя бы из за 40 символов в строек текста, что делает документооборот на платформе невозможным...
👍
r
👎
MS
08:44
In reply to this message
Это ерунда, примерно равное количество выпускали. Кишенев и минск так и вообще только герконовые делал,.
08:45
In reply to this message
Понятное дело, паралон больше 10 лет не живет. Они все в труху... Но кто мешает переделать ?
W
08:49
Winni
In reply to this message
В is-dos делал все что надо! Печатал бумажки на дискеты, доя продажи ☝️😉
👍
MS
08:51
In reply to this message
Сейчас тяжело найти, все скупили… даже с БК0011М сейчас уже беда, да и 0010-01 с мягкой клавой тоже проблема. Особенно если не за 100 мульонов☝️😉
08:51
In reply to this message
Ну я переделал, но комп сам по себе мне скучен. Нет ностальгии, увы
ДД
08:52
Денис सेवक सेवकाः Динанатх Гопал Дас
In reply to this message
Я юзал из-дос... Шрифты кривые, иногда не понятные, а если еще и принтер матричный не особо качественный - вообще ничего не понятно. На векторе я печатал курсовые и лаьораторные для универа, и все прокатывало, на СМ6337.... С издосовскими шрифтами меня бы послали преподы )))