7 August 2022
A
16:07
AKATLA
Всем привет! Я теперь в группе!
ДД
16:07
Денис सेवक सेवकाः Динанатх Гопал Дас
Доброго времени ! ))
ДД
16:31
Денис सेवक सेवकाः Динанатх Гопал Дас
Пока в группе не много людей, но я еще вечером пораскидую ссылки по друзьям вектористам. А то как то непорядок получается, Групы есть по многим компьюьерам, а по настоящей легенде, по компьютеру с самой крутой графкой из советских машин нету.... Непорядок )
Если есть друзья Вектористы, пишите, приглашайте !!!! ;)
JM
17:01
John Merlyn
Всем добрый день. Спасибо за чат (и за посылочку Денису, на днях потестим). А Lafromm31 у кого-то есть в контактах?)
МШ
17:02
Маша Шаркова
Дратути
A
17:07
AKATLA
👍
ДД
17:14
Денис सेवक सेवकाः Динанатх Гопал Дас
Добрый ! Рад приветствовать !!!
👏
МШ
VG
17:25
Vladislav Gasanov
Всем привет! Имеются в коллекции обе модели Вектора.
17:25
Denis Питер РетроПК
In reply to this message
Обе из четырёх?
17:25
;-)
17:26
Ну если не считать 6128, то трёх
VG
17:27
Vladislav Gasanov
Ого! Их аж четыре! Я думал только две (с разным расположением портов).
17:27
Denis Питер РетроПК
Ну формально 06ц, 06ц01, 06ц02
17:28
Хотя я бы и 6128 вектором называл
ДД
17:29
Денис सेवक सेवकाः Динанатх Гопал Дас
Приветы !!
У меня тоже оба вектора в наличии ! 06Ц01 и 06Ц02, знаю о 6128, а кто чевертый ? Ну теоретически могу предположить что это "вектор турбо" ... Или может тот вектор, который планировался Темиразовым - с двумя процессорами, 8080 и 8086 ? Но тот вроде до прототипа не дошел даже...
17:29
Denis Питер РетроПК
In reply to this message
Был ещё просто 06ц, до деления на 01 и 02
ДД
17:30
Денис सेवक सेवकाः Динанатх Гопал Дас
А в целом, 06ц - это и есть 06ц01, они практически не отличаются, может несколькими соплями на плате... А вот 06цо2 - это уже дргая машина можно сказать. Ну по крайней мере на другой элементной базе ))
17:30
Denis Питер РетроПК
И был ещё Вектор-XT, у кишиневских коллег есть живой экземпляр
17:31
In reply to this message
И чем там база другая? Процессор другой или озу другие?
ДД
17:32
Денис सेवक सेवकाः Динанатх Гопал Дас
In reply to this message
Вот, да, я про него и говорю, это следующее поколение которое Темиразов планировал на смену, то есть он вроде как IBM совместимый, но для братной совместимости там был вм80А в составе.
17:32
Denis Питер РетроПК
Не, там вроде чисто XT
ДД
17:33
Денис सेवक सेवकाः Динанатх Гопал Дас
Интересно ))
VG
17:33
Vladislav Gasanov
In reply to this message
А есть инфа про него где-то? Может схемы? Дампы? Интересно было бы собрать.
17:34
Denis Питер РетроПК
Фото были в сети
ДД
17:39
Денис सेवक सेवकाः Динанатх Гопал Дас
Мне было бы интересно собрать вектор в котором и 8086 и 8080.. Но по моей информации там не дошло дело до прототиапа даже... Печально конечно, но увы..
ДД
19:14
Денис सेवक सेवकाः Динанатх Гопал Дас
Приветствую !!!
L
19:15
LeoN
Салам.
КV
19:15
Коте (Сторож) Videogames Sematary Security Service
Шалом
ДД
19:15
Денис सेवक सेवकाः Динанатх Гопал Дас
Так случилось, что я расылал приглашения в некоторых случаях с неправильной ссылкой....
Ссылка теперь такая : https://t.me/VECTOR_06C . Думаю больше не поменяется. Прошу меня простить.
AB
19:27
Alex Bel
Прювет.
19:27
Ща по мультикарте поищу инфу...
AB
19:34
Alex Bel
Не, с ходу на форуме не нашёл. Есть у кого ссылка на тему?
ДД
19:44
Денис सेवक सेवकाः Динанатх Гопал Дас
Про мультикарту я немного писал в теме про комбодевайс. Основные описания на балахолке ZX-PK есть, есть на авито. Темы на ZX-PK отдельной нет.
AB
19:46
Alex Bel
А на барахолку ссылка есть под рукой?
MS
19:48
Mike Sh
Привет всем и тут! @electroscatnes - а почему в названии группы 01(02)? Были ещё какие-то Векторы? Если да, то группа их не хочет покрывать?
ДД
19:49
Денис सेवक सेवकाः Динанатх Гопал Дас
- версия 3.0

Вниманию владельцев ВЕКТОР 06 Ц 02 !!! Наконец то найдена причина неработоспособности мультикарты на 06Ц02. НА данный момент изменяется топология платы контроллера, для добавления на плату еще одной 20 PIN DIP микросхемы. Уже прошли испытания макета,.. версия 3.0 уже есть рабочая, правда в 2х экземпляраз на плате ручной работы.

- версии 0.2.


Контроллер MULTICARD 0.2 - сильно доработанная версия Комбодевайс (Combodevice).

1. На борту сразу два квазидиска (С:256кб+D:256кб),
2. Оба квазидиска НЕ теряют информацию при отключении питания, есть встроенная батарея для автономного питания, и микросхема мультивайзер, управляющая режимом памяти квазидисков. Можно записать на оба квазидиска любимые программы и операционную систему, загрузка при включении питания будет моментальной и программы сразу в доступе, на порядок быстрее чем с дисковода и немного быстрее чем с SSD жесткого диска.
3. Исправлены все недоработки по FDD, диск форматируется, ошибок при форматировании нет.
4. Исправлены все ошибки с HDD, работают любые HDD, с недавно патченными операционными системами (OS-T72HL, FH51-LBA FH52-HL, РДС-3.2 и. т.д. ) Вектор видит до 8 ГБ пространства на HDD без заворотов и испорченной информации.
5. Исправлена ошибка в прошивке ПЛИС по переделке Баркаря (см. далее).

Так же доработаны все встроенные узлы и элементы, исправлены ряд ошибок, не нужно в общем с бубном плясать чтобы заработал HDD или начал форматировать флоповод, все проверенное, доработанное и настроенное. Не требует подведения дополнительного питания (подпайки 12 в на свободный контакт разъема "ВУ", питается только от 5 в, которые берет с разъема "ВУ").

Это вот описание мультикарт...
19:50
AB
19:51
Alex Bel
А память DS1250Y устанавливается?
ДД
19:51
Денис सेवक सेवकाः Динанатх Гопал Дас
Белый - последний вриант. Желтый - средний. Синий - первый, он же макет третьей, там на обратной стороне залитая эпоксидкой недостающая до совместимости с 06Ц02 микросхема.
19:52
Память такая же как и в комбодевайсе, K6T4008C1B, только для управления еще драйвер всунут 1210, для работы от батареи.
AB
19:53
Alex Bel
А к контроллеру дисковода +12В подводится?
19:54
А, вижу - вроде на фото есть.
ДД
19:55
Денис सेवक सेवकाः Динанатх Гопал Дас
В последней версии там DC/DC преобразователь впаивается, опционально. А в предидущих - 8877 стоит вместо ВГ93 - ей не нужно +12в.
AB
19:55
Alex Bel
Да, я разглядел сейчас. 8877 у меня нет.
ДД
19:56
Денис सेवक सेवकाः Динанатх Гопал Дас
https://zx-pk.com/forum/viewtopic.php?f=7&t=16548&p=156429#p156429 вот тема на барахоке, но она про первую версию, нада переделать...
19:56
можно ВГ93, на белой плате - там для стандартного DC/DC есть штырьки.
AB
19:56
Alex Bel
Так плат последней версии нет ещё, я правильно понял? Если она в одном экземпляре.
ДД
20:01
Денис सेवक सेवकाः Динанатх Гопал Дас
В двух. Да,. В понедельник закажу на тайвани. Не знаю, на сколько быстро прийдут... Предидущий заказ для контроллера 140к Агата застрял в Китае... Ну как нельзя назвать "застрял" - пока неделю только лежит на каком то Китайском складе ждет отправки. Надеюсь последние србытия на Тайвани не повлияют на доставку.
AB
20:02
Alex Bel
In reply to this message
Какая продажная цена будет?
ДД
20:04
Денис सेवक सेवकाः Динанатх Гопал Дас
Пока не могу сказать, последний из старых закуплк был 6500. Сейчас деталюхи вроде подешевели, а доставка подорожала, причем не пропорционально. Ну если и подорожает, то думаю не более чем на 1 тыр... Ну надеюсь по крайней мере, и предварительно пока так..
20:05
Можно плату с плисом просто преобресть, и самому собрать...
AB
20:06
Alex Bel
Я так и хочу. Скорее всего - просто плату, без ПЛИС. Впрочем, от цены зависит.
ДД
20:12
Денис सेवक सेवकाः Динанатх Гопал Дас
Прошивка от комбодевайса не подходит. А этой пока в свободном доступе нет. По этому предлагаю с плисом в комплекте. Думаю в районе 1000 - 1500 набор будет. В зависимости от цены плат.
AB
20:12
Alex Bel
Понятно.
ДД
20:14
Денис सेवक सेवकाः Динанатх Гопал Дас
В чипидип кстати мне такой плис даже без платы за 4 тыр. Предложили )))))
AB
20:14
Alex Bel
In reply to this message
А у меня свои есть
ДД
20:15
Денис सेवक सेवकाः Динанатх Гопал Дас
Пришлёте письмом, я прощью по дружески )))
20:16
Около 200р туда и обратно обойдётся.
AB
20:27
Alex Bel
Спасибо 🙂
20:40
Предварительно я участвую.
AB
21:07
Alex Bel
Я хотел собрать "Шадок", но он для меня слишком избыточен функционально
ДД
21:26
Денис सेवक सेवकाः Динанатх Гопал Дас
In reply to this message
Да, интересная штука. Я тоже думал о нем... точнее, думал, либо дорабатывать комбодевайс либо ждать когда заработает шадок... В итоге все таки решил не ждать. Ну и в целом, в мультикарте получилось развернуть свои таланты ))) чутка её допилить )
ДД
21:57
Денис सेवक सेवकाः Динанатх Гопал Дас
In reply to this message
В группе можно про любые Векторы. Но их было всего 2 - 06ц, 06ц01 (по сути это одно и то же, отличается парой перемычек (лёгкой паутиной) на плате, под некоторые переделки 06ц, переразвели плату, получился 06ц01, и 06ц02 это полностью переработанная версия 06ц01, на серии 1533 (06ц01 на 155). Из схемы выкинуты 155ре3, генератор решён на счётчика и триггерах. Чуть приближен к стандартам видеовыход и есть джампер на инверсию цветов. А ещё два порта для джойстиков. По таймингам не соответствует слегка 06ц01, но решаемо. По большому счету это все. Но были ещё разные околовекторы( вектор старт помоему, в целом то же самое но с сильно упрощенным видеоадаптером, думаю, с фиксированной палитрой) или поствекторы (6128), о них тоже кто чего знает, пишите, присылайте фото, может есть вопросы, велкам!
MS
22:00
Mike Sh
Для истории: была ещё родственная Вектору Криста-2.
ДД
22:01
Денис सेवक सेवकाः Динанатх Гопал Дас
Вот, я наверное про неё и говорил. Ни вектор старт, а криста 2...
MS
22:01
Mike Sh
Про видеовыход - а 02 легче подключается к монитору в плане кривизны синхры? Интересуют 32ВТЦ и всякие Sony PVM.
22:02
То есть: есть ли положительный опыт получения картинки на этих мониторах без доработки синхры (кроме, возможно, инверсии и чего-то простого типа уровней)?
ДД
22:04
Денис सेवक सेवकाः Динанатх Гопал Дас
Я все к gbs подключаю, так вот 06ц01 с общеизвестными переделками легко работает. А 06ц02 пока родных цветов не добился, хотя уже и повторитель по цветам и синхронизации налепил, и вырезал некоторые вредные моменты из формирования синхронизации, а все равно когда бордюр цветной, цвета могут не соответствовать. В общем, и у 06ц01 и у 06ц02 сигнал не айс...
MS
22:05
Mike Sh
На Кристе-2 вполне выход как на Векторе. Я очень хочу для этих двух машин сделать универсальный переходник для мониторов. Когда-то был такой проект как TvDoctor, но он сложный,, не рискну его настроить-отладить. Если кто-то с опытом схемотехническим взялся бы помочь мне (читай, Муромскому музею), я готов спаять плату по схеме, но не возьмусь отладить.
22:05
In reply to this message
А что за общеизвестные переделки?
ДД
22:08
Денис सेवक सेवकाः Динанатх Гопал Дас
От Svofsky. Там ещё одна микросхема добавляется. Удлинняется синхроимпульс и добавляется импульс порога на уровень чёрного.
22:08
Ла3 помоему вешается. Если надп пришлю ссылку.
ДД
22:59
Денис सेवक सेवकाः Динанатх Гопал Дас
In reply to this message
Кстати, исторически у меня на всех GBS82XX распаян вход стандарта вектор 06ц01. И теперь со всех компов кабель распаивается с одной стороны как на конкретной машине а с другой как на векторе )))..
22:59
23:01
23:01
Вот этот шланг. А в нем конденсаторы по цветам ещё электролитические...
23:02
Так что у меня все под стандарт 06ц01...
23:03
И даже 06ц02 имеет такой шнур, в котором с одной стороны стандарт 06ц02 (DIN7) а с другой 06ц01 (DIN5).
23:04
Это из репертуара, почему американские ракеты кратны по диаметру конским задницам ))))
👍
VG
8 August 2022
MS
00:40
Mike Sh
In reply to this message
Прикольно! В Музее мы все делаем под стандарт 32ВТЦ, он же БК 0010, даже в PVM впаиваю такие же DIN-5 (на самом деле СГ-5).
00:40
In reply to this message
А можете поделиться распиновкой Векторов?
ДД
00:55
Денис सेवक सेवकाः Динанатх Гопал Дас
In reply to this message
Да, конечно, сейчас.

Ктати я не ошибся, именно Вектор старт был. Смотрел его схему сейчас. Все прям очень похоже но вместо статической памяти программируемой палитры тупо Рт5 с фиксированными цветами...
00:57
А так - у него те же 4 банка памяти, не знаю, зачем ему это, наверное просто для совместимости, ибо как раз фишка 4х банков в том, что каждая плоскость экрана в своем банке находится у вектора, и можно отдельно плоскостями удобно управлять.
00:59
вот 06Ц01 с его распиновкой, удобно, цвета 1, 2, 3...
01:02
А вот 06Ц02. Уже не такая удобная распиновка на мой взгляд. Но для подключения по скарту есть сразу +12 и звук.
👍
A
01:04
Схема кстати сканированная от Вектора 06Ц02 - из японии пришла. Я пишусь с одним японцем, он на каком то аукционе прикупил 06Ц02 в состоянии только из магазина, даже запакованный был. ВОт я его попросил схему отсканить..
Жаль он даже на английском не понимает, только японский, он переводит на английский гуглом, а я уже частично понимаю, частично тоже через гугл,.. Если бы не эта проблема - я бы его сюда пригласил тоже ) Хотя, закину ссылку, может он присоединится тоже.
01:08
А еще сейчас заметил, что у вектора старт 1200 - нет скролинга, .. то есть получается, он вроде и совместим с вектором06Ц, но цвета будут непавильными и скролинг работать не будет.
MS
01:12
Mike Sh
Очень интересные распиновки видео - ни на что не похожие. Внесу в свою коллекцию.
ДД
01:12
Денис सेवक सेवकाः Динанатх Гопал Дас
В общем, вот список пред и пост векторов:

Вектор Старт-1200
«Вектор Старт-1200» продавался в виде конструктора. В ПЗУ был записан начальный загрузчик и монитор. Видеосистема «Старта-1200» позволяла выбрать одну из 32 возможных палитр цветов, произвольное программирование палитры не поддерживалось.

Криста-2
Компьютер «Криста-2» это предыдущая, промежуточная версия компьютера Вектор 06Ц. Отличительные особенности этого компьютера от «Вектор 06Ц»:

Центральный процессор работает на более низкой частоте, которая составляет 2,5 МГц.
Изображение формируемое компьютером на стандартом телевизоре не может быть отображено полностью по ширине.
Нет возможности изменять палитру цветов. У компьютера 16 фиксированных цветов.
Формат хранения программ на магнитной ленте с «Вектор 06Ц» несовместим.
Видеорежим высокого разрешения 512×256 несовместим. Отличается порядок расположения точек в байте.
Есть дополнительный видеорежим 1024×256.

ПК-6128Ц
В 1991г в г. Астрахань выпускалась модификация «Вектора-06Ц» под названием ПК-6128ц. Отличительные особенности :

Процессор: ИМ1821ВМ85А (аналог i8085), 3 МГц
ОЗУ: 128 КБ
ПЗУ: 16 КБ
Адаптер ЛВС со скоростью передачи 46 Кбод
Встроенный контроллер дисковода


Вектор Турбо+
был модернизацией заводского варианта «Вектор-06Ц» разрабатываемой в НПП «Интек» (г. Владимир). Доработка включала в себя установку процессора Z80 на частотах 3, 6 и 12 МГц, расширение ОЗУ до 1—2 МБ, улучшение характеристик видеоадаптера до максимального режима 1024×256 точек при 4 цветах, наличие системных часов, дисковода, клавиатуры IBM AT, контроллера прерываний. Был создан прототип, но серийное производство налажено не было.
ПП
01:55
Пётр Присылал Вектор на восстановление, оплатил изготовление плат.
Всем привет! Очень нужна была такая группа. Есть обе модели Векторов кишинёвского, минского, астраханского и волжского производств.
01:55
Какие ещё заводы производящие Вектор 06Ц вам известны?
ДД
01:59
Денис सेवक सेवकाः Динанатх Гопал Дас
В Кирове вроде делали. Я лично видел толкьо Кишенев, Минск и Астрахань. Сборка самая лучшая минская, там так все хорошо, аж даже пластик с изнанки металлизирован, как сейчас в нормальных ноутбуках. Кишеневские обильно лаком заливались ... Астраханские иногда были с глинянными конденсаторами вместо КМ... Сборка самая посредственная. Других не встречал.
ПП
02:05
Пётр Присылал Вектор на восстановление, оплатил изготовление плат.
Да, ещё кировский конечно, запамятовал :)
Минские самые качественные, это факт.
A
02:19
AKATLA
Врт мне наверное Минский и попался. Очень просто качественная плата.
ПП
02:35
Пётр Присылал Вектор на восстановление, оплатил изготовление плат.
In reply to this message
Такое лого завода должно быть на бирке с серийником. Завод МПОВТ
A
02:36
AKATLA
Нет, у меня только плата, я ее выкупил на Мешке после металлистов, практически не поврежденная.
02:36
Сейчас вот восстанавливаю.
ПП
02:36
Пётр Присылал Вектор на восстановление, оплатил изготовление плат.
Понял. Хорошее дело 👍
AB
06:40
Alex Bel
Может, есть смысл закрепить в теме ссылку на "Базис"? Тогда много вопросов отпадёт. http://sensi.org/scalar/
👍
NZ
ПП
A
06:52
AKATLA
Ага. Идея хорошая!
AB
06:54
Alex Bel
А, заодно, можно ссылку на "Прекрасм" закрепить: https://svofski.github.io/pretty-8080-assembler/
06:55
Можно для "Вектора" сразу писать и запускать.
ПП
07:03
Пётр Присылал Вектор на восстановление, оплатил изготовление плат.
v06c.ru - краткий линк на Базис
AB
07:03
Alex Bel
Или так
NZ
11:59
Nikita Zimin
NZ
Nikita Zimin 31.07.2022 14:02:18
В Asteroids для Вектор-06Ц вроде как исправил работу с Джойтик-П - проверил на эмуляторе и на MiSTer. Проверьте пожалуйста, если у кого есть такая возможность.
AB
12:02
Alex Bel
In reply to this message
Проверить - на реале?
NZ
12:03
Nikita Zimin
In reply to this message
Да. На эмуляторе проверено, но это не очень показательно.
AB
12:05
Alex Bel
In reply to this message
Постараюсь сегодня, если успею.
NZ
12:05
Nikita Zimin
Спасибо. Не срочно
AB
12:05
Alex Bel
Сейчас посмотрю, главное - чтобы всё для "Вектора" было, я давно его не включал...
JM
13:40
John Merlyn
Товарищи, возник вопрос. Сегодня пробовал свой вектор подключить по rgb к проф монитору jvc. Цвета есть, синхры нет, все мельтешит. Это популярная проблема с сигналом вектора? Продавец распаивал на компе какой-то (без подробностей) rgb-мод. Когда я вскрывал его для чистки, возле разъема выхода видео увидел кучу резисторов, распаянных кое-как. При подключении к жк-телевизору через китайский скейлер scart to hdmi все ок.
AB
14:12
Alex Bel
In reply to this message
Не зная характера переделки, трудно что-то сказать. Но у "Вектора" регулятор контрастности (или яркости, забыл уже, нужно схему смотреть) влияет на общий уровень видесигнала, что может сбивать с толку синхронизацию. Можно попробовать покрутить.
14:14
Вообще, у "вектора" видеосигнал несколько далёк от стандарта, поэтому не все дисплеи могут его понять. На zx-pk есть тема с доработкой-корректировкой таймингов синхронизации. Кроме того, есть приставка "ТВ-доктор" Алексея Морозова - она должна помочь в большинстве случаев.
ДД
15:22
Денис सेवक सेवकाः Динанатх Гопал Дас
In reply to this message
Мод по цветам это норм. Это инверсия цветовых сигналов, вектору 06ц01 это нужно.
15:24
Вместе с ним нужен мод по синхронизации, она у 06ц01 нестандартная. Редко какой девайс её вытягивает. Чуть позже я размещу основные ссылки на хорошие рессурсы. И этот мод тоже.
15:24
Пока не могу, по работе езжу.
15:27
In reply to this message
У меня векторы на готове всегда ))) А джойстик П это какой? У 06ц02 стандартные это П?
NZ
15:31
Nikita Zimin
In reply to this message
Джойстик П это тот что висит на ПУ. У 06ц02 это Джойстик С.
ДД
15:48
Денис सेवक सेवकाः Динанатх Гопал Дас
Понятно, где то видел распиновку. Если распаяю то попробую. Но вряд ли в ближайшее время :(
MS
15:54
Mike Sh
In reply to this message
Было бы очень круто, если кто-то, обладающий схемотехнической квалификацией, помог бы довести этот Tv Doctor до законченного продукта, чтобы любой мог спаять по схеме и он бы сразу заработал. Я готов профинансировать заказ плат в Китае, и спаять первую плату на макетке, купив все компоненты, чтобы кто-то взялся её отладить и после отладки развести плату. Говорят, что текущая доступная в сети схема в чистом виде может не заработать с интересующими нас машинами...
15:55
Ведь гораздо лучше уметь подключать к монитору любой Вектор, не перепаивая внутри машины. Его "кривой" видеовыход - часть истории.
ДД
16:18
Денис सेवक सेवकाः Динанатх Гопал Дас
In reply to this message
Вектор всегдв был с пепеделками, если вопрос в аутентичности, то тут как раз наоборот, вектор, на сколько я помню из собственного опыта как раз таки если работал, в нем было что то переделано обязательно. Даже 06ц02 приходилось добавлять эмитерные повторители и т.д. так что если вопрос в аутентичности аппарата, то тут как раз наоборот, аутентичность теряется если вектор без легкой паутины мгтфа на плате )))
16:20
В этом и была его фишка, как и многих других советских компьютеров, чтобы работать на ПК в СССР нужно сначала стать электроншиком, а потом программистом... )))
16:21
От сюда если в СССР человек был программистом, то это был программист, который сначала мог из подручных средств собрать ЭВМ а потом уже для неё написать софт. )))
👍
VG
З
16:24
И я вижу таком подходе огромный плюс... Сейчас компьютерный мастер - это человек отличающий pci от pci-e... по большому счету... за оооочень редким исключением ....
👍
VG
З
MS
16:32
Mike Sh
In reply to this message
Интересная идея. Надо подумать. Может быть, можно сделать в корпусе Вектора прозрачную вставку, и как-то подсветить доработку, чтобы все могли видеть, что она была нужна.
16:33
In reply to this message
Сейчас объём знаний и в программировании, и в схемотехнике очень вырос, и быть топовым специалистом и в том, и в другом, очень сложно. Я таких почти не знаю. Впрочем, это тут явный оффтоп.
ДД
16:34
Денис सेवक सेवकाः Динанатх Гопал Дас
У меня все снизу платы, кроме RGB.
MS
16:35
Mike Sh
In reply to this message
А что за доработки? Есть описание?
ДД
16:37
Денис सेवक सेवकाः Динанатх Гопал Дас
Вот как вектор ремонтировали, он на почти 70 копеек дороже становился )))
16:38
In reply to this message
Там антигудок, синхронизация, пзу на 64к (одна микросхема для разграничения адресного пространства) и автозапуск.
16:41
Антигудок и автозапуск есть на Базисе, правда автозапуск я чуть доработал, добавил туда RC для небольшой задержки, иначе когда рус -лат включен при сбросе - виснет. НО с RC есть зависимость от общей емкости конденсаторов по питанию, и иногда приходится подбирать конденсатор или резистор.
16:42
Это антигудок, самое простое. Нужен только для компов с герконовой клавиатурой.
AB
16:44
Alex Bel
In reply to this message
Со своей стороны, могу сказать, что сам лично этот "Доктор" повторял и он реально работает. У меня где-то плата лежит собранная. Какие-то несовпадения со схемой были, но подробностей уже не помню. С вопросами об этом обращался к автору, уже не помню, что он ответил и ответил ли, но закончилось тем, что возиться пришлось самому. Впрочем, особых сложностей не помню.
Понимаю, что этими строчками дал мало информации, но суть - эта схема реально работает и корректирует видеосигнал.
ДД
16:44
Денис सेवक सेवकाः Динанатх Гопал Дас
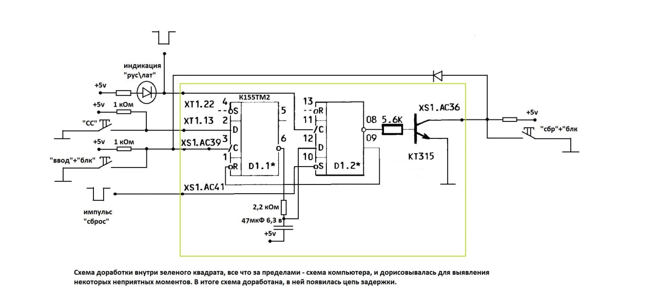
Это автозапуск, то что в зеленом квадрате это наепленно, за - это схема самого вектора.
16:46
#DORABOTKI
https://disk.yandex.ru/d/kuxsypitX0iABg а тут по видеосигналу доработки (внимание, тут для GBS82ХХ), но через скарт работает тоже.
И замена ПЗУ на 64К.
16:47
ВОт в целом все доработки, которые прям просит Вектор 06Ц01.
Юрий Ларин invited Юрий Ларин
AB
16:52
Alex Bel
Тв-доктор
👍
VG
ПК
ДД
ДД
16:52
Денис सेवक सेवकाः Динанатх Гопал Дас
Так же, если кто то решится ПЗУ загрузчика на 64К поставить, я собрал ПЗУ в котором есть две области, в первой ОСЬ - Т72 новая (с поддержкой LBA до 8 gb HDD), там же программа эффектов (работает по сигналу на магн. вход) и там же векторовский стандартный теттрис, а во втором банке (механическое переключение) находятся около 15 тестовых программ, включая тест устройств кишеневский, тест дождь, тест ТП, палитны,... и разные другие тесты. То есть переключившись на этот банк вектор можно протестировать по полной программе без каких либо доп. носителей.
Если кому такой загрузчик интересен, пишите, выкладу.
AB
16:56
Alex Bel
In reply to this message
Тогда я не буду заморачиваться, мне ещё для "Вектора" кабели искать...
ДД
16:56
Денис सेवक सेवकाः Динанатх Гопал Дас
In reply to this message
У меня нету джоя П. Да и С нету... ))
AB
16:57
Alex Bel
У меня - тоже. Но, хотя бы, проверить на реале
16:58
16:58
Мой "Вектор". Восстановлен после вандалов, клавиатура PS/2.
JM
16:59
John Merlyn
In reply to this message
Спасибо.) Крутить контраст пробовал, минимальный эффект есть, но все равно тряска. Пока что тогда перебьюсь со скейлером, а там вскрою и посмотрю предметно.)
16:59
In reply to this message
Спасибо.)
AB
16:59
Alex Bel
In reply to this message
Нужно найти на форуме тему, где схема синхронизации дорабатывалась. Я, с ходу, найти не смог, хотя сам там был и помогал в тестировании. Когда-то...
17:29
Думаю, тему с коррекцией СИ можно смотреть с десятой страницы...
AB
17:45
Alex Bel
Как будет "окно" в текущих делах - повожусь ещё с "доктором", постараюсь восстановить, что наделал там. Не обещаю, что скоро, а там - как получится. От настроения сильно зависит :)
JM
18:01
John Merlyn
L
18:02
LeoN
In reply to this message
О таком не слышал, и, уж тем более, никогда не видел. Во-о-от, куча МГТФ, уже похоже на "правильный спектрум"... 😉
ДД
18:48
Денис सेवक सेवकाः Динанатх Гопал Дас
In reply to this message
У меня вектор был в начале 90х. Достаточно долго, до 97г, в 97м собрал 5х86... и даже не смотря на то что это был 06ц02, в нем были моды. А внешне, ёлки на шлейфа для подключения квазидиска, контроллера дисковода, ау, и все это по столу.... это был просто большой пучек проводов к концу эксплуатации с кучей модов в том числе и на основной плате... Спектрум не спектрум, а официально модернизированные платы и какие то "елки" расширения в корпусах не выпускались, поэтому платы покупал у вектористов на радиорынке, а паял их к вектору сам... и не только у меня так было.. Было два типа вектористов вокруг, те у кого вектор подключённый к телику корявенько показует загрузчик, и иногда что то грузится с кассеты (обычно у таких позже спек с дисководом появлялся), и второй - это вот как раз у которых вектор превращается в пучек шлейфов,...
Ну это моё субъективное воспоминание, может где то по другому было.
👍
ПК
ДД
19:48
Денис सेवक सेवकाः Динанатх Гопал Дас
И если можно я чуть пофилософствую, с вашего позволения... Если сравнить пару разработчиков Вектора и Эппл. Тут контраст сильный ибо граждане Темиразов и Соколов были по предназначению электроншиками, и в их сознании, такие вещи как спаять шлейф, или распаять разьем - вообще не вызывали никаких эмоций, ну правда ведь, в сознании электронщика удивление вызывает когда кто то не умеет распаять шлейф или разьем... А вот команда разработчиков Эппл - там другое. Стив Возняк был гениальным инженером, и для него вообще проблемы не было за сутки по необходимым параметрам вычертить схему, а через неделю реализовать ее в железе, то Стив Джобс был как раз не особо понимающим в микросхемах, и в этом тандеме он как раз и был пользователем, который видел как бы это было удобным для простого человека, не умеющего паять.. От сюда и удобство западной техники, и необходимость держать паяльник в руках имея советский компьютер. НО во всем есть свои плюсы, очень хороших инженеров советская промышленность породила столько, что за 30 лет, даже не смотря на полный крах образования - они еще есть, и производится много чего стратегически важного только благодаря советскому радиопрому... Вот такие мысли.

У кого есть мысли на эту тему, велкам.
А если вдруг такие темы далее не интересны, тоже буду рад прекратить эти спекуляции ))))
👍
A
VG
ПК
4
З
19:51
Заказчик Мультикарта Белорусь ²
Кхм)))
19:57
Эххх.. И хочется разложить по-полочкам свои раскопки в области сравнения ВТ СССР и ВТ западного блока, в свете управляемого развала первого блока, но а смысл?... Никакого смысла... Один Пионтковский чего стоит... Принудительное насаждение (а как ещё этот процесс можно назвать!?) комплекта i8080 и т.д.
👍
ДД
19:59
Вектор с ёлочкой...) дадада...
ДД
20:04
Денис सेवक सेवकाः Динанатх Гопал Дас
Причем это совершенно аморфная конструкция у меня была, просто один снп34с135в и от него на 45контактном шлейфе еще 3 или 4 снп34с135р припаяны... Платы контроллеров скручивались друг под другом, и на их разьемы одевались снп34с135р. Жаль тогда фототехника не так была распространена как сейчас, фото не осталось, только в голове...
З
20:10
Заказчик Мультикарта Белорусь ²
Я так понимаю вы Вектор сравниваете с Эпплом примерно того же года выпуска?
MS
20:11
Mike Sh
In reply to this message
Конечно интересен! И исходники тоже интересны.
20:15
In reply to this message
Это будет очень ценно для Музея. А вы из какого города?
ДД
20:16
Денис सेवक सेवकाः Динанатх Гопал Дас
In reply to this message
Ну конечно, если брать Эппл I - там все было на ощюпь как бы, можно сказать опытный образец. Но начиная с Эппл II все же компьютер был уже для пользователя, и все что нужно для работы можно было купить готовое... Хотя та история, что Джобс прямо таки приказывал Возняку ограничиться тремя слотами на Эппл II а Возняк настоял на 8 ми - говорит о том, что таки Возняк понимал скольок эта машина еще может, ее нераскрытый потенциал...
MS
20:17
Mike Sh
In reply to this message
Я живу в Москве (хочется надеяться, не придётся переезжать), умею паять, и для меня не проблема купить компоненты и собрать плату. Но вот схемотехнического образования у меня нет - чистый программист и немного радиолюбитель, на уровне школьного курса физики и некоторого embedded-опыта. Осциллографом владею очень ограниченно - самое большое достижение, когда смог осциллом продемонстрировать неисправность микросхемы памяти на фирменном Спектруме-48, задействовав оба канала.
ДД
20:18
Денис सेवक सेवकाः Динанатх Гопал Дас
In reply to this message
Исходники пока публиковать не хочу, а сам загрузчик - легко. Он кстати в эмуляторе работает тоже, и все сочетания клавиш соответственно тоже.
З
20:18
Заказчик Мультикарта Белорусь ²
In reply to this message
...а потом IBM опубликовала свою спецификацию, ну и все)
👍
ДД
MS
20:18
Mike Sh
In reply to this message
А почему исходники не хотите? Это же не коммерческий продукт...
ДД
20:18
Денис सेवक सेवकाः Динанатх Гопал Дас
Как вариант, если будут приложения по удалению - добавлению программ в загрузчик - смогу сделать.
MS
20:19
Mike Sh
Конечно, хочется добавить всё, что влезет.
ДД
20:19
Денис सेवक सेवकाः Динанатх Гопал Дас
In reply to this message
Ну просто пока не хочу :) Они на мой взгляд позорные )))
MS
20:19
Mike Sh
Просто без исходников для истории очень сложно - пропадает автор, и всё, все экспонаты с использованием его творения "замирают" во времени, перестают развиваться.
👍
ПК
Ю
З
20:20
In reply to this message
Это не важно - важно, что из них можно собрать!
З
20:20
Заказчик Мультикарта Белорусь ²
In reply to this message
Очень много так уже пропало(
ДД
20:22
Денис सेवक सेवकाः Динанатх Гопал Дас
На самом деле, по мне так - это была трата времени. Я ооочень редко пользуюсь осью из загрузчика, может это было бы полезным при случайном уничтожении загрузочного сектора и отсутствии дисковода, да еще и отсутствии бэкапа HDD... Но я такого не могу предстваить. А все тесты - они нужны только один раз, и все с HDD так же запускаются. НУ может еще если продавать вектор - это было бы полезно, проверить все на голой машине... Но кто сейчас будет продавать вектор ? )))
З
20:22
Заказчик Мультикарта Белорусь ²
In reply to this message
Денис, вы уникальный человек, не нужно стесняться.
20:23
In reply to this message
Zxevo же продают, к примеру
AB
20:25
Alex Bel
Насчёт исходников. Если автор один раз сказал "нет", продолжение темы является дурным тоном. Любые исходники - дело личное и настаивать на публикации исходников - то же самое, что лезть в личные дела. Поэтому всякие "а что", "а почему" - как минимум, некорректно.
З
20:25
Заказчик Мультикарта Белорусь ²
Это да
20:26
Deleted Account
In reply to this message
я не думаю, что он ценит свои исходники
ДД
20:26
Денис सेवक सेवकाः Динанатх Гопал Дас
In reply to this message
Не, уникальные люди это Improver с ZX-PK, там конечно есть что в музей ставить.. Ну а я , так, ничего особенного...
20:26
Deleted Account
In reply to this message
просто он потом срубит денег на исходниках и все
AB
20:27
Alex Bel
In reply to this message
Это неважно. Автор сказал "нет" - и здесь уже неважно, почему. Заработать хочет или ещё что - это его ЛИЧНОЕ дело.
👍
ПК
20:27
Deleted Account
In reply to this message
смотря как
AB
20:27
Alex Bel
Неважно.
20:28
Deleted Account
если это модификация продукта (исходного под GGPL) то он не имеет права его продавать и закрывать
AB
20:28
Alex Bel
In reply to this message
Я сказал "автор".
20:28
А не "соавтор" или "модификатор".
20:28
Deleted Account
In reply to this message
вы утверждаете на 100% что это не копия?
ДД
20:29
Денис सेवक सेवकाः Динанатх Гопал Дас
Я подумаю на счет исходников. А зам загрузчик вот. Там две версии, первая в рабочем образе ось, тетрис и тест простенький, TP помоему, второй вместо теста - глючка музыкальная реагирующая на магн. вход.
👍
VG
ПК
AB
20:30
Alex Bel
In reply to this message
Я утверждаю, что нехрен лезть в чужие дела. Сможете доказать, что чужие исходники используются недопустимым образом - хорошо. Нет - нечего настаивать на публикации.
ДД
20:30
Денис सेवक सेवकाः Динанатх Гопал Дас
Исходники получены методом реверс - инжиниринга ))) По простому дизассемблинг с разбором и модификацией.
20:30
Deleted Account
In reply to this message
loaDer* =)
👍
ДД
ДД
20:30
Денис सेवक सेवकाः Динанатх Гопал Дас
Уже так )))
AB
20:30
Alex Bel
Всё, я на этом прекращаю. Если лучше объяснить не смогу.
ДД
20:32
Денис सेवक सेवकाः Динанатх Гопал Дас
;0DFH 1101 1111 - код клавиши F3 - вызывает ТЕСТ УСТРОЙСТВ (СЧЕТМАШ)
;0BFH 1011 1111 - код клавиши F4 - вызывает "тест КВАЗИДИСКА ДОЖДЬ"
;07FH 0111 1111 - код клавиши F5 - вызывает "тест ТП"
;09FH 1001 1111 - код клавиши F3+F4 - вызывает "тест КД"
;05FH 0101 1111 - код клавиши F3+F5 - вызывает отображение 256 цветов PAL
;03FH 0011 1111 - код клавиши F4+F5 - RAM_TEST
;0B7H 1011 0111 - код клавиши F1+F4 - Тест Баркаря 0
;077H 0111 0111 - код клавиши F1+F5 - Тест Баркаря 1
Комбинации клавиш и список программ второго тестового банка.
ДД
22:53
Денис सेवक सेवकाः Динанатх Гопал Дас
👍
NZ
22:53
22:53
Астероидс работает на 06ц02, джоя нет, но с клавиатурки все ок.
NZ
22:57
Nikita Zimin
In reply to this message
Спасибо
ДД
23:05
Денис सेवक सेवकाः Динанатх Гопал Дас
я шас еще на о6ц01 попробую. Уверен что результат будет таким же, но интерестинг ))
23:14
На 06ц01 как и ожидалось, все ок.
👍
NZ
23:16
Я могу сказать два момента, которые подправил бы, ну то есть, до идеальной программы не хватает два технических момента, которые на векторе часто имели место быть. Если интересно, поделюсь.
NZ
23:18
Nikita Zimin
In reply to this message
Конечно интересно
23:19
Вообще игра конечно недописана. Нужно доделать движение кораблика, добавить НЛО.
ДД
23:24
Денис सेवक सेवकाः Динанатх Гопал Дас
Первый - это при загрузке программы можно палитры всех четырех плоскостей сделать нулевыми, тогда перед заставкой не будет изображения "кода" на экране. Когда я доделывал программы для загрузчика, я просто к ним кусок кода приделывал, чтобы палитру занулить, А уже когда заставка загружена - палитры сделать как надо. Ну тут конечно тонкости реализации могут быть.
А второй, при нажатии блк+сбр в режиме заставки - все норм, а когда это происходит на игровом процессе - все виснет. Это не очень важный тех. момент, но вроде как на Векторе этот момент должен учитываться, помоему на адресс 100 переход по нажатию БЛК+СБР, или на какой то "вектор прерываний", подзабыл..
👍
NZ
23:26
В остальном вроде все четко.
23:26
In reply to this message
было бы круто )
NZ
23:27
Nikita Zimin
Ага понял спасибо
ДД
23:27
Денис सेवक सेवकाः Динанатх Гопал Дас
Вам спасибо за хороший гейм !
NZ
9 August 2022
A
03:16
AKATLA
In reply to this message
И у меня. 😂
03:19
Такой вопрос, ткните носом в тему по подключению джойстиков, что и как, пожалыста!
ДД
03:23
Денис सेवक सेवकाः Динанатх Гопал Дас
A
03:32
AKATLA
Вообще было бы хорошо тут подвесить faq и запиннить его.
A
04:22
AKATLA
Еще, ткните носом как исправить необходимость нажатия БЛК+ВВОД при старте?
04:24
О, что нашел.
04:24
А, какой процессор нужно было выбрать?
😁
A
04:25
Я бы не горячился с посылом в адрес авторов схемы. Я думаю ребята создали реально офигенный комп. А "стековые" операции по моему все таки преодолимое препяствие.
КV
05:28
Коте (Сторож) Videogames Sematary Security Service
In reply to this message
Ну если спрашивать у автора текста, то z80 наверное
S
06:44
Sergei
In reply to this message
Коллеги, у меня разрыв шаблона. Я всегда думал, что Z80 - это сильно улучшенная реинкарнация i8080, имеющая полную обратную совместимость ( не считая таймингов). О каких таких стековых операциях идёт речь, которые "медленнее" в Z80?
AB
06:45
Alex Bel
У "Вектора" доступ к квазидиску через стек, имеющий собственный канал памяти. У Z80 этого нет вообще, стек в общей памяти.
06:46
Я не понимаю, как бред, написанный каким-то "диванным экспертом" может приниматься всерьёз, да ещё и обсуждаться...
👍
З
08:34
Evgeny
Всем привет! Какая сейчас адекватная цена на Вектор 06Ц? Только на сам компьютер без БП и прочего.
AB
08:35
Alex Bel
Привет. Адекватность цены каждый определяет для себя сам. Думаю, любой ответ имеет право на право :)
08:36
Продавец может думать, что 10000 рублей - нормальная цена, да ещё дёшево.
ПП
08:36
Пётр Присылал Вектор на восстановление, оплатил изготовление плат.
In reply to this message
Это как спросить - какая сейчас адекватная цена на авто :) зависит от комплектности, от работоспособности, от состояния и даже от завода изготовителя. Вам какой? 😁
AB
08:37
Alex Bel
По мне, так 2500-3000 рублей, не больше.
З
08:37
Заказчик Мультикарта Белорусь ²
In reply to this message
У нас в Минске за некомплектную тушку (комплектные не попадались) различной степени убитости хотят от 150 белорусских рублей. Это стандарт. Из + минских Векторов - только герконовые.
E
08:38
Evgeny
Конкретизирую: непроверенный, но чисто визуально в хорошем состоянии с целой платой. Вот за сколько такое стоит покупать, максимум?
ПП
08:38
Пётр Присылал Вектор на восстановление, оплатил изготовление плат.
Например я минский брал за 5000 (это самый качественный), причём полный комплект в пенопластовой коробке. А бывает астраханские (УГ) за 15-20 выставляют.
E
08:39
Evgeny
И ещё сразу вопрос: может кто-то продает?)
ПП
08:39
Пётр Присылал Вектор на восстановление, оплатил изготовление плат.
In reply to this message
Здесь на удачу. Во первых посмотрите сколько их продаётся? 1-2 максимум
З
08:39
Заказчик Мультикарта Белорусь ²
In reply to this message
Сколько не жалко. Нет цены. Мне попадались с виду классные, а внутри уёб...и все КМки выкусывали ((( Так что всё относительно.
ПП
08:41
Пётр Присылал Вектор на восстановление, оплатил изготовление плат.
In reply to this message
Полностью согласен. Зависит от вашего уровня ностальгии.
З
08:43
Заказчик Мультикарта Белорусь ²
In reply to this message
тут ещё такое. аффинажники (не один) меня уверяли, что в стандартном не тронутом Векторе драгметаллов примерно на 80 долларов - поэтому от 150 рублей белорусских. Это информация в разные года, от разных людей и можно сказать из разных мест (не только из Белоруссии). Правда или нет - не знаю, но типа все отталкиваются от данной планки. Причем рассматривается просто тушка, без проводов, БП, упаковки и литературы.
ПП
08:43
Пётр Присылал Вектор на восстановление, оплатил изготовление плат.
Зимой взял 06Ц.02 в Приднестровье. Успел до событий. Красного цвета, полный комплект. Обошёлся в 8000+2000 доставка. В это время на мешке такой за 30 тыр ушёл. Всё относительно. Только удача.
З
08:49
Заказчик Мультикарта Белорусь ²
In reply to this message
Для чего вам Вектор?
E
08:51
Evgeny
Для пополнения коллекции. Никогда дела с этим компьютером не имел, но очень хотелось бы попробовать
ПП
08:55
Пётр Присылал Вектор на восстановление, оплатил изготовление плат.
In reply to this message
Вы где территориально находитесь?
E
08:55
Evgeny
Смоленск/Москва
КV
09:27
Коте (Сторож) Videogames Sematary Security Service
Мне кажется, щас сложно найти будет рабочий дешевле 5000. Но это просто ощущения.
AB
09:30
Alex Bel
Кто-нибудь подключал клавиатуру от "Радио-86РК" к "Вектору"? Схемы весьма схожи. У меня лежит чистая плата от ркшной клавиатуры, думаю - может, для "Вектора" её сделать...
A
10:08
AKATLA
10:08
Загудела!!! Значит надежда есть!
👍
ПП
З
AB
10:15
Alex Bel
Загудела - значит, работает (хотя бы частично) ВИ53 и тактовый генератор с делителем (если не всем, то частично)
З
10:16
Заказчик Мультикарта Белорусь ²
In reply to this message
т.е. побаловаться и на полку... жаль... ну да ладно.
A
10:17
AKATLA
In reply to this message
Шас буду штырить клаву. Как подключу посмотрим что будет.
10:18
Надежда была призрачной, но все же оправдала усилия!
AB
10:20
Alex Bel
Лучше видео подключить...
A
10:23
AKATLA
Я подключил - белый матрас вижу. Все ок!
10:26
У меня один вектор на мази с Combo Box-ом! Гоняю Ешелон вечером!
MS
11:02
Mike Sh
In reply to this message
А можно поподробнее про "отдельный канал памяти"?
AB
11:02
Alex Bel
In reply to this message
В описании 8080 по работе со стеком что-то конкретное непонятно?
MS
11:03
Mike Sh
In reply to this message
Где такое описание найти?
AB
11:03
Alex Bel
In reply to this message
Через интернет-поисковики. Или мне это сделать?
З
11:26
Заказчик Мультикарта Белорусь ²
In reply to this message
S
11:42
Stanislav Maslovski
In reply to this message
Z80 имеет ограниченную совместимость с 8080 на уровне машинных команд, но у него по другому устроено управление внешней шиной, поэтому на железячном уровне нельзя просто взять и заменить 8080 на Z80. У 8080 нет полного набора сигналов управления шиной, поэтому он в начале каждого машинного цикла выдает на шину данных управляющее слово, по которому можно определить какая операция будет выполняться (выборка команды, чтение из памяти, запись в память, чтение из стека, запись в стек, ввод/вывод в порты и т.д.). Это позволяет, например, выделить стек в отдельную память 64 Кбайт.
👍
AF
MS
S
S
12:31
Stanislav Maslovski
In reply to this message
а тут только про команды работы со стеком (в Z80 эти команды идентичны), про особенности работы с шиной там не написано
ДД
12:51
Денис सेवक सेवकाः Динанатх Гопал Дас
In reply to this message
Я мониторю авито уже лет пять на счёт векторов. В последнее время действительно не предел 10 тыр. за вектор. Я покупал за 6 тыр. 3 или 4 года назад, плюс доставка из Белоруссии, но это был новый комплект в коробке белорусского производства со всем что в коробке было. 06ц02 выпросил просто у гаражиста, одну доску, еле выпросил скорее, за 5 тыр. Год назад. Считаю что это очень дёшево. По поводу 2500-3000 это цена либо платы без км, либо (если повезёт, герконовой клавиатуры. Вот такое у меня видение основанное на мониторинге авито, мешка и юлы.
12:53
И кстати, в 06ц02 км на 4 тыр. А в 06ц01 на 3700 примерно... так что цена в 2500-3000 вообще не соответствует реальности.
З
12:56
Заказчик Мультикарта Белорусь ²
In reply to this message
И что меня забавляет больше всего, что в Векторе нет никаких уникальных/штучных микросхем... но ценник ломят ( почти как за SIDы комадоровские
ДД
13:02
Денис सेवक सेवकाः Динанатх Гопал Дас
In reply to this message
Похоже - есть спрос - есть предложение, и цена соответствует спросу.
13:03
Кто из продающих знает что там внутри... "чёрные прямоугольники" максимум...
З
13:03
Заказчик Мультикарта Белорусь ²
In reply to this message
Согласен. Для себя я уже затарился выше крыши, как вам рассказывал - "наспасался", хватит )
ДД
13:03
Денис सेवक सेवकाः Динанатх Гопал Дас
In reply to this message
👍😊
З
13:05
Заказчик Мультикарта Белорусь ²
In reply to this message
Думаю, что эти времена уже прошли, не только касаемо Векторов, выч. и аудиотехники... время когда можно было прийти на "птичий рынок" (поле чудес по-нашему) и взять что-то интересное за копейки - прошли безвозвратно. сейчас, сужу по окружению, либо на аукцион по бешенной цене (ориентируются на похожие), либо на аффинаж.
E
13:08
Evgeny
In reply to this message
Нет, ну, конечно, использовать его каждый день в качестве основного компьютера я не планирую)) но каждому экземпляру в своей коллекции стараюсь уделять достаточно времени. А какое, по вашему мнению, использование Вектора является достойным?
ДД
13:08
Денис सेवक सेवकाः Динанатх Гопал Дас
In reply to this message
Я имел в виду то, что для продающих векторы все микросхемы в нем уникальные и штучные 😁
З
13:11
Заказчик Мультикарта Белорусь ²
In reply to this message
что-то подсказывает мне, что они ориентируются всё больше на "зелененькие квадратики", а на остальное им вообще до... ...ну правда если деталька с желтенькими ножками - то выкусить и её на всякий пожарный и чем больше зелененько-желтого, тем более мотивация взвинтить ценник. в общем как-то так, ладно, бывает. эххх...
👍
ДД
AE
13:15
Alexey Epsilon
In reply to this message
Писать на него игры!!!!
👍
КV
AB
13:16
Alex Bel
Я вот смотрю - вы что, и в самом деле не понимаете, с чего на это железо, которое нихрена не стоит, так ломят цены?
З
13:17
Заказчик Мультикарта Белорусь ²
In reply to this message
Ну некогда Станислав "Свофски" за всю проделанную им титаническую работу был одарен экземляром Вектора за просто так - руки у него хорошие и вообще, просто не хотелось бы передать/отдать/продать человеку экземляр машинки, который в лучшем случае его восстановит и просто поставит на полку, передаст в музей где ничего не понимающие обыватели будут тыкать в него пальцем и гыгыгыкать с "кривой графики" ))) ...ну да, я немножко "упоротый" на теме Вектора, почти как Максагор на теме АТМтурбо извините )))
👍
A
E
13:17
Evgeny
In reply to this message
Для кого?)
AB
13:17
Alex Bel
Вы сами, все те, кто кинулись скупать эти "раритеты", дали сигнал. Нет там на такие суммы драгметаллов, зато полным полно желающих этот хлам купить. Правильно, куда денетесь? Купите!
AE
13:18
Alexey Epsilon
In reply to this message
Для других ретрофилов
👍
VG
З
13:19
Заказчик Мультикарта Белорусь ²
In reply to this message
Рынок. Спрос и предложение. Для того чтобы удовлетворить желание по "возврату детства' достаточно эмулятора.
AB
13:19
Alex Bel
Мда...
AE
13:19
Alexey Epsilon
Чёт нервный какой-то
13:20
))
З
13:20
Заказчик Мультикарта Белорусь ²
бывает ) проще на всё смотрите )))
ДД
13:52
Денис सेवक सेवकाः Динанатх Гопал Дас
In reply to this message
Я полагаю, если бы оно ничего не стоило - оно бы ничего и не стоило. Наличие спроса у предприимчивых людей рождает желание обеспечить предложение. НУ и там да, рынок сам регулирует цены. И через 10 лет Вектор уже будет стоить на порядок выше, потому что спрос скорее всего не изменится, а вот предложение сильно оскудет, в следствии этого цена возрастет сильно.
👏
ПП
13:54
Это вроде как нормальная ситуация, и вся экономмика на этом работает, если это конечно не плановая экономика... Хотя и при плановой экономике цены на яйца фаберже например вполне в космос улетали...
👍
З
AE
14:42
Alexey Epsilon
Существует ли вариант для Вектора продлить свою жизнь (и возможно начать новую) в виде новой платы на базе FPGA?
👍
VG
14:43
Не знаю как к этому относится сообщество, поэтому и спрашиваю
14:44
Очевидно, что оригинальных Векторов больше не становится, а имеющимися в современных реалиях всё сложнее пользоваться
ПП
14:49
Пётр Присылал Вектор на восстановление, оплатил изготовление плат.
Есть и проект новодельного Вектора. Есть и FPGA проект. Но всё как-то без развития.
З
14:54
Заказчик Мультикарта Белорусь ²
In reply to this message
Так оно же работает вполне фукционально, куда двигаться то? Вот как пару лет квазик допилили до рабочего состояния, Денис доработал. Собственно всё, что надо есть. надо будет по осени уточнть, Свофски Лешадок свой доделал или ещё в процессе...
КV
14:58
Коте (Сторож) Videogames Sematary Security Service
In reply to this message
Для меня. Я играть буду. А то бог цвета и звука, а поиграть не во что.
ПП
14:58
Пётр Присылал Вектор на восстановление, оплатил изготовление плат.
In reply to this message
По мультикартам вопросов нет. Всё двигается. Там вопрос про новоделы FPGA. Это другое :)
Denis Питер РетроПК removed Denis Питер РетроПК
NZ
15:02
Nikita Zimin
In reply to this message
В проекте MiSTer FPGA Вектор реализован и вполне работоспособен.
👍
ПП
ДД
ДД
15:11
Денис सेवक सेवकाः Динанатх Гопал Дас
In reply to this message
В этой группе есть человек, который, на мой взгляд, в современных реалиях создал самый (опять же на мой взгляд) продвинутый клон Вектора. Причем, это основные механизмы и схемы - на той же клаиссике что и реальный вектор, и немного более современной базы присутствует. Это не FCPGA, а прямо таки почти тот же Вектор, с некоторыми новыми принципами работы. Уверен, этот проект заслуживает внимания ! А еще там модульная конструкция. Вот проект: https://zx-pk.ru/threads/33133-vektor-06ts-novodel-(ne-altera).html?highlight= И отдельно видеокарта: https://zx-pk.ru/threads/31273-graficheskaya-plata-vektora.html?highlight= на мой взгляд, это на данный момент самый продвинутый клон Вектора.
👍
VG
A
5
A
18:10
AKATLA
Нужно его поддержать и помочь.
👍
ПП
VG
4
MS
21:04
Mike Sh
In reply to this message
Зря вы так про музеи. Кроме зевак, в музеи приезжают ещё и программисты, которые часами изучают архитектуру и имеющийся софт старых компьютеров, чтобы лучше понять устройство мира.
👍
VG
E
S
22:26
Sergei
In reply to this message
Спасибо! Никогда не углублялся в эту особенность i8080, т.к. не сталкивался с практическими реализациями стека в отдельной памяти. А идея вообще сильная.
MS
22:33
Mike Sh
На эту же тему - в теории, наверное, можно в архитектуре компа предусмотреть чтение из одной страницы памяти, а запись по этим же адресам - в другую? Если да, делали ли так в каких-то компах? В Спектрумах не слышал. Знаю, что в Агате было нечто подобное на тему псевдо-ПЗУ.
З
22:47
Заказчик Мультикарта Белорусь ²
In reply to this message
Нууу... доживем до НГ, вернутся, я надеюсь, к тому времени Вектора ко мне назад после ремонтов/апгрейдов - разработчику/писателю хоть чего-то с удовольствием за пересылку СДЕком подгоню, с условием написанием чего полезного, хоть человеческого мануала по программированию в стиле Лебедева по Вектору, может быть даже с полным комплектным обвесом в виде БП (тут вопросы) и мультикарты производства Дениса (тут тоже могут быть вопросы - остались ли у Дениса еще заготовки, да сколько будет стоить на тот момент изготовление, ну и будут ли у меня на тот момент свободные средства на это - надеюсь, что будут). Пока тема закрыта... много неизвестных ))))

Пробовал у нас в Минске выйти на старых программеров, промотивировать, что называется "тряхнуть стариной"... всем уже не до чего ) один (Усов) правда порадовался, что я все его бумаги сохранил и вообще.. жаль аппаратик недожил... но пошел на благое дело - с него фотографировали, а потом рисовали плату Вектора (byteman, prusak, Artur) благодаря им теперь можно взять "герберы" и заказать плату в стандартный корпус Вектора с некотрыми доработками... короче на благое дело пошло. ну как я думаю.
AE
22:48
Alexey Epsilon
In reply to this message
В некоторых клонах из-за упрощённой адресации ОЗУ подкладывалось под ПЗУ. Таким образом, когда ты пишешь в адреса 0000-3fff, то данные записывались в ОЗУ, которое было физически по этим адресам, а при чтении данные читались из ПЗУ, занимающего те же адреса
22:48
то есть записанные в RAM данные нельзя было прочитать
MS
22:49
Mike Sh
In reply to this message
Вот-вот. В Ленинграде так было. Только пусть знатоки подтвердят, что запись не игнорировалась, а реально писалась в это "невидимое" ОЗУ.
AE
22:49
Alexey Epsilon
а в некоторых моделях эта была не баг, а фича, то есть можно было через порт вырубить ПЗУ и тогда ОЗУ по адресам 0000-3fff было видно и с ним можно было работать - например, загружать свою версию ОС
MS
22:50
Mike Sh
In reply to this message
Да, из Спектрумов это Скропион и Профи.
22:50
In reply to this message
Но это немного другое - я о том, чтобы одну страницу ОЗУ на чтение "примонтировать" в окно, а другую - в то же окно на запись.
10 August 2022
Ю
08:01
Юрий Ларин
In reply to this message
Это было сделано в Векторе ПК6128, там было 4 страницы по 32 кб, можно было подключать на один диапазон адресов для записи и чтения разные страницы.
S
08:35
Sergei
В Агате псевдоПЗУ так и записывалось, а читалось в это время обычное ПЗУ, потом ПЗУ отрубалось и становилось видно ПсевдоПЗУ, но только на чтение.
MS
09:23
Mike Sh
In reply to this message
Верно. Просто это использовалось только для загрузки.
09:24
In reply to this message
Очень интересно! А что это за машина?
ДД
09:47
Денис सेवक सेवकाः Динанатх Гопал Дас
###ПК6128Ц:
Процессор: - i8085, а именно ИМ1821ВМ85 работающий на тактовой 3 МГц.
ОЗУ: - 128 Кб.
ПЗУ: - 16 Кб.
Интерфейсы: - параллельный 24 линии, локалка на 46 Кбод, программируемый последовательный интерфейс (выполнен на БИС 580ВВ55), интерфейс бытового кассетного магнитофона, интерфейс НГМД (выполнен на БИС 1818ВГ93), два интерфейса джойстиков.
Устройство отображения: - ТВ-приемник, вывод RGB.
Форматы вывода: - строки/символы 32/32, 40/25, 42/25, 64/25, 80/25. Графика 256х256 при 16 цветах из 256, 512х256 при 4 цветах из 256.
Звуковой синтезатор: - 4 канала, 3 аппаратно-формируемые и 1 программно-формируемый.
Внешние ЗУ: - 2 НГМД, двойная плотность, 2 стороны, 5 секторов на дорожку, диаметр диска 133 мм, 1 кб на сектор, объем накопителя 800 кб.
Накопитель на бытовом магнитофоне, фазовая модуляция, объем 512 кб, скорость обмена 1500-2400 бод, при частотной модуляции объем 360 кб, скорость обмена 1200 бод.
Клавиатура: - 70 клавиш, "ИЦУКЕН".
Джойстик: - дублирует клавиши управления блока клавиатуры.
Электропитание: - однофазная сеть, 220В, 50 Гц, потребляемая не более 15 Вт.
Габариты: - системный блок 415х236х70 мм, блок дисководов - 265х247х130 мм (а нету у меня его), джойстика 125х100х175 мм (тоже нету).
Системное ПО дает возможность использовать ПО ЭВМ Вектор-06Ц, а также ПО написанное для СР/М-80, Микро-ДОС.
Ю
13:58
Юрий Ларин
In reply to this message
Поправка:
Процессор: - i8085, а именно ИМ1821ВМ85 работающий на тактовой 6 МГц.
👍
ДД
ДД
14:17
Денис सेवक सेवकाः Динанатх Гопал Дас
In reply to this message
А действительно ли готовится клон этой машины?
И ещё вопрос, существует ли что то типа адаптера для ИМ1821ВМ85 для установки в обычный Вектор 06Ц?
Ю
14:22
Юрий Ларин
In reply to this message
На первый вопрос: пока только изучаю схему, возможно и займусь клоном -- машинка очень интересная, и совместимая с обычным Вектором.
На второй вопрос: не слышал о таком, хотя, теоретически, сделать адаптер можно.
ДД
14:23
Денис सेवक सेवकाः Динанатх Гопал Дас
In reply to this message
Если у вас до клона дойдет, запишите меня на платку пожалуйста :)
Ю
14:24
Юрий Ларин
Безусловно. 🙂
MS
14:40
Mike Sh
В наши дни делается достаточно много реплик старых плат, а также разрабатываются новые как компьютеры, так и платы расширения. И сейчас нет такого места в России (и, как следствие, нигде в мире), где можно было бы увидеть законченные разработки _в действии_, и в то же время _все в одном месте_. Как думаете, выиграло бы сообщество, если бы такое место было?
14:41
Что-то типа "витрины новоделов", причём демонстрирующихся в работе. Разумеется, с табличками с именами разработчиков и ссылками/контактами, чтобы желающие могли заказать себе у них такое же.
ДД
15:19
Денис सेवक सेवकाः Динанатх Гопал Дас
В моем видении это какая то онлайн площадка. Это дешевле, в плане содержания, доступно из любой точки мира... не требует обслуживающего персонала всей техники. Достаточно видео, описания и контактов автора.
MS
15:21
Mike Sh
In reply to this message
Весь смысл моего предложения - в оффлайн-площадке: можно будет интерактивно поработать с девайсом, потыкать осциллографом и т.п.
ДД
15:25
Денис सेवक सेवकाः Динанатх Гопал Дас
Ну локально это будет полезно бесспорно. Но например мне ехать в Муром накладно, а кому из Новосибирска- ещё сложнее...
MS
15:31
Mike Sh
In reply to this message
Так не каждый день ездить же. Многие немосквичи из сообщества часто ездят в Москву и Петербург, на мероприятия всякие. Муром недалеко 😊
ДД
16:00
Денис सेवक सेवकाः Динанатх Гопал Дас
Это должно быть объединение всемирное )) с региональным филиалами, чтоб в радиусе 100км как минимум один был... ))) Ну то есть, это должно быть реализовано всем сообществом в совокупе и сообща ...
MS
16:17
Mike Sh
In reply to this message
Отличная цель. Очень хочется надеяться, что со временем Международная ассоциация компьютерных музеев сможет развиться до такого уровня!
11 August 2022
A
04:12
AKATLA
О нас 30ть уже.
ПП
05:18
Пётр Присылал Вектор на восстановление, оплатил изготовление плат.
Да, сообщество Вектористов скромных размеров, но может это и к лучшему :)
A
08:58
AKATLA
https://www.youtube.com/watch?v=iFoKGo0LwlM Немного флейма - но как звучит!
🔥
ДК
ПП
09:03
Пётр Присылал Вектор на восстановление, оплатил изготовление плат.
In reply to this message
Анимация 👍🏻
👍
A
ДД
20:10
Денис सेवक सेवकाः Динанатх Гопал Дас
#FDD Сегодня всплыл один из постоянных поисков в моем аккаунте авито, дисковод Samsung SFD-321B... я мониторю некоторые хорошие штуки, и если попадается не далеко, забираю.. И вот сегодня целеуказание было получено, даже в моём районе... Раз уж такое дело, сразу опубликую несколько фоточек по переделки девайса. Наверняка большинству это не нужно, но кому то может пригодиться.
20:12
Вот такая модель дисковода... Говорят только /LEB... но это хрень. Все дисководы этой модели переделываются. У некоторых очень не похожа плата, похоже более свежая, но и там есть все необходимые перемычки.
20:14
20:14
Вид сверху и снизу.
20:16
Так выглядит неопределённый дисковод. Кружком обречены важные моменты. Перемычка DS1, нулевой резистор DC.
20:17
Это датчик плотности дискеты, его можно просто выпаять, ничего не перемыкая. Он не нужен совсем.
20:18
20:18
Вот так будет все работать с Вектором.
20:21
Привод не сложно разбирается. Этот был набит грязью, какими то пакетами и пружинами... Перебрал, все вычистил. Смазал салазки головы и червяк. Ну и места на которых скользит подвижная часть дискетоприемника. Головку спиртом протёр хорошенько.. Обычно первые пара-тройка форматирований и проверок будут с ошибками, но с третей -пятой все норм...
20:22
20:22
20:24
Этот привод подключается к комбодевайсу или к мультикарте и работает ))
👍
ПП
20:25
А вот к PC его уже подключать не стоит... работать не будет. Разные принципы управления проводами.
AE
21:14
Alexey Epsilon
In reply to this message
Я полагаю если как следует пошерстить, то наберётся сотня, а то и больше
ДД
21:29
Денис सेवक सेवकाः Динанатх Гопал Дас
In reply to this message
Если судить по количеству появляющихся и тут же исчезающих "Векторов" на авито, то может и несколько сотен... Хотя если судить по цене, то есть по спросу - то их гооораздо больше потенциальных..
Сейчас на авито в продаже чёрный Вектор за 5тыр... ну условно 5 тыр, а реально хозяин понял что спрос серьёзный, и ценой для меня уже была 10500, вчера... Причём он говорит что не ожидал такого спроса, и понял, что цену нужно отпустить. Узнаю у него конечную цену когда он продаст эту машину, интересный показатель )))
КV
22:23
Коте (Сторож) Videogames Sematary Security Service
In reply to this message
Барыг-перкупов тоже со счетов не надо списывать. Именно они активно мониторят ретро. С целью дальнейшей перепродажи.
ДД
23:00
Денис सेवक सेवकाः Динанатх Гопал Дас
In reply to this message
Барыги да... есть такая.прослойка...
КV
23:06
Коте (Сторож) Videogames Sematary Security Service
In reply to this message
Я о том, что их вряд ли стоит причислять к Вектористам, как и к другим сообществам. Их цель — нажива на хайпе. Обиднее всего, что когда хайп спадет, они не будут особо заморачиваться и просто отнесут остатки на свалку.
🤔
ДД
ВП
23:44
Виктор Пригодич
Мир вам!
ДД
23:58
Денис सेवक सेवकाः Динанатх Гопал Дас
In reply to this message
Доброго времени! Взаимно!
ДД
23:59
Денис सेवक सेवकाः Динанатх Гопал Дас
In reply to this message
Расскажите пожалуйста про ваш комплект и планы собрать Вектор ?!?
X
23:59
Xrust
Привет!
12 August 2022
ДД
00:00
Денис सेवक सेवकाः Динанатх Гопал Дас
In reply to this message
Хелов ! Доброго времени!
ВП
00:03
Виктор Пригодич
Комплект приобрел на аукционе "Мешок"
00:04
In reply to this message
Если не ошибаюсь, то похоже на этот вариант. Если можно выложите более четкое изображение
ДД
00:06
Денис सेवक सेवकाः Динанатх Гопал Дас
In reply to this message
Да, это он. Выложу обязательно, сколько угодно и в любых подробностях, ток не сегодня, комп уже включать не хочу, а в телефоне нету.
👍
ВП
ВП
00:07
Виктор Пригодич
Есть намерение собрать "Вектор" для занятий техническим творчеством с детьми. Своеобразный музей где можно не только руками потрогать, но и поучиться схемотехнике и т.п.
🔥
ДД
ДД
00:09
Денис सेवक सेवकाः Динанатх Гопал Дас
Клавиатуры нету такой. Да и это не самый лучший вариант. Хотя, если подойти творчески и поставить вместо пятаков и паралона какие нибудь более менее нормальные кнопки, то клавиатура может получиться и неплохой.
👍
ВП
ВП
00:10
Виктор Пригодич
In reply to this message
Не самый лучший вариант это о клав-е или плате процессора?
ДД
00:14
Денис सेवक सेवकाः Динанатх Гопал Дас
Плата отличная, клавиатур было два варианта, герконовая и "емкостная". Гереоновые работают долго и хорошо в основном, а емеосьные требовали раз в полгода серьёзного обслуживания, иначе дребезг или вообще прекращение работы большинства клавиш. Это долгая история, в кратце так. К Вектору можно подключить ps/2 через маленькую платку. Тут выше кто то писал о такой. Можно разузнать. Это гораздо дешевле и удобнее будет.
00:15
И быстрее )
ВП
00:19
Виктор Пригодич
Плата клавиатуры
ДД
00:28
Денис सेवक सेवकाः Динанатх Гопал Дас
Тут ещё куча пластмассы нужна чтобы её сделать такой, какая она должна быть.
A
02:52
AKATLA
In reply to this message
Я вот семь лет с нимизанимался, так и не дошли руки до Специалиста даже. Сейчас ушел в высшую школу.
L
08:40
LeoN
In reply to this message
Дык, этих 321-х везде полно как грязи. У меня есть вообще нулёвые, не нюхавшие ни одной дискетки.
ДД
09:03
Денис सेवक सेवकाः Динанатх Гопал Дас
In reply to this message
Да, их много, так и есть.
ДД
11:53
Денис सेवक सेवकाः Динанатх Гопал Дас
In reply to this message
#FOTO Фото платы Вектора 06Ц01 с важными переделками.
👍
ВП
ДД
12:10
Денис सेवक सेवकाः Динанатх Гопал Дас
Описание необходимых доработок можно найти в этом чате по хэштегу #DORABOTKI
👍
ВП
YS
12:36
Yura Sergienko
Всем привет!
12:37
На заметку тем кто хочет собирать Вектор на астраханских платах: на zx-pk есть тема с новодельной клавой на китайских cherry кноках
ДД
12:37
Денис सेवक सेवकाः Динанатх Гопал Дас
In reply to this message
Хелов ! Добро пожаловать !
12:38
In reply to this message
Можно ссылку опубликовать, и хэштег к ней приписать соответствущий для поиска в группе.
12:40
Вот ссылка. Хэштег я есть не понимать.
12:42
Почитал чат, похоже еще актуальная тема подключения Вектора к мониторам. Я сейчас исследую проект RGB2HDMI, прикольная штука. Уже почти получилось Вектор через него подцепить.
ДД
12:43
Денис सेवक सेवकाः Динанатх Гопал Дас
In reply to this message
###KEY Просто в начале сообщения поставь например #KEYBOARD .
12:47
In reply to this message
Вообще проблемы нету, я все через gbs подключил. И 06ц01 и 06ц02. В 02 нужно просто резюки на повторитель подобрать, цвета подправить. Первое что попалось прилепил... За ссылку спасибо, будет полезно изучить.
YS
12:48
Yura Sergienko
У меня все GBS сдохли почему-то. Да и настроек там мало. Зато они дешевые.
ДД
12:50
Денис सेवक सेवकाः Динанатх Гопал Дас
У меня много gbs, часть с gbs control, все работают много лет ..
12:52
Не, одну спалил, болтик упал на ножки видеочипа... Умерла плата сразу без мучений...
YS
12:54
Yura Sergienko
Похоже мне не везёт на них. У меня есть чехословацкий PMD-85, там видеосигнал жуткий, он с GBS плохо работал, цвета тусклые и синхронизация плохая. Сейчас пытаюсь через RGB2HDMI подключить.
ДД
13:00
Денис सेवक सेवकाः Динанатх Гопал Дас
Gbs не универсальная, и иногда приходится чуть поиграться с источником сигнала, может удлиннить или укоротить синхроимпульсы, или изменить сопротивление цветовых выходов при помощи повторителей. Редкий случай с УКНЦ, стандартная прошивка GBS не смогла развернуть верхние или нижние 7 строк, тут помог gbs control. Но в целом, пока ещё не было устройства, которое не работало бы с GBS. Даже Агат 7 заработал без мандража... Ну конечно некоторые знания схемотехники нужны,. Зато крайне дёшево всегда получается.
L
13:06
LeoN
In reply to this message
Про УКНЦ. Попробуй BenQ BL702A, он прекрасно хавает 288 строк входного растра.
ДД
13:08
Денис सेवक सेवकाः Динанатх Гопал Дас
In reply to this message
Та уже решена проблема, gbs все та же, только управляемая не штатным mtv230 а esp-12 с прошивкой gbs control - работает исключительно.
13:13
In reply to this message
Кстати, с gbs-control у gbs появляется web интерфейс через wifi и настроек становится гораздо побольше. Правда сейчас есть два варианта интерфейса, более новый чуть по меньше возможностей предоставляет.
FL
13:14
First Lst
In reply to this message
Если кто планирует заказывать новые платки клавиатуры, я бы на парочку подписался
L
13:45
LeoN
In reply to this message
С просто GBS я игрался, не понравилось. С GBS-control не игрался, не скажу. Я хочу "донести" такой момент: GBS скалит ретро до стандартного VESA, затем выплёвывает его на монитор. Затем монитор скалит этот стандартный VESA до нативки матрицы. ДВА преобразования! А BL702A это делает напрямую, причем на матрицу отдает с кадровой частотой входного растра. А вот GBS выплёвывает на монитор с какой кадровой частотой?
ДД
13:58
Денис सेवक सेवकाः Динанатх Гопал Дас
In reply to this message
В 90е на экране Горизонта 51УСЦТ я получал гораздо более убогую картинку чем сейчас на GBS. Ну и к каждому компьютеру покупать отдельное устройство на мой взгляд непотребно. А универсализировать все ретромашинки до подключения любого SVGA вполне норм как по мне. Частота сигнала gbs что то около 60 Гц. Точно могу позже сказать.
И кстати, Вектору не нужен gbs control, стандартная прошивка кушает его сигнал после "доработки синхронизации" в автонастройке. А вот с gbs control я так и не получил устойчивую картинку от Вектора.
YS
14:32
Yura Sergienko
In reply to this message
на JLCPCB 50 баксов (с доставкой) за 5 плат насчитали. Я бы себе тоже парочку взял.
MS
15:28
Mike Sh
А нет ли у кого опыта получения картинки с Вектора на знаменитом OSSC (Open Source Scan Converter)? Штука дорогая, но у многих ретроделов есть.
15:28
Вообще было бы классно разработать аналогичную, но не за 100 баксов, а за 10.
E
16:48
Evgeny
In reply to this message
На днях собираюсь впервые попробовать подключить УКНЦ к OSSC. А вот Вектора у меня пока нет( Если получится раздобыть, то и его попробую :)
ВП
17:04
Виктор Пригодич
In reply to this message
Это доки на "Вектор 06Ц01", а на "Вектор 6128" есть?
ДД
17:33
Денис सेवक सेवकाः Динанатх Гопал Дас
In reply to this message
Реально интересно, есть а этом чате у кого нибудь 6128, кто то может пофоткать в хорошем качестве платы ?
Ю
19:09
Юрий Ларин
Если надо плату на 6128, то фотки ничем не помогут, там плата была многослойная. А вот схема на ПК6128 есть: https://zx-pk.ru/threads/8146-pk-6128ts-obsuzhdenie.html?p=1160605&viewfull=1#post1160605
👍
ДД
ВП
ВП
19:14
Виктор Пригодич
In reply to this message
Благодарю, буду возле ПК посмотрю
В К invited В К
СЦ
19:28
Сергей С. Вектор 06 Ц
In reply to this message
А можно такие важные сообщения закреплять в чатике?
Ю
20:36
Юрий Ларин
In reply to this message
Не думаю, что телеграм это умеет. Но каждый у себя может сохранить важные сообщения в "избранном".
ДД
20:39
Денис सेवक सेवकाः Динанатх Гопал Дас
In reply to this message
Можно оставлять хэштег для удобства поиска, например в начале сообщения писать #6128, тогда введя в поиск по чату #6128 определённо все сообщения с такими хэштегами всплывут сразу.
ДД
23:10
Денис सेवक सेवकाः Динанатх Гопал Дас
С хештегами по интереснее. Если их потом занести в единственный закрепленный файл - типа хештег - описание - то можно найти все что угодно.
👍
ВП
ВП
23:18
Виктор Пригодич
Можно создать пост (содержание) и дописывать новинки, но есть ограничение дней в течении которых можно вносить изменение.
Поэтому либо вс сразу вписывать, либо переодически создавать новый пост-содержание и закреплять актуальный, хотя он будет уже не в начале ленты, а где-то среди свежих записей (переписке)
AE
23:26
Alexey Epsilon
Мужики, не так давно я запустил сервис zxdocs.online чтобы важные документы хранить структурированно. Можно намутить подобное для вектора. Плюс в том, что это не обычный сайт, его код открыт на гитхабе и каждый при желании может редактировать или дополнять. Его нельзя закрыть, нельзя уничтожить.
ДД
23:30
Денис सेवक सेवकाः Динанатх Гопал Дас
In reply to this message
Как продолжение http://sensi.org/scalar/categories/ ))
AE
23:35
Alexey Epsilon
In reply to this message
Не вижу ничего похожего
ДД
23:37
Денис सेवक सेवकाः Динанатх Гопал Дас
In reply to this message
Я имею в виду, что для Вектора есть огромная гаталогизированная база самой различной информации. Но она не дополняется уже какое то количество лет.
AE
23:37
Alexey Epsilon
Может потому что никто не знает как это делать?
ДД
23:40
Денис सेवक सेवकाः Динанатх Гопал Дас
Эту базу пополнял один человек. Ну может кто то помогал еще. Пару лет назад я просил закинуть мой софт на ресурс, автор сказал что добавит,. Может я конечно что то пропустил, но пока там нету этого софта. Ну мог человек устать, почему нет.. Он и так столько сделал для Вектора, я вполне могу предположить, что мог и устать. А может просто сильно занят.
AE
23:41
Alexey Epsilon
Или всё завязано на одного человека, которому просто лень)
23:41
Вот-вот
23:41
В этом вся фишка
23:41
Открытая база должна быть открытая
23:42
Не только на чтение, но и на запись
ДД
23:44
Денис सेवक सेवकाः Динанатх Гопал Дас
Да, это понятно.. Но делать все заново это серьезная работа...
AE
23:44
Alexey Epsilon
Ну там я вижу только игры
MS
23:44
Mike Sh
In reply to this message
Чем это от вики отличается?
AE
23:44
Alexey Epsilon
Или это не только игры?
23:45
Там просто алфавитный список всё в кучу
ДД
23:45
Денис सेवक सेवकाः Динанатх Гопал Дас
Не, там все, и периодика, и журналы, и схемы, и загрузчики... Весь софт..
23:45
Есть же категории там.
AE
23:46
Alexey Epsilon
In reply to this message
Наверное тем, что вики лежит в одном месте на чьём-то сервере. Упал сервер - кончилась вся вики
ДД
23:46
Денис सेवक सेवकाः Динанатх Гопал Дас
Например в documents - описания, схемы, доки и т.д....
AE
23:46
Alexey Epsilon
In reply to this message
А, ну по идее надо хорошенько структурировать
ДД
23:47
Денис सेवक सेवकाः Динанатх Гопал Дас
Можно с автором рессурса пообщаться, я его сюда приглашал, не знаю, тут он или нет..
AE
23:48
Alexey Epsilon
Sensi.org scalar - вообще ни слова о векторе. Это точно про вектор?
23:48
Почему такой странный домен
ДД
23:49
Денис सेवक सेवकाः Динанатх Гопал Дас
Да, 100% по вектору. Много лет этот рессурс работает.
AE
23:49
Alexey Epsilon
Корневой домен вообще не касается ничего о векторе
23:50
Если я наберу в гугле что-то о векторе - какова вероятность, что я попаду сюда?
23:50
Sensi.org - тут что-то про Питер и линукс
23:51
Хз каким местом тут вектор
ДД
23:52
Денис सेवक सेवकाः Динанатх Гопал Дас
Это может для конспирации ))) Не знаю, Автор бы рассказал все, я не смогу. Я только пользуюсь рессурсом и благодарен автору, ссылку нашел на ZX-PK...
AE
23:52
Alexey Epsilon
А должно быть так:
На главной короткая инфа о ресурсе, фотки компьютера, основные разделы, с которых стоит начать. Внутри каждого раздела доступная и структурированная инфа
23:53
И всё такое
23:53
Для конспирации )) интересно от кого и зачем
ДД
23:53
Денис सेवक सेवकाः Динанатх Гопал Дас
Думаю этот рессурс писался до того как появились правила для продвижения и прочего.
AE
23:56
Alexey Epsilon
Да просто банально удобно должно быть
23:56
Ну, понятно
23:56
Всё течёт, всё меняется
13 August 2022
MS
01:14
Mike Sh
sensi.org - очень странный сайт. Там, к примеру, про Кристу-2 много есть, которая почти Вектор: http://sensi.org/scalar/categories/krista-2/
01:16
Правда, схемы ее так и не нашли, хотя в Руководстве она в оглавлении заявлена.
NZ
01:22
Nikita Zimin
http://www.emuverse.ru/wiki/%D0%9A%D0%B0%D1%82%D0%B5%D0%B3%D0%BE%D1%80%D0%B8%D1%8F:%D0%92%D0%B5%D0%BA%D1%82%D0%BE%D1%80-06%D0%A6 - здесь ещё кое-что есть по Вектору, и можно дополнять
AF
01:23
Alex Fedotovskih
In reply to this message
Скажи пожалуйста а чем твой ресурс отличается от того что ты написал?
NZ
01:24
Nikita Zimin
http://sensi.org/scalar/categories/recent20/ - это Базис, ведёт его Вячеслав Славинский (svofski), запросы на изменение можно передавать через тему на форуме zx-pk.ru
MS
01:51
Mike Sh
In reply to this message
Очень хороший вопрос!

Поднять CMS на каком-то хостинге и пристегнуть купленный домен не штука, проблемы тут две: 1. владелец домена и арендатор хостинга может "пропасть" (неважно, умер, передумал платить, нет денег, не до этого всего стало), и 2. контент, загруженный и систематизированный пользователями, может пропасть как из-за глюка системы, так и из-за вандализма.

Википедия решает эти проблемы тем, что платит за все как организация со многими попечителями, а с вопросом борется благодаря огромному количеству пользователей.

Мне кажется, если и делать супернадежный ресурс для всего мира, то только большой группой попечителей, причем не состоящих в одной корпорации, и, конечно, делать премодерацию для защиты от удаления и порчи материалов.

Но и тут могут быть проблемы - события этого года показали, что значительное число прогрессивно настроенных людей могут (не будем вдаваться в причины) внезапно объявить страну, нацию, культуру "вне поддержки" и изолировать от контролируемого ими ресурса. Также его могут заблокировать органы любой страны , но это не так страшно, ибо есть VPN.

В общем, выходит, на данном уровне развития человечества задача не решаемая...
👍
VG
ПП
AE
04:00
Alexey Epsilon
Очень даже решаемая.
Исходники лежат на гитхабе. Это значит, что рабочие копии имеются на как минимум нескольких других компах (чтобы дополнять и изменять нужно склонировать это всё на локальный комп). Можно сделать форк и поднять на любом другом сайте/компе
04:00
Так работает множество ПО на сегодня
04:02
Так заявляется, что код является публичным достоянием
AE
04:21
Alexey Epsilon
Причём если лицензия GPL то кто угодно может взять код и использовать по своему усмотрению, с одной лишь маленькой оговоркой
04:21
Если он модифицирует код, то обязан выложить модифицированную копию в публичный доступ
04:22
Так например если бы zx-pk был в opensource, то могла быть такая ситуация
04:23
Например владельцу форума не понравился пользователь и он его выгнал/потёр его модификации. В ответ на это пользователь форкнул форум и выложил на своём домене
04:24
Но при этом оригинальный владелец форума имеет доступ к форку и может брать оттуда инфу к себе
ПП
04:40
Пётр Присылал Вектор на восстановление, оплатил изготовление плат.
Дайте хоть один пример где у какого-то тематического форума есть несколько форков.
04:41
Вы путаете мягкое с пушистым.
04:45
Лучше чем wiki ещё ничего не придумали для базы знаний наполняемой сообществом.
👍
MS
04:47
Другой вопрос как это децентрилизовать, чтоб весь ресурс не оказался в одних руках и в их прихоти.
04:53
Например можно создать wiki по Векторам. Но должен быть какой-то типа совет админов наверху, совладельцев. Они должны иметь равные права на контент и на домен. Чтоб в случае форс-мажора всё можно было развернуть на другой площадке.
04:56
Чтоб не получилось как со speccy.info
04:56
А "опенсорс" и "форки" это вообще не в ту степь.
ВП
05:49
Виктор Пригодич
In reply to this message
Фото тоже важно, для достоверности информации и "наглядно агитации") тобишь для создания материала (экспонат) и для демонстрации на занятиях
05:51
Если не затруднительно, то буду благодарен форошим фото и любой достоверной информации о линейке ПЭВМ "Вектор" выпущенной различными производителями (сведении о изготовителях)
L
07:24
LeoN
Комрады! А есть у кого-нибудь "под рукой" мониторы пятнашки NEC LCD1550M/ME/V/VM?
A
07:28
AKATLA
ЗДравствуйте, Всем!
Что то я начал тупить не по детски! Помогите пожалуйста!
Итак в кратце история - есть плата я ее тут постил уже, включил,
нашел одну РУ6 неисправную очевидно, заменил. Дальше вообще коррида!
Дошел вот до такой картинки:
07:29
07:29
07:29
как я понимаю, вид "почти", но что то не так все же с РУ-ками, я прав?
Мое везение, у меня есть полностью исправный Вектор, преределанный по
руководству Дениса Тягунова. РЕ3 проверил пошагово сравнил, все в целом
норм. Прошел по исправному все практически (изучил схему по полной при
этом - уже могу с закрытыми глазами ее нарисовать!!!) сравнил - очевидных
отличий с исправным нет. Еще на 5-й лапе проца, вот такая картинка:
07:29
07:29
иногда я вижу это и на моей кривой плате на той же 5-й лапе, при этом
появляется сигнал ЧТВВ.
В общем не смотря на самы "отдыхательный" месяц лета, прошу очень
Вашей помощи! ПОМОГИТЕ! ;-)
07:34
С ZX-PK какой то ппц, только залогинишся, хрясь тебя уже выкинули. У меня у одного такая хрень?
A
07:59
AKATLA
In reply to this message
Вот у меня точно такая же плата.
ПП
09:05
Пётр Присылал Вектор на восстановление, оплатил изготовление плат.
In reply to this message
Есть такой
L
09:08
LeoN
Вах! И такое бывает...
09:08
ПиСи с nvidia-видюхой есть? Подключить его можешь?
09:16
Вах! В юзермануале сказано: умеет DVI, умеет композитную синхру, умеет МЕНЯТЬ разрешение в меню.
09:16
СРОЧНО на тестинг по поводу умения работы с ретрокомпами!
ДД
10:32
Денис सेवक सेवकाः Динанатх Гопал Дас
In reply to this message
Может с дешифратором адреса памяти проблема. Судя по цвету загрузчик по крайней мере начал работать. Может кто то из пинов адреса рушек закорочен между собой или с кем то ещё. Попробуй по пинам адреса пройтись, каждый с каждым прозвонить. Если норм, то мультиплексоры дешифратора адреса проверить на выполнение своих функций.
10:34
In reply to this message
А генераторы в норме? Все соответствует рабочему аппарату?
СЦ
10:53
Сергей С. Вектор 06 Ц
In reply to this message
У меня подобная картинка была из-за двух дохлых модулей памяти.
MS
10:59
Mike Sh
In reply to this message
Ты говоришь про код сайта, бекенда или по контент? Если я правильно понял (поправь, если что!), твоя идея в том, чтобы контент лежал на гитхабе (народ его просто коммитит), а сайт на хостинге является просто средством его отображения? Если так, может сработать, при условии, что будут зеркала репозитория и на других сервисах (гитхаб, как и любой конкретный сервис, может закрыться или заблокировать проект или юзеров).
AE
11:06
Alexey Epsilon
In reply to this message
В данном случае это и код сайта и контент и бэкенд. Всё лежит на гитхабе. Если закроется гитхаб, то у любого коммитера есть локальная копия
MS
11:10
Mike Sh
In reply to this message
В этой концепции есть проблема с выкладыванием бинарных файлов большого объёма. Гит не очень хорош для такого.
AE
11:11
Alexey Epsilon
Какие например файлы придётся выкладывать?
ДД
11:11
Денис सेवक सेवकाः Динанатх Гопал Дас
In reply to this message
Не знаю, будет ли это на векторе работать. На УКНЦ очень даже работает такой метод, на векторе, теоретически тоже должен, поочередно, выход памяти (14 выв) замыкается на общий вывод, при замыкании на экране образуется полоса. И когда полоса образовавшаяся от замыкания закрывает полосу имеющююся на экране - это именно та микросхема. Честно, пишу чисто теоретически, на УКНЦ это работает, а на векторе может никто и не пробовал. Не знаю как отреагируют РУ6 на такую экзекуцию, РУ5 выдерживают достойно. Можно попробоать через резюк, ом 100, если эффекта не будет, то уменьшать резюк.
AE
11:11
Alexey Epsilon
Большие
ДД
11:14
Денис सेवक सेवकाः Динанатх Гопал Дас
In reply to this message
Я просто всего один раз за всю практиу общения с вектором видел чтобы у него память была неисправка. В основном проблема в мультиплексорах или в соплях.. Память достаточно надежная. Хотя про случаи слышал... Еще возможно все от схемы зависит. в Агате те же РУ6 - и там частое явление - выход из строя памяти, а вот в Векторе, я видел их не мало, но память менял только один раз. и то, она была выведена из строя КЗ в схеме скорее всего.
A
11:45
AKATLA
Да, тут еще подсказали идею, что копать нужно в сторону КП2 и ИР13 - так как их входа оба на каждой РУ6. Да, думаю это не память. В общем идей набрал - попробую дальше. :)
ДД
11:49
Денис सेवक सेवकाः Динанатх Гопал Дас
In reply to this message
Удачи !!!
A
12:58
AKATLA
Спасибо, мне сам процесс нравиться! Давно я за паяльником иосцилом не сидел до 3х ночи! 😂
🔥
ВП
A
13:15
AKATLA
К стати чем больше погружаюсь в схемотехническое решение Вектора, тем и страшнее и интереснее! Да, накрутили они! А, вот по части платы - блин, таскать 3 МГц, для клокинга процессора таким макаром как там - та еще затея! Плата блин ОГРОМНАЯ! Вот бы ее по современным меркам преределать, даже на СССР-ких микросхемах! У меня на 10к комплектов наберется!
13:17
Я как то помню смотрел ролик один, там парень рассказывал про прибамбас для Вектора, так вот он там сказал, что вся плата СССР-кая "звенит" просто копец! А, вообще этой самой платы был новодел и доработка?
ДД
13:53
Денис सेवक सेवकाः Динанатх Гопал Дас
In reply to this message
Были.
13:54
Но я не слышал о запущенных, кроме того который постил тут выше.
A
15:31
AKATLA
Я вот эту плату которую курочу и Вы там выкладывали картинку, она совсем другая. В основном там такие "рыжие" платы ! А, тих я вообще мало видел.
ДД
17:19
Денис सेवक सेवकाः Динанатх Гопал Дас
In reply to this message
Можешь фотку прислать, не пойму о чем речь.. Может у тебя 06ц02? Есть порты для джоев?
14 August 2022
AF
05:13
Alex Fedotovskih
Ребят. Подскажите про квазидиск. Я прочитал доку но не уверен что понимаю верно. При мапинге квазидиска как ОЗУ, доступны только 16к из каждого 64к банка? И они по адресам начиная с a0. Так?
Второй вопрос. Есть ли какое-то скрытое ожидание на подключение и отключение диска? Или как только отправлено управляющая команда в порт, данные доступы? Если какие-то дополнительные задержки при чтении и записи в квазидиск или все команды Аля push, pop, mvi, mov, sta и т.п. работают с обычной скоростью?
VO
08:01
Vigilant Observer
In reply to this message
Сходу могу ответить только про ожидание на подключение - на форуме недавно писали про 16/20 тактов
👍
AF
A
08:03
AKATLA
In reply to this message
Вот она:
08:04
Шас буду КП2 выкусывать и ИР13 я думаю.
Ю
08:05
Юрий Ларин
In reply to this message
На первый вопрос: да, так. Если кваз с доработкой Баркаря, то "как озу" может быть доступно 32кб с каждого банка.
На второй вопрос: после отправки в порт память всё подключается сразу, дополнительных задержек нет, все обращения к кд работают с той же скоростью, что и к памяти.
👍
NZ
AF
S
12:11
Stanislav Maslovski
nn
nikhotmsk nikhotmsk 14.08.2022 11:49:07
На компьютерный фестиваль понадобился Вектор-06ц. Добрый человек написал интро для этого компьютера, а проигрывать не на чем. У самого автора был, но сломался. У кого-бы спросить? (Питер, 20 августа)
ДД
17:32
Денис सेवक सेवकाः Динанатх Гопал Дас
In reply to this message
Я далеко к сожалению ((
А интро можно будет посмотреть ?
17:34
In reply to this message
вроде такая же плата, как я фотки выкладывал.
Рекомендую под ноги конденсаторов какой ньть скотч хотя бы наклеить, у еня с этим проблема была, они гнутся и коротят с дорогами под ними. Можно и пальнуть что нибудь..
S
17:36
Stanislav Maslovski
In reply to this message
напишите в личку топикстартеру @nikhotmsk
ДД
17:40
Денис सेवक सेवकाः Динанатх Гопал Дас
In reply to this message
17:40
отак )
17:42
Я тут термрскотч наклеивал уе после запайки конденсаторов, резал нужные куски и пинцетом просовывал... А перед этим была пара инцендентов с проглюками из за коротышей.
AE
17:48
Alexey Epsilon
Недавно тут шла тема про клавиатуры для вектора
17:48
случайно увидел рекламу
17:49
Вот тут походу могут помочь с изготовлением кастомной клавиатуры
FL
17:57
First Lst
In reply to this message
Все уже и так есть, на форуме выложена печатка под клавиши типа Cherry. Нужно заказать платы и все. Как Векторовские колпачки на кнопки крепить я для себя придумал
Ю
18:03
Юрий Ларин
Векторовские крышки на черри не поставить, лучше всего использовать такие: https://m.aliexpress.ru/item/1005002996832179.html
🔥
MS
ДД
18:04
Они по размерам подходят, и надписи можно любые туда вложить.
FL
18:12
First Lst
In reply to this message
Я знаю, имел ввиду как приколхозить
Ю
18:28
Юрий Ларин
In reply to this message
Немного эпоксидки в углубление крышки и вставить туда хвостовик черри. 🙂
FL
18:34
First Lst
In reply to this message
Как ты смог выкрасть мою секретную технологию? 😁
👍
ПК
A
Ю
15 August 2022
AF
11:06
Alex Fedotovskih
https://zx-pk.ru/ у вас работает?
AE
11:28
Alexey Epsilon
просит авторизацию
A
12:25
AVL
SY
Stanislav Yudin 15.08.2022 09:47:12
Поставил простенькую защиту. Пробуйте зайти на форум.
Логин: zxuser
Пароль: zxpkru
AF
12:56
Alex Fedotovskih
Спасибо! Получилось отправить одно сообщение. Теперь пишет : Forbidden
You don't have permission to access this resource.

Apache/2.4.29 (Ubuntu) Server at zx-pk.ru Port 443
AE
13:06
Alexey Epsilon
а смысл?
13:07
закрыть индексирование от ботов?
MS
19:33
Mike Sh
In reply to this message
Отличные колпачки - я такие покупал для ZX-клавиатуры.
19:35
In reply to this message
Я с ними когда-то общался, приятные ребята, они умеют паять и собирать, но платы сами не разводят, а комплектующие (переключатели, например) у них дорогие.

Вообще черри-клаву собрать легко, если есть плата и удерживающая пластина (с квадратными отверстиями под клавиши; без неё никак). Пластину можно сделать тоже из текстолита, из алюминия (но это станок нужен), и вроде как делали из оргстекла (лазером, можно в Муроме попробовать).
Ю
19:51
Юрий Ларин
In reply to this message
Есть черри специально предназначенные для впайки в плату, без использования удерживающих пластин с квадратными отверстиями. Их обозначают, как "5pin". Плату клавиатуры для Вектора я делал как раз под такие.
AF
22:25
Alex Fedotovskih
zx-pk.ru опять не работает. И не просит логин, пароль.
Forbidden
You don't have permission to access this resource.
Apache/2.4.29 (Ubuntu) Server at zx-pk.ru Port 443
22:37
Deleted Account
22:37
In reply to this message
Да ладно... Опять?
22:38
In reply to this message
Впн у вас стоит?
MS
22:38
Mike Sh
In reply to this message
Можно ссылочку? Не смог найти по имени. Бывают свитчи с пластиковыми штырьками снизу для доп. фиксации, и многие устанавливают их без пластины, но всё-таки это неидеальное решение, ибо расшатываются.

На форумах пишут, что из оргстекла можно сделать пластину толщиной 1.5 мм, чтобы в неё защёлкнуть свитчи, но для прочности ниже неё поставить пластину 6 мм с отверстиями побольше, и склеить эти пластины (или свинтить).
22:38
In reply to this message
Для таких обсуждений есть группа zx-pk!
22:38
Deleted Account
In reply to this message
И да, это в @zxpkru_temp
👍
AF
22:39
In reply to this message
Замечу, я не начинал
MS
22:47
Mike Sh
In reply to this message
Да я без претензий, просто вдруг не все знают про группу Форума.
👍
AF
Ю
23:20
Юрий Ларин
In reply to this message
Ссылку не найду сейчас, может завтра... Было, насколько помню, на немецком сайте черри, искал инфу по посадочным размерам и нашёл это про установку в плату. Для эксперимента заказал десяток пятипиновых кнопок с али, проверил -- на плате сидят плотно, даже без пайки. Но если есть сомнения, можно ещё их и на клей посадить, или на герметик, но смысла особого в этом нет, думаю, если кулаком по клаве стучать не собираешься. 😉
MS
23:25
Mike Sh
In reply to this message
Если ты про "пятипиновые" - это как раз то, что я выше писал - доп. пластиковые штырьки. Эти точно разболтаются при длительной работе. Если в условиях "спаял на полку", "раз в полгода включил друзьям показать" - то будет работать. Если в условиях музея или много печатать - разболтается. Так что пластина всё равно нужна. Другое дело, может, с "пятидырочными" будет достаточно 1.5 мм из оргстекла - хорошо бы проверить. Такую легко на лазерном станке могут в Муроме вырезать совсем недорого.
Ю
23:33
Юрий Ларин
Можете попробовать пластину, но я сомневаюсь, что там что-то разболтается без неё. Те же ПКМ-1Б без допкреплений годами работают, а тут корпуса кнопок ещё крепче.
MS
23:39
Mike Sh
In reply to this message
Там дело не в прочности корпусов, а в том, что кнопки держит только пайка за контакты, которые внутри кнопки не так прочно закреплены. Если пластиковые штырьки расклепать паяльником, как делали на советских клавишах, будет наверняка круто, но неразборно. Так делали и на герконовых кнопках Кристы - я такую клаву чинил, штырьки обламываются, и пришлось вместо них нарезать резьбу М2 и винтиками крепить - весьма траходромная затея.
23:40
Если для себя делать, наверное, расклепать штырьки и все дела. Свитчи на замену продаваться будут ещё много лет.
16 August 2022
Ю
06:12
Юрий Ларин
In reply to this message
Лучше капля клея или герметика под основание кнопки, если считаете, что расшатаются... Хотя, я в этом сильно сомневаюсь -- достаточно широкое основание кнопки не способствует расшатыванию, хватит и простой пайки контактов для надёжного закрепления.
Ю
06:57
Юрий Ларин
In reply to this message
Сейчас погуглил немного картинок установки кнопок, никто особо не заморачивается с расшатыванием, просто впаивают черри, и без рамок всё норм. В том числе и на советских герконовых ПКМ-1Б никто не расклёпывал штырьки для закрепления, так что попавшаяся Вам клавиатура Кристы -- это просто чья-то самодеятельность, думаю.
MS
12:45
Mike Sh
In reply to this message
Нет, конечно - не самодеятельность, а заводская технология. Не расклепывали только самоделкины, чтобы проще было чинить.
12:50
In reply to this message
Простой пайки переключателя, не имеющего пластиковых штырей, точно не хватит, проверено многими энтузиастами - при нагруженной эксплуатации (как на ПК, а не раз в неделю набрать команду) 100% выйдет из строя переключатель. Ещё раз поясню - проблема не в том, что переключатель получит люфт, а в том, что постоянная ударная нагрузка на контакты (при небольшом отклонении удара от вертикальной оси, которое всегда возникает при печати не "одним пальцем") приводит к их разбалтыванию внутри переключателя - грубое говоря, они слегка вытягиваются из корпуса, от этого из внутренние части деформируются и клавиша начинает плохо работать.
12:52
Приклеить, конечно, можно - только разобрать вряд ли получится. А вот поставить свитчи со штырями без расклепывания, учитывая всё-таки не наборы больших текстов, а эпизодическое использование, возможно, и прокатит.
17 August 2022
s
01:18
svofski
привет!
👍
NZ
ПК
01:20
стер пыль со своего незапускающегося вектора. думаю, что может быть — перед тем как курочить (а на это мало времени) хочется прикинуть что может быть не так. при включении гудит + белый экран. пока удерживается блк+ввод — молчит. при отпускании — просто гудит дальше как после включения.
01:24
еще из анамнеза, сначала это началось нерегулярно. типа не запускается, прошло какое-то время, вдруг включился снова и как будто все ок и работает долго. впервые началось на ЦЦ когда из соседней розетки питался ДВК-2, погрешил на него. потом это продолжилось уже дома, но изредка. а потом перестал заводиться совсем.
s
02:54
svofski
черт бы его побрал. стоял полчаса жужжал, потом возьми и заведись
AE
03:44
Alexey Epsilon
На непропай похоже
03:44
Попробуй постучать непроводящей палочкой по плате снизу
03:45
Ещё можно попробовать ватной палочкой со спиртом поводить по каждой микросхеме
👍
A
ДД
03:45
Денис सेवक सेवकाः Динанатх Гопал Дас
Было +\- то же, ТМ2 которая D17 залипала... После замены все норм. Но причин там может быть гораздо больше.
AE
03:46
Alexey Epsilon
Это вызовет охлаждение и если это микросхема барахлит - ты увидишь перемены
ДД
03:48
Денис सेवक सेवकाः Динанатх Гопал Дас
Я вешался на нее анализатором, и смотрел что она делает, увидел что иногда ее работа не соответствует таблице истинности, точно не помню, но помоему на одном триггере иногда инверсный и не инверсный вход могли иметь одинаковый уровень на выходе..
s
03:50
svofski
вот снова больше не заводится. проц молотит, обе фазы норм, адреса бегут.
03:50
d17.. ищу
03:52
а, d17, ну конечно. но вроде сброс приходит и уходит, так что наверное это не она в этот раз
ДД
03:57
Денис सेवक सेवकाः Динанатх Гопал Дас
Сброс сбросом, но эта же микросхема еще ПЗУ отключает - подключает, Мало одного сброса на проц. Гудок при старте говорит о том, что загрузчик не стартанул. В каком случае это может быть ? Подключено ПЗУ например, и то что читает проц одновременно из озу и пзу - ему не понятно, он виснет... Ну и типа того. Можно анализатором посмотреть что на шине данных, есть ли код читаемый из ПЗУ. Там прямо код загрузчика можно увидеть если все норм.. А в случае гудка - не будет там кода ПЗУ..
s
04:02
svofski
спасибо, я пытаюсь туда смотреть. анализатора под рукой нет, только осциллограф
A
05:56
AKATLA
In reply to this message
Пьянстов микросхем, это что то новое! :)))))
s
14:04
svofski
возникло такое ощущение, что стартующим пинком может работать плохой контакт земли пробы осциллографа. типа дрогнула рука - а вектор возьми и стартани. но это пока больше похоже на лозоходство
A
14:59
AKATLA
Здравствуйте всем! Такой вопрос, смешной. Все вроде пошло - но я запускаю "Вектор" без клавиатуры. Это критично в принципе? Вывел просто два проводочка на ВВОД и СБРОС и ими дергаю.
s
15:03
svofski
критично для чего смотря. даже игры в основном требуют минимума клавиатуры для работы
A
15:05
AKATLA
In reply to this message
В общем поделюсь еще. Мне повезло больше. У меня один Вектор - полностью рабочий, по нему сейчас и восстанавливаю плату - вторую, все что было только эта плата. В общем у меня было что то подобное. Что я делал, нашел две РУ6 мертвых и КП2 D41 - 44 по совету одного человека в форуме заменил - вот после этого он у меня ожил. Еще там кое что менял - но это как я понимаю было не критичною Там узкое место именно в том что на выход РУ6 вешается КП2 и ИР13, пока они новые еще как то! А вот после 30 лет "пролижней" - начинается ковардак. Я даже не тыкал осцилом просто тупо их заменил!
15:06
Да, игры понятно! Я просто вообще спрашиваю - если клавы нет, то это какк то влияет при запуске вообще. В общем буду подключать - вроде как я его завел - хотя еще не ясна пара вещей.
s
15:07
svofski
мой то работает после пинка, совсем хорошо работает. так что я все же грешу больше на D17. может даже просто непропай-трещина (плата была разъедена кофе)
A
15:08
AKATLA
Ааа! Да тогда советую все прозвонить прямо п осхеме. Я вот тут написал https://zx-pk.ru/threads/34563-zapusk-i-peredelka-vektora-06ts/page3.html что вижу без клавы.
s
15:08
svofski
при запуске загрузчик может проверять некоторые клавиши. но базовый 512 байт кажется и этого не делает
A
15:09
AKATLA
Ну в целом ясно, буду клаву паять. В целом вроде как остальное все ожило.
s
15:09
svofski
ага, спасибо. в общем пока продолжаю с умным видом тыкать наугад
A
15:11
AKATLA
В целом Вы пройдите все от задающего генератора полностью, и счетчики в видео части его. Я в целом все осцилом - прошел в начале. Вроде еще не разучился понимать что он мне показывает. Хотя если кофе у Вас то это да. Жесть.
15:11
Блин туфтологлю! :)))
s
15:12
svofski
ну это было изначально, буквально одну дорожку проело. она проволочкой восстановлена. кофе - это жесть :)
A
15:13
AKATLA
Почти как кислота плавиковая !!! 🤣🤣🤣
s
15:13
svofski
еще в кофе можно фотки проявлять
15:13
ну вот травить платы тоже
A
15:13
AKATLA
Ооо! Было дело! :)
s
15:14
svofski
как морилка для светлого дерева норм
A
15:14
AKATLA
"травить" - в прмом смыле этого слова! :))))
s
15:15
svofski
медленно только, надо полить и на 20 лет на чердак забросить
A
15:23
AKATLA
Да, ужж! Я помню как у деда на чердаке нашел журналы крокодил подписку за пять лет! Вот это было дело!
15:23
😂
ДД
16:46
Денис सेवक सेवकाः Динанатх Гопал Дас
In reply to this message
Он не должен запускаться без клавиатуры. Там есть несколько резюков и один диод которые сидят на цепи ввод-блк-сбр на плате клавиатуры. Без них не должно ничего работать. Я как то запускал без клавы, точно уже не помню, но как минимум один диод точно паял на провода, может ещё пару резюков.
16:58
Как минимум притянуть к плюсу (1) 23 и 24 выводы, а между ними еще диод распаять. По другому не должен запускаться, потому что 32 и 24 висят в воздухе а должны быть к + притянуты. А после включения, если не реализован автогудок - надо обязательно дернуть ввод+блк - иначе будет гудеть с белым экраном.
A
17:04
AKATLA
Да Денис, спасибо. Уже понял.
ДД
18:42
Денис सेवक सेवकाः Динанатх Гопал Дас
Автозапуск программ на 06Ц01. Только что прилепил))) Работает как часы ))) Схему выше публиковал.
s
19:54
svofski
а насколько критичен выбор серии для D17, можно ли на ее место поставить hc, hct ?
ДД
20:55
Денис सेवक सेवकाः Динанатх Гопал Дас
In reply to this message
не пробовал. Думаю, на место Д17 и не критично. Можно попробовать. Панель в помощь )))
18 August 2022
s
00:14
svofski
у нее входы сброса висят неподключенные, так что только если еще с доп потдяжками
ДД
00:22
Денис सेवक सेवकाः Динанатх Гопал Дас
In reply to this message
Антигудок сразу собрать...
00:24
s
00:24
svofski
ага
s
00:53
svofski
быстро охлаждаю спиртом работающий процессор - сглючивает.
00:55
потом обратно в норму возвращается. интересно, а если наоборот перед включением его погреть немного
00:59
я не удивлюсь если это какой то другой глюк не имеющий отношения к первому
01:06
ну точно. все остудил, подогрел феном один проц, все включилось
ДД
01:10
Денис सेवक सेवकाः Динанатх Гопал Дас
Я так не понимаю. Я понмаю подключить анализатор, и посмотреть что приходит, что уходит и соответствует ли тому что описано в документаци.
Не очень понимаю, как феном один проц нагреть.. фен обязательно нагреет что то вокруг.. Даже если тонкую насадку одеть.
01:11
Ну и я не знаю, как можно спалить ВМ80А... ))) Я не видел ни одного мертвого, и даже глючащего... Хотя что я вообще видел )))
01:13
Хотя, в векторе он разогнанный, может чего и приключилось под воздействием диффузии в кристале. Теоретически могет быть.
s
01:14
svofski
ну тут два способа. сначала я остужал просто всё, что заметно греется. ничто не реагировало на охлаждение, только проц. нагрев менее локальный способ, конечно, но тоже сходится пока.
ДД
01:15
Денис सेवक सेवकाः Динанатх Гопал Дас
Сходится что ? )) Что при нагреве или охлаждении полупроводниковые приборы меняют свойства ? ))
s
01:17
svofski
ну да. что процессор не работает при комнатной температуре.
01:19
не обязательно диффузия. все что угодно могло прогнить, просто проволочки. циклы нагрева- охлаждения. или грибы проросли
ДД
01:20
Денис सेवक सेवकाः Динанатх Гопал Дас
Ну он же может не работать по какой то причине ? Например на него не подается какой то управляющий сигнал, или он по шине данных не получает данные от ПЗУ, или он получает данные от ПЗУ которые засиксованные с данными от памяти, или ему мало напряжения питания,.... Есть же какая то причина не дает ему работать ...
01:20
Процессор этот не ломается, лично я не видел такого.. Есть в этом чате кто то кто видел чтобы ВМ80А сам по себе издох ?
s
01:22
svofski
это все может быть. но у меня возможности системной диагностики ограниченные. пока вижу, что есть один 100% повторимый результат - охлаждаю проц, получаю глюк и несбрасываемый вектор
01:23
и второй симптом ровно наоборот - холодный вектор с подогретым процом включается сразу
ДД
01:24
Денис सेवक सेवकाः Динанатх Гопал Дас
Нужно смотреть. что приходит, что не приходит, в чем разница между работой прогретого и не прогретого... НУ то есть, после включения проц обращается к адресу 0000р в этот момент по этому адресу должна быть подключена ПЗУ, далее, проц начинает выполнять инструкции из ПЗУ если они до него доходят. По инструкциям есть литература. Все закономерно и соответствует документации ).
A
01:24
AKATLA
Какая то интересная дисскусия, я его выдрал и поставил на цокету. Ставил керамику, 580, 8080 теслу. Примерно все запускается нормуль.
01:24
Греть феном проц, ммм
ДД
01:26
Денис सेवक सेवकाः Динанатх Гопал Дас
In reply to this message
Ну или вот так, как вариант.. ))) Тем более если есть фен - проц выпаивается в течении 0,5 минуты...
01:26
Но смысла в этом не вижу, ибо проц не виноват, я на 95% уверен.
A
01:27
AKATLA
Мне просто было интересно. Я выдрал его сразу. Но у меня от прогрева охлаждения ничего не зависело.
s
01:27
svofski
ну вот я не так ловок с феном.
ДД
01:28
Денис सेवक सेवकाः Динанатх Гопал Дас
Вообще процы это очень надежные микросхемы, Это самая надежная микросхема в компьютере.
A
01:29
AKATLA
ИК80 без -5 в дохнет сразу. ВМ80 выживает. Ну в целом, да.
01:29
Это по опыту, со Специалист-ом.
s
01:30
svofski
тут вм80
01:31
ну и как бы он не дохлый. просто небодрый
ДД
01:33
Денис सेवक सेवकाः Динанатх Гопал Дас
In reply to this message
Распрямляешь все ноги обязательно с обратной стороны, можно на них иголку надевать обрезанную 21G, прогревая паяльником. Далее, немного греешь со стороны монтажа, температура 300 - 320 градусов, а потомпереворачиваешь плату и греешь со стороны деталей, водишь по всем ногам. При этом, проц нужно захватить пинцетом для выпаивания, и понемногу пошатывать. Аккуратно вытащить, когда начнет поддаваться. Все.. Про 0.5 минут я конечно рассказал... Но реально минут 10 со всей подготовкой и выравниванием ног. Ноги выравнивать обязательно, потому как если их не выровнять, они за собой дороги потянут с платы. Ну и не рвать как зубной врачь, а вытаскивать, когда сопротивление станет минимальным.
A
01:33
AKATLA
Нужно ему пирамидон прописать! Вообще в Векторе, подача Фаз тактовых, просто песня!
01:34
Я нигде такой схемы для ВМ80 не видел, для формирования Ф1,Ф2.
ДД
01:35
Денис सेवक सेवकाः Динанатх Гопал Дас
Температуру можно для начала 240 - 250 градусов поставить, будет дольше, но лучше не жестить, потому что с непривычки можно повздувать текстолит. На на 240 - 250 градусах будет в 2 раза дольше прогреваться.
A
01:36
AKATLA
Вот там эта плата желтая которая, я очень сомневаюсь что она фен выдержит. Я и не пытался даже ее греть.
s
01:36
svofski
ох.. не легче выкусить нафиг и выпаять ножки по одной?
👍
L
ДД
01:36
Денис सेवक सेवकाः Динанатх Гопал Дас
In reply to this message
Эт да. Там же в целом все делалось под ГФ.... А ту Темиазов и Соколов ешили на ГФ сэкономить.. Они старались от дефицитных микросхем уйти, может она дефцитная была ))
s
01:37
svofski
в общем еще сидел, охлаждал все подряд, только проц реагирует.
A
01:38
AKATLA
ГФ да была так же в дефеците как и ВГ75. По части выкусить это самая здравая идея, тем более 80х сейчас вагон.
01:38
У меня их две коробки.
ДД
01:38
Денис सेवक सेवकाः Динанатх Гопал Дас
In reply to this message
Любые выделживают. Я уже наверное штук 20 ПЗУ повыпаивал с самы разных плат, все норм... Ни одну дорогу не оторвал. Говорю совершенно точно, дороги отрываются в двух случаях, 1. кривые и загнутые ноги и 2. недогрев со стороны деталей. Если ноги разогнуть и греть со стороны деталей, то целостность дорожек гарантирована ))
A
01:38
AKATLA
Кусай не хочу.
01:39
Хорошо будуизнать. Я просто не решался рисковать, кусачки всегда под рукой!:)
ДД
01:40
Денис सेवक सेवकाः Динанатх Гопал Дас
Не, я не выкусываю, у меня есть специальная коробочка для деталюх, кторые под вопросом... и все что выпаиваю, если эффекта нет - все в этой коробочке. Уже не раз от туда что то впаивал. Выручает ))
A
01:40
AKATLA
Ну, в целом да.
ДД
01:41
Денис सेवक सेवकाः Динанатх Гопал Дас
А самая противная плата была у Поиска-1.03... Настоящая жесть. )) Но и на ней этот метод работает, все норм.
A
01:42
AKATLA
Кусачки? :)
ДД
01:42
Денис सेवक सेवकाः Динанатх Гопал Дас
Не, фен.
A
01:42
AKATLA
Где Вы поиск взяли, охринеть.
01:42
Это же тип XT да?
01:43
Там 8088 или 1886 ?
s
01:44
svofski
у меня был когда он только появился, не мой.
ДД
01:46
Денис सेवक सेवकाः Динанатх Гопал Дас
Я за ним в Крым ездил. Купил у дочки бывшего учителя информатики. На украине были школьными компьютерами Поиски. Причем, конкретно в этом случае он был один на всю школу, а после занятий его преподаватель домой забирал. Там КР1810ВМ88 стоял. Я его заменил на NEC V20. В цело много чего там переделал. Сейчас этот Поиск на 20% быстрее неразогнанной ХТ. А был на 30 % медленнее.. И еще у него внешняя VGA карта теперь вместо встроенной CGA.
s
01:47
svofski
в общем надо мне в магазин за панельками и процом
ДД
01:47
Денис सेवक सेवकाः Динанатх Гопал Дас
Ну и там история такая, что у преподавателя блок питания родной стрельнул... и спалил пол Поиска.. Так он мертвый и пролежал больше 20 лет, пока я его не дабрал. В итоге поменял 35 микросхем. но в целом, там часть для переделок - ПЗУ несколько, проц, часы реального времени в него вкурочил ))
s
01:48
svofski
поиск эмулировал текстовый режим cga каким-то безбожным способом. страшно тормозил
ДД
01:48
Денис सेवक सेवकाः Динанатх Гопал Дас
А блок питания до сих пор стреляет... Не стал его ремонтировать, боюсь питать от него машину. От греха по дальше )))
s
01:49
svofski
может конечно попробовать в блоке питания вывести 5в в хотя бы 4.9...
01:49
4.6 вдруг правда мало ему
ДД
01:51
Денис सेवक सेवकाः Динанатх Гопал Дас
In reply to this message
Да, я все это из него выкинул. Теперь все эти вещи делает внешняя VGA карта. В Поиске перепрошилась ПЗУ которая делит время, в итоге раньше было 40% видеокарте, 20% регенерация и 40% обращения проца. Теперь там 80% обращения проца к памяти, и 20% регенерация... С памятью в 2 раза быстрее работает. А еще в слоте доп. память статическая. В общем, огонь ))) Летает ))
👍
VG
01:51
In reply to this message
Конечно, 5,2 даже можно, вообще не критично только на пользу пойдет.
01:52
Главное чтоб мльтиметр не занижал показания )))
01:53
Кстати, чтобы с мультикартой Вектор нормально работал, на него нужно подавать 5,2 вольта... Тогда до мультикарты доходит как раз 4,9 примерно и все нормально работает.
01:54
А 4,6 это вообще маааало совсем..
s
01:54
svofski
вот я когда вставляю шадков, там вообще 4.3.. может вообще в этом все дело
ДД
01:54
Денис सेवक सेवकाः Динанатх Гопал Дас
УКНЦ начинает жутко глючить при питании меньше 4.8в )))
01:55
In reply to this message
Вполне возможно.
s
01:55
svofski
посмотрю ка я бп пока силы не иссякли
01:55
из чего бы ему сколхозить нагрузку?
ДД
01:56
Денис सेवक सेवकाः Динанатх Гопал Дас
Конденсаторы заменил по выходу напряжений ?
Вообще у вектора крайне надежный блок питания. Я просто снимаю шляпу перед разработчиками )))
01:56
Ему не нужна нагрузка, он работает без нагрузки, нормально вполне.
s
01:57
svofski
и настраивать напряжение можно без нагрузки?
01:57
там по-моему подстроечник стоит, если память не изменяет
ДД
01:58
Денис सेवक सेवकाः Динанатх Гопал Дас
Да, отверткой можно. Прям с вектором и настраивай. Не крути резко. А если нагрузку - это ж надо чтоб она была эквивалентна вектору, иначе будет другое напряжение.
s
01:58
svofski
ясно
A
02:01
AKATLA
In reply to this message
Сильно, уважаю.
ДД
02:03
Денис सेवक सेवकाः Динанатх Гопал Дас
Есть видос про этот Поиск на ютубе )) Можно более подробно ознакомиться )
A
02:05
AKATLA
Да, я видел. Но меня такие компы не особо цепляют. Там MS DOS?
02:06
Толи дело синийкий экран Вектора!
ДД
02:09
Денис सेवक सेवकाः Динанатх Гопал Дас
In reply to this message
Да. Я кстати тоже не в восторге, ничего нового. Я все это долго долго проходил начиная с 5х86.. Включаю редко.. Чаще Вектор, Агат и УКНЦ. Может ещё БК скоро обзаведётся каким нить модным контроллером, тоже есть много интересного...
s
02:11
svofski
в своё время поиск был приколен тем что это почти настоящая писишка, но из магазина
ДД
02:12
Денис सेवक सेवकाः Динанатх Гопал Дас
Ещё ЕС был и Искра... Но жутко дорогие )))
MS
02:17
Mike Sh
In reply to this message
Кстати, сколько Поиск мог в 1993-м стоить, кто-нибудь помнит?
ДД
02:20
Денис सेवक सेवकाः Динанатх Гопал Дас
In reply to this message
Нет информации... На компе нигде не написано.
s
02:22
svofski
помню только, что друг смог себе его купить чуть чуть поспекулировав деталями для взрослых писишек. но это не сумма :)
AE
03:06
Alexey Epsilon
Висящие ножки можно ещё выявить таким способом
03:06
Взять два резистора на 1 кОм
03:06
Один прицепить на GND и проводок с другой стороны
03:07
Второй на 5в и тоже проводок
03:07
Итого у нас теперь два проводка. Один слабый лог.0, второй слабая лог.1
03:08
Теперь попеременно тыкаем этими двумя проводками в ножки
03:08
Если сглючнет - значит это висящий вход, никуда не притянутый
03:09
Так может случиться, если где-то обрыв
03:09
Но обрыв себя не выявляет при некоторых условиях, например.
03:10
Ещё я пробовал просто одной рукой взяться за GND, а второй рукой пальцем водить по ножкам микросхем
03:10
Пока не глюкнет
03:11
Почти то же самое, но быстрее
03:12
Кстати у товарища на спеке была такая проблема - снег на экране и периодические сбрасывания как поработает минут 30
03:13
Причина была в том, что на микросхемах не было танталов на 0.1
03:13
Установили танталы - всё как часы заработало
03:14
Для цифровых микрух крайне актуально
03:14
Проверь - может у тебя именно такая проблема
s
03:21
svofski
сейчас я подкрутил питание до 5В и стало включаться сразу. вроде вектор сам по себе стал нормальным.
👍
VG
ЮЛ
ПК
YS
08:20
Yura Sergienko
У меня кишинёвский Вектор на 3-ий год стал зависать. Со временем все быстрее и быстрее пока совсем не сдох. После замены проца на керамический работает до сих пор.
L
08:23
LeoN
In reply to this message
На Форманте (Корвет) менял процик - и вуаля!
08:25
In reply to this message
А хто такой 1886?
08:26
In reply to this message
Про V20. Видел на zxpk мою идейку про V35A?
08:27
In reply to this message
А если целиком на статику перевести?
ВП
08:35
Виктор Пригодич
In reply to this message
Ну-у-у, зачем сразу такая хирургия?
Можно иголкой со шприцом.
Немеряно так поступал со всяким дипом, качество гарантировано.
ДД
10:16
Денис सेवक सेवकाः Динанатх Гопал Дас
In reply to this message
Так и должно быть. 4.6 вольта это очень мало...
10:21
In reply to this message
Я думал об этом. Но Поиск у меня 128к, и еше, в мультикарте для него есть umb, и dosmax туда переносит дос и часто используемое, а umb - статика тоже. Короче он работает из статики. Тест памяти при включении прям видно, как он тестирует динамические 128, а потом остальные до 640 - раза в 2 наверное быстрее.
10:23
In reply to this message
Это он с нуля три года проработал, или б/у пришёл?
YS
10:29
Yura Sergienko
С нуля. Похоже контакт терялся внутри от нагрева.
ДД
10:36
Денис सेवक सेवकाः Динанатх Гопал Дас
In reply to this message
Учитывая то что проц на векторе разогнанный, вполне допускаю, мог все проверки пройти и попасть на сборку. Наверняка в Радио 86РК он вполне бы поработал ещё)))
L
11:09
LeoN
In reply to this message
Ну а если совсем избавиться от динамики и регенерации?
ДД
11:17
Денис सेवक सेवकाः Динанатх Гопал Дас
In reply to this message
Тут я думаю надо вовремя остановиться... Уже и так не совсем Поиск у меня ))) Аутентичность тает на глазах... ))))
11:21
In reply to this message
Из за внешней видеокарты Поиск не хочет разгоняться. Если с CGA некоторые разгоняли до 8 МГц, то этот не хочет работать уже при 6... и то не стабильно. Но даже не смотря на это он аж на 40% быстрее стокового Поиска. При разгоне с CGA картой примерно те же результаты получаются.
11:22
И вообще, конструкция аппаратно очень ограниченная...
A
12:06
AKATLA
Эх, это путешествие было очень занимательным! Но все же завершилось успешно! Клавиатуру подключил - картинка дала кассету! С игрушковой микросхемки в маленьком порту загрузилось - погонял Арканоид! Супер!!!
👍
ПК
ДД
s
4
12:12
Стартует сразу. Ничего не грею. Но все тки в начали были какие то "кармические " глюки! Пока вроде все стабильно! Самое интересное эта плата пролежала у только у меня 4-е года точно. А, сколько она валялась по помойка пока я ее на Мешке не купил уже не помню у кого. В общем получил кучу положительных эмоций!
L
12:20
LeoN
In reply to this message
Это RGB2HDMI и HDMI-моник?
A
12:26
AKATLA
Не моник VGA - там оробочка SCART-HDMI а после нее HDMI-VGA
12:28
Вообще это даже не моник а телек. У него есть радиоканал и SCART, VGA. S-Video Video (тюльпаны), DVI.
L
12:28
LeoN
In reply to this message
😳
СЦ
12:29
Сергей С. Вектор 06 Ц
In reply to this message
а что за коробочка SCART-HDMI и переделывал ли видео на Векторе?
A
12:29
AKATLA
В смысле это телевизор и то что я написал выше.
L
12:29
LeoN
In reply to this message
Дык, ежели SCART есть, то почему по нему и не подцепил?
A
12:31
AKATLA
12:31
На телеке SCART какой то непонятный показывает но хреново!
12:31
А, таким макаром все отлично!
L
13:06
LeoN
"М-м-мда... Месье понимает толк в извращениях!" (С) 😉
A
17:09
AKATLA
Да, фигней позаниматься хлебом не корми! 😂
17:18
Там на самом деле, не так все очевидно. Больше похоже что SCART в этом моем телике, либо крякнутый либо что то не то. Там еле видно Ч/Б. Есть другой телевизор со SCART - на нем все отлично.
👍
ДД
s
19:38
svofski
пытался понять, как шадки мешают запуску вектора. на глаз — странно смотрится RAS. без шадков — угловатый и звонкий. с шадками — смазанный какой-то весь, как будто его нагрузили на что-то не пропорциональное. но в шадках буфера 74lvc8t245, остальные сигналы выглядят норм
ДД
19:40
Денис सेवक सेवकाः Динанатх Гопал Дас
In reply to this message
А на шадки сколько питания доходит?
s
19:41
svofski
5В практически ровно получается когда они воткнуты. ну и там внутри все регуляторы свои понятно, фпга
19:43
шадкам тоже как-то нехорошо, не могу понять чего им не так — слишком крепко все забыл. но вот как бы им ни было, RAS вроде не должен портиться.
19:44
и ведут они себя относительно спокойно, БЛК не теребят
s
20:48
svofski
думаю вот, получится ли за сегодня + еще полдня где-то собрать R-Sound с avray (avray.ru). есть ардуина-нана, бредборд и ответный разъем для втыкания в ПУ
s
21:36
svofski
или какая схема самая подходящая для наколеночной сборки в полевых условиях?
19 August 2022
s
01:00
svofski
че то я ничего в этом avray не понимаю, какие-то частоты нереальные (27мгц для авр, виски танго фокстрот), можно ли завести со стандартным кристаллом на 16мгц непонятно.
s
03:37
svofski
как ни странно, завелось. низковато звучит вроде, ну и ладно
03:38
но вот вектор все таки не вылечился. у него есть какой-то удачный интервал температур в котором он телепается, но потом неминуемо наступает кердык
A
03:55
AKATLA
Хорошо сказано! Кирдык неминуем. Похоже что у меня с этой платой тоже нечто подобное!
A
05:32
AKATLA
In reply to this message
а, что это за штуковина?
s
11:40
svofski
In reply to this message
зто как бы r-sound, то есть ay на пу. а в качестве собственно аы -- ее эмулятор на нане.
👍
A
A
11:56
AKATLA
Копец, слэнг! Мозги сломал! :) Ясно. Так что в Ветором - ожил! Клава у Вас смотрю герконовая, - завидую!
s
11:58
svofski
ну r-sound это официальное название :) вектор ожил условно. он может проработать 10 минут не сглюкнув. чинить в нем все таки что-то надо.
11:59
клавиатура да, няшечка
ВП
13:30
Виктор Пригодич
In reply to this message
А у вас емкостная?
Если не затруднит, сделайте несколько фото, особенно устройства контакта и механики. Спасибо! С уважением
13:31
In reply to this message
А Вы могли бы сделать подробный фото обзор клавиатуры? Спасибо! С уважением
s
13:53
svofski
как-нибудь потом могу, сейчас уже скрутил и упаковал. а что именно интересует? потому что так-то клавиатура и клавиатура.
A
13:55
AKATLA
In reply to this message
У меня есть и такая и такая. Два Вектора с герконовыми и два с ёмкостными! Сделаю, чуть позже.
👍
ВП
s
14:05
svofski
пакуюсь на фестиваль
👍
NZ
ДД
A
14:16
AKATLA
Круто, что за фестиваль?
s
14:18
svofski
In reply to this message
🔥
ДД
14:18
еду со своим компьютером и со своей демкой
👍
AF
ПК
A
14:41
AKATLA
О, так это CHAOS Constraction?
s
14:43
svofski
там первым предложением написано, что это не он. но это тоже фестиваль, проводится примерно там же, где и ЦЦ, время примерно то же, что ЦЦ. но из уважения к оргам мы говорим, что это не ЦЦ =)
A
14:50
AKATLA
Емае! ЦЦ это что?
14:50
Цаос Цонтрашен?
14:50
🤣
s
14:50
svofski
да
A
14:51
AKATLA
ГыГы!
14:52
Блин как хорошо что это еще есть! Фотки кинете с евента?
s
15:01
svofski
конечно. я думаю даже будет что-то типа живой трансляции
ДД
15:03
Денис सेवक सेवकाः Динанатх Гопал Дас
In reply to this message
А демка будет в доступе?
s
15:04
svofski
конечно, после показа
🔥
AF
ПК
NZ
4
ДД
19:00
Денис सेवक सेवकाः Динанатх Гопал Дас
In reply to this message
А можно одну сокровенную просьбу ))) Я всем демописателям ее озвучиваю.. ))) С вашего позволения и вам ) Очень круто когда демка зацикленная, тогда ей можно любоваться вечно... ))) Дошла до конца - и начинается с начала - это супер ;)
s
19:40
svofski
моя такая и есть, но она совсем маленькая
👍
ПК
ДД
ВП
23:46
Виктор Пригодич
In reply to this message
Особенно когда начало и конец переходят в друг друга, без слишимого разрыва музыкальной темы
👍
ПК
20 August 2022
A
06:52
AKATLA
In reply to this message
Дык, нужно продлить партитуру!
s
10:56
svofski
пишите свои демки, их будет больше и разных :)
9
11:42
926
SY
Stanislav Yudin 19.08.2022 22:06:15
Организовываем неформальную встречу ретрокомпьютерощиков Москвы и ближайшего подмосковья 28 августа в парке Яуза на Свиблово.
Anonymous poll
- Приду 10 votes
- Не приду 38 votes, chosen vote
- Под вопросом... 21 votes
69 votes
s
12:56
svofski
развернулся
👍
ДК
D
VG
5
9
12:57
926
а есть mod трекеры под вектор? есть примеры на етуйбе?
s
12:58
svofski
вектору непросто проиграть mod, даже если принять много условностей и ограничений
9
13:42
926
In reply to this message
Я про AY на борту
13:43
И ещё вопрос- есть ли трекерные редакторы где AY в паре со штатным муз чипом?

И если есть то примеры на етуйбе глянуть бы
s
13:57
svofski
In reply to this message
это было бы круто, но кажется такого нет
s
14:19
svofski
до сих пор не завис, чудеса. интересно есть ли для вектора хоть одна программа с поддержкой r-sound?
9
14:34
926
In reply to this message
это что?
s
14:35
svofski
In reply to this message
это ay на пу. максимум что я успел сколхозить за ночь до пати
A
14:58
AKATLA
Офигеть! Че за моник?
15:00
А, есть программка - что за выступления будут, темы там и то се?
L
15:07
LeoN
In reply to this message
Вот те здрасьте... Это же классика! EIZO 8020 от КУВТ2 MSX2 Yamaha YIS-805R.
s
15:08
svofski
In reply to this message
да, это ейцо :)
A
15:14
AKATLA
О, я хотел только сказать YAMAHA?У меня два чернозеленых есть!
s
15:16
svofski
ямахо тут тоже есть
A
15:27
AKATLA
805я есть?
ДД
15:59
Денис सेवक सेवकाः Динанатх Гопал Дас
In reply to this message
Есть редактор, точнее набор компиляторов и декомпиляторов. Все в коммандной строке, и подробное описание комманд в текстовом файле. Редактируется текстовый файл, в который записывается задание компилятору, он компилит код для AY в STM - стандартный формат, похожий на спектрумовский. В общем, там в текстовом файле указывается набор инструментов. Инструменты в свою очередь описаны в других текстовых файлах, потом все это компилятор читает в кучу, и делает файл с паттернами для AY. Усть набор софта который переделывает .stm в текстовые файлы и наоборот... ВОт такой редактор я знаю для Вектора, он есть, и я им немного пользовался. Треккерного нету, точнее сказать он был написан если исходить из векторовской литературы, но был коммерческим, и его нету в доступе увы... МОжет у кого то и есть, но я об этом ничего не знаю.
16:09
STM-PRO помоему назывался этот набор утилит для компиляции STM и обратно...
s
16:10
svofski
есть такой. но не знаю можно ли там аы+ви53
s
16:15
svofski
U
Undefined DIY Fest 20.08.2022 16:15:06
Мы в эфире, йоу. https://youtu.be/S91bRCLNMDw
ДД
16:23
Денис सेवक सेवकाः Динанатх Гопал Дас
http://sensi.org/scalar/ware/607/ AY+ВИ53 низзззяяяаааа ....
16:27
Описание формата.
16:28
Когда появился AY на векторе - ВИ53 стал считаться чем то ущербным и зазорным чтоли... Никто и не подумал, что было бы круто одновременно и для AY и для ВИ53 чтото писать... А реально было бы очень круто..
L
22:08
LeoN
In reply to this message
В викторине по железу, про последовательный порт, что это за слово такое "расключается"?
s
22:10
svofski
трансклюкируется
L
22:11
LeoN
Так когда демки пойдут, через 2 часа?
s
22:35
svofski
да че то хрень какая то, да
22:36
я так понял, что бухаос ушел на шашлык, а без бухаоса тут вообще типа никого уже не осталось
21 August 2022
s
00:34
svofski
ну чо, все показали. даже два раза :)
👍
ПК
NZ
L
00:35
LeoN
Работы все хорошИ. А вот что творится - пипец, идиократия какая-то...
MS
00:42
Mike Sh
In reply to this message
А что творится? Я, к сожалению, не смог приехать.
s
00:51
svofski
творится 100% демоскена, все круто
01:00
ожидаемые ощущения vs (second) reality - я могу понять тех, кто разочарован, но сам 100% хеппи. это очень все субъективно.
23 August 2022
9
07:20
926
In reply to this message
Но крутые кодеры же ещё есть. Вот и можно выделиться.
07:21
In reply to this message
Такой редактор на спектруме есть
07:33
In reply to this message
Я как раз с етуйба скинул пример Super Sonic редактора. Прям в тему
26 August 2022
ДД
22:05
Денис सेवक सेवकाः Динанатх Гопал Дас
Доброго времени дорогие коллеги!!! Демка выстрелила? Кидайте файлик, посмотрю на реальном компе )))
s
22:06
svofski
In reply to this message
http://www.sensi.org/scalar/ware/919/ второе место
👍
ЮЛ
ПП
AF
5
27 August 2022
L
12:05
LeoN
Комрады, есть кто из Ростова-на-Дону?
ДД
12:32
Денис सेवक सेवकाः Динанатх Гопал Дас
In reply to this message
Я из Ростова ан Дону ?
L
12:32
LeoN
О, отлично. Можно в личку?
ДД
12:33
Денис सेवक सेवकाः Динанатх Гопал Дас
In reply to this message
Супер ! Благодарю ! Демка - очень приятная, красивая ! Спасибо за труд ! Надеюсь будет продолжение какие нибудь !!!
s
12:34
In reply to this message
Да, конечно.
VO
12:36
Vigilant Observer
In reply to this message
Надеюсь, и у меня страничка по ссылке на демку когда-нибудь откроется.. 🙄
s
12:37
svofski
In reply to this message
а что, не открывается?
VO
12:38
Vigilant Observer
In reply to this message
Увы, нет :( причём, пробовал несколько раз, чтобы исключить локальные факторы
s
12:38
svofski
а что говорит при этом?
12:39
https://events.retroscene.org/undefined2022/Undefined_Intro можно еще тут увидеть и скачать
VO
12:40
Vigilant Observer
"Нет связи с сайтом - хост долго не отвечает"
12:40
In reply to this message
О-о, спасибо!!
ДД
12:41
Денис सेवक सेवकाः Динанатх Гопал Дас
Напечатал вот таких наклеек.. Мой вектор был вообще без надписи. Я его отдавал сестре, она реставратор. Она там фрагменты дорисовывала вручную, покрывала лаком.. Но увы реставрационные технологии не подразумевают взаимодействие с промышленными. Несколько элементов после реставрации начали расползаться. И я стёр всю надпись растворителем. Вчера напечатал такие стикеры. Теперь один из моих Векторов как новый ))) вернулся к первоначальном состоянию.
👍
A
ПП
4
🔥
VG
2
s
12:43
svofski
In reply to this message
я конечно не могу собрать данные со всего света и перебои случаются, но вообще все дб хорошо сейчас. там сертификат протух, а без https все ок
👍
ДД
ДД
12:45
Денис सेवक सेवकाः Динанатх Гопал Дас
In reply to this message
Можно просто сюда выслать архивчег с файлами чтоб сразу )
s
12:48
svofski
Пустыня "Б" в Векторе-06ц
👍
ПП
ДД
12:51
Денис सेवक सेवकाः Динанатх Гопал Дас
Это если кому нужны стикеры с шильдом вектора, размер 309Х23.8 - в целом модель в таком размере сделана. Ели кто владеет фотошопом профессионально, можно чуть границы плавнее сделать. Но в целом, визуально все отлично выглядит. Печатать на самоклеящейся глянцевой прозрачной пленке. На лист А3 помещается 7-8 штук.
👍
ПП
ВП
16:42
Виктор Пригодич
In reply to this message
Доброго дня Вам! Может получилось сделать фото обзор клавиатур для ПЭВМ "Вектор"
ДД
16:44
Денис सेवक सेवकाः Динанатх Гопал Дас
In reply to this message
в воскресенье вечером смогу отфоткать герконовую как следует. А через какое то время буду восстанавливать емкостную, и смогу подробно ее отфоткать и описать.
👍
A
ВП
16:56
Виктор Пригодич
In reply to this message
Хорошо спасибо
9
19:31
926
Э
ЭлектроКот - ТехноБлог 27.08.2022 16:59:10
I:
R Tape loading error...

https://t.me/vm80a/39164
28 August 2022
9
09:01
926
9
926 28.08.2022 09:00:29
Задался тут вопросом: а существует ли демка Bad Apple под Altair 8800 или под Вектор-06ц
ДД
12:10
Денис सेवक सेवकाः Динанатх Гопал Дас
In reply to this message
Мне кажется она только под БК существует...
12:11
И то не под каждый... а только под разогнанный 11M + наличие SMK512.
12:15
Предполагаю, что на векторе это возможно, но обязательно присутствие AY, квазидиска и дисковода или hdd.
9
12:17
926
вон че на акорне 8и битном мутят подключая arm 1GHz
9
12:17
926
9
926 28.08.2022 11:17:59
🔥
ДД
ДД
12:20
Денис सेवक सेवकाः Динанатх Гопал Дас
На векторе есть демка, которая идёт 16 минут, если не ошибаюсь. И которая может по динамике чуть уступает bad apple, но по содержанию и качеству графики наверняка по жирнее и по обьемнее. Это TDEMO от Sunami.
12:31
https://www.youtube.com/watch?v=MHWsMtDqewE&t=18s вот видос этой демки, skynet называется...
12:34
http://sensi.org/scalar/ware/8/ и вот тут ее можно качнуть.
s
12:48
svofski
для Вектора есть bad apple, ivagor сделал. но без звука. звук просто пока не прикрутили
ДД
12:52
Денис सेवक सेवकाः Динанатх Гопал Дас
о... Че серьезно ?!?
12:52
А можно хоть без звука посмотреть ? Еть ссылочка ?
s
12:53
svofski
надо в дебрях форума покопаться
ДД
12:53
Денис सेवक सेवकाः Динанатх Гопал Дас
Я ее на БК не видел даже в живую... На моем БК нет SMK и он не разогняется... )
12:54
In reply to this message
Какого форума ?
s
12:54
svofski
In reply to this message
ДД
12:54
Денис सेवक सेवकाः Динанатх Гопал Дас
)))
s
12:55
svofski
а что?
ДД
13:30
Денис सेवक सेवकाः Динанатх Гопал Дас
In reply to this message
Это ведь только фрагменты. Но сделано красивенько. ))
13:31
В целом, там дальше есть еще какие то куски, нужно изучить,.. Сейчас к сожалению нет времени копаться ))
s
13:48
svofski
да вроде бы было целиком, по крайней мере в одном из вариантов. но да, это не доделанная штука
29 August 2022
ДД
09:01
Денис सेवक सेवकाः Динанатх Гопал Дас
Вот фото герконовой клавиатуры и её отдельных элементов.
09:01
Телеграмм ужмет качество.. Позже смогу запаковать и архивом скинуть.
09:02
👍
С
A
🔥
ВП
09:02
09:02
09:02
ДД
10:20
Денис सेवक सेवकाः Динанатх Гопал Дас
10:20
10:20
Переделал пару фоток..
👍
ВП
ВП
16:37
Виктор Пригодич
Благодарю!
30 August 2022
A
02:10
AKATLA
К стати клавиатура ЕС1841 точ в точ такая же. Я все время думал, где я видел эти кнорки? А ЕС1841 оставила в моей жизни неизгладимый след. 😂🙈
ДД
02:26
Денис सेवक सेवकाः Динанатх Гопал Дас
In reply to this message
Да 1 в 1. У меня есть от ес плата клавиатуры мертвая, специально купил на кнопки для вектора. ))
02:27
Правда клавиши от ес далеко не все подойдут. Раскладка другая...
02:27
Имею в виду колпачки с буквами. А механизм 1 в 1.
02:28
Можно сделать вектор с раскладной qwerty))) правда придётся весь софт перебирать на предмет раскладки )))
ПП
03:01
Пётр Присылал Вектор на восстановление, оплатил изготовление плат.
In reply to this message
Всё просто - ЕС и Вектор изготавливались на одном и том же минском заводе. Поэтому герконовые клавы у них из аналогичных компонентов. Я брал герконовую от ЕС для восстановления Векторовской герконовой клавы :)
A
03:29
AKATLA
Я так и понял. Что завод один.
L
09:18
LeoN
В 90-х у меня был Вектор. Сейчас нет. У Вектора, кроме RGB, синхросмеь, или синхросмесь с подмешанным чбвидео?
A
09:53
AKATLA
Штатно там полный видесигнал, СС и видео.
L
10:29
LeoN
SCART на телеке это прожует. А вот монику это уже не понравится... Отрезать на плате чбвидео от синхросмеси?
ДД
11:45
Денис सेवक सेवकाः Динанатх Гопал Дас
In reply to this message
Векторовский сигнал далеко не каждый скарт прожует без переделки. У 06ц01 вообще нестандартный видеосигнал, там синхросигнал нужно укорачивать чтоб что то получить. В 06ц02 тоже намудрили, пока заставил работать без гашения, но когда бордюр цветной, остальные цвета едут. Если штатное гашение подключить то картинка уходит на четверть экрана в сторону и дёргается.. Буду пробовать делать на 06ц02 такую же доработку как и на 06ц01, она грамотная, должна привести все в порядок.
MS
13:00
Mike Sh
In reply to this message
Не видел ни одного монитора, который бы не работал от синхры с видео. Такой сигнал, к примеру, на большинстве Спектрумов, все советские мониторы, а также Sony PVM отлично работают от него.
s
13:48
svofski
просто у вектора очень странная идея о том, что такое синхросмесь. может быть есть мониторы и телевизоры, которые такое понимают, но на моем опыте всегда требовалась доработка
VO
14:33
Vigilant Observer
In reply to this message
Любопытно, благодаря чему советские телевизоры были "всеядными"?

Правда, в моём случае вскоре после включения Вектора и потом минут 5-10 наблюдалось лёгкое дрожание картинки по вертикали
s
14:34
svofski
тут у меня личного опыта нет, но у друга с вектором я никогда не видел "всеядного" телевизора без паяльника на том же столе. мне кажется, это на что-то намекает
ДД
14:38
Денис सेवक सेवकाः Динанатх Гопал Дас
In reply to this message
у меня в 90е вектор 06ц02 работал простоподключенный к скарту горизонта 51 кубика... Вообще без проблем, и показывал тормальные цвета... Сейчас не могу ничего сделать, попробовал доработку от svofski cделать как на 06Ц01 - все норм, работает, и гашение норм... Но цвета все равно корежатся когда бордюр не черный... Прям аномалия какая то.. Похоже проблема не в частотах а в уровнях сигнала в случае с 06Ц02...
Ну и глядя на это - что то зарубежные инженеры утратили, или не дошли даже до этого в своих разработках... На 51УСЦТ работало все и без переделок, по крайней мере 06Ц02...
L
14:38
LeoN
In reply to this message
Про советские мониторы оно и понятно, они все сделаны на базе телевизоров, в которых модули синхронизации и рассчитаны на видеосигнал, а не просто синхросмесь. Исключение, пожалуй, может быть с МС6106, который сделан НЕ из телека.
A
14:39
AKATLA
Вот еще одна "Векторовская" - клава!
👍
NZ
С
AF
4
L
14:41
LeoN
Просто я планирую подключить Вектор к VGA-монику, который умеет прожёвывать композитную синхру. Во всех VGA-мониках на линиях синхронизации стоят инверторы (а бывает и несколько подряд) для повышения крутизны фронта. И если на вход подается не логический уровень, а видеосигнал, шут его знает, как у него мозги съедут по поводу синхры... Придется отрезать видео от синхросмеси...
s
14:44
svofski
если нету музейных эмоций к экземпляру, по-моему проще сделать отводы в нужных местах схемы и не мучиться
ДД
14:46
Денис सेवक सेवकाः Динанатх Гопал Дас
In reply to this message
Я это всегда делаю, потому что GBS хоть и умеет разделять видео и синхру, все равно с чистой синхрой работает устойчивее.
L
14:49
LeoN
In reply to this message
Хозяин Вектора вряд ли согласится...
14:50
Вот в Корвете RGB плюс компосинхра. Почему в Векторе так не сделали?...
14:50
Так же и в БК.
14:51
В АГАТе еще и раздельная синхра.
MS
14:56
Mike Sh
In reply to this message
А можно попросить схему нарисовать?
s
15:03
svofski
я уже одну нарисовал, это много возни. можно ей попробовать воспользоваться как отправной точкой.
MS
15:07
Mike Sh
In reply to this message
Может кто-то помочь со схемой? Моей квалификации не хватит, чтобы довести её до конкретики, а вот смонтировать на музейных машинах я смогу.
s
15:09
svofski
тут не понятно как помогать. это просто кропотливая возня, без которой к сожалению никак.
кстати на zx-pk.ru megov делает что-то свое интересное, не помню — опубликовал ли он все, или пока в процессе
15:09
еще есть схема Improver-а и "tv doctor" Морозова.
15:10
боюсь, что ни один из этих рецептов не существует в виде готовой прибамбасы, чтобы воткнул и забыл.
MS
15:12
Mike Sh
In reply to this message
Про Improver не слышал - что это?

Про TvDoctor - там та же проблема, схема есть, но те, кто собирал, говорят, что без наладки не едет. Тупо спаять я могу, но если она сразу не включится и не заработает, не смогу отладить. Поэтому ищем кого-то, кто бы взялся для Музея за наладку (при нашей готовности оплатить комплектуху и провести первоначальный монтаж по схеме, если нужно).
15:12
In reply to this message
Существует OSSC, но он дорогой весьма, и делает полную оцифровку с порождением HDMI, что нам не нужно для Вектора и Кристы-2.
s
15:13
svofski
@mike_sh это я с тобой общался по почте? Музей в Муроме?
MS
15:13
Mike Sh
In reply to this message
Да, было такое.
s
15:13
svofski
понятно =)
MS
15:14
Mike Sh
Я, кстати, на этой неделе в Петербурге. Можем встретиться, познакомиться. Например, в Музее Яндекса.
s
15:15
svofski
Векторы вообще непрочны и ненадежны. Но про TV Doctor было бы интересно узнать все-таки, работает он или нет. Часто так бывает с самоделками. Автор чего-то там ковыряет, забывает записать, потом забывает. В результате опубликовано одно, а на деле работает совсем другое.
15:16
Музей Яндекса это где? Не знаю получится ли выбраться — тут 1 сентября, все дела
MS
15:16
Mike Sh
In reply to this message
Непрочны, тем важнее сохранить их для истории в работоспособном виде.
15:16
In reply to this message
Музей Яндекса - на Невском 😊
15:16
Там, кстати, Вектор наверняка есть.
15:16
В Московском точно есть.
L
15:17
LeoN
In reply to this message
Вячеслав, похоже телега поджала изо, и какчество не очень... Можно в лучшем какчестве увидеть?
s
15:18
ссылка на imgur
15:19
In reply to this message
а, кажется я его проходил недавно. в общем если будет получаться я как-то просигналю.
L
15:21
LeoN
In reply to this message
"Спасибаки за цветаки!" (С) 😉
👍
s
ДД
15:26
Денис सेवक सेवकाः Динанатх Гопал Дас
ДД
16:20
Денис सेवक सेवकाः Динанатх Гопал Дас
In reply to this message
Мне кажется TV DOCTOR реален для каждой версии вектора свой персональный, ибо они отличаются, через меня их прошло уже навернеое пара десятков, и вот, не один не работает с GBS одинаково, даже с переделкой, одному нужна емкость по синхре, другой с емкостью не работает, третий дергается, и требует 1533 микросхему на доработку синхры, а в основном 555 работает... В общем, мне идея работы всех без исключения Векторов через какое то определенное устройство кажется, ну как бы фантастическим... Ну или это устройство должно быть достаточно сложным, и предусматривать все варианты и по уровням и по таймингам, что в целом сложно.
Ну и как я уже говорил - если вектор без переделок - это тупо означает что он никогда и ни где не работал. А аутентичный, реальный вектор всегда имеет переделки ))))
s
16:23
svofski
я это всегда повторяю, но мне часто не верят. за 30 лет у людей память затуманивается, порастает фантастическими эпизодами.
NZ
16:32
Nikita Zimin
In reply to this message
😱 НЕМИГАаааа!!!111
👏
s
MS
18:29
Mike Sh
In reply to this message
Вот бы сделать универсальный "исправитель" синхры на микроконтроллере. Я готов написать поддерживать прошивку, только с аппаратной часть нужна помощь. И со всяким инвертированием и подтягиванием R, G, B нужно решить, как делать.
s
18:31
svofski
Я делал на de1 такой исправлятор. цифровал все, вворачивал синхру и выдавал на выходе s-video модулированный
18:32
микроконтроллер не знаю по производительности.. может и есть такие, которые потянут. обычные подножные для этого слабоваты
18:34
http://svofski.github.io/videoconditioner/ - но не стоит обольщаться, это был наколеночный прототип, ему до волшебной коробочки очень далеко
18:36
в идеале нужен цап, плис для буфера и "редактирования" и контроллер с мозгами, который будет анализировать и подбирать параметры
Ю
18:42
Юрий Ларин
In reply to this message
Это, наверно, про мой вариант подключения тв. Вот тут всё нужное выложил: https://github.com/ImproverX/RGB2TV
18:44
Там же есть схема и фотки подключения.
s
18:45
svofski
In reply to this message
я бы сейчас наверное если затевал переделку, сделал бы по твоей схеме
👍
Ю
31 August 2022
ДД
00:13
Денис सेवक सेवकाः Динанатх Гопал Дас
In reply to this message
Блин )))) реально делов то одна ЛА3, пара резюков, и метр МГТФ.... чего городить мегадевайсы, если все просто ))
MS
00:15
Mike Sh
In reply to this message
Так это надо под каждый экземпляр индивидуально подбирать, а это надо уметь. Почему-то схемотехникам-профессионалам очень трудно поверить, что многие серьёзные специалисты в других областях, несмотря на некие радиолюбительские навыки, не обладают квалификацией схемотехников и реально не могут сделать такое.
Ю
16:06
Юрий Ларин
In reply to this message
Поясните, что нужно подбирать под каждый экземпляр? Во всех схемах коррекции синхроимпульсов только логика, там подбирать-то нечего, собрал и всё работает, если телевизор поддерживает векторовские частоты развёртки.))
MS
16:06
Mike Sh
In reply to this message
Выше писали, что было много вариантов Вектора, и им требовались разные корректировки синхры.
s
16:08
svofski
хоть я и держал в руках паяльник, мне очень хорошо понятно желание этого не делать. и если бы была возможность использовать вектор не заморачиваясь, так бы и делал
Ю
16:39
Юрий Ларин
In reply to this message
Выше писали, что при подключении к gbs8200, к телевизорам таких проблем нет.
MS
16:40
Mike Sh
In reply to this message
При подключении к мониторами 32ВТЦ и PVM проблемы есть, и надо как-то их решить.
Ю
17:31
Юрий Ларин
In reply to this message
Ну во-первых, мониторы -- это не телевизоры, у них могут быть другие требования и допуски к ССИ. И к каждой модели монитора скорее всего да, потребуется индивидуальный подход. Во-вторых, если, например, взять мою схему, то на разных экземплярах первого Вектора (второй не требует доработок ССИ), на выходе сигнал не будет настолько кардинально отличаться, что потребуется какой-либо подбор. И подбор чего? Характеристик ЛА3 или ТМ2? Не смешите... )) Я поверю, что потребуется регулировка по аналоговым сигналам RGB, но на выходе синхросмеси чистые ТТЛ уровни. Если монитор их не понимает, то давайте разбираться, какие конкретные характеристики сигнала ему нужны...
s
17:32
svofski
я думаю это про ТВ Доктора, там какая-то нафаршированная схема с кучей аналоговых таймеров
Ю
17:45
Юрий Ларин
Про работу ТВ Доктора ничего не могу сказать, но да, там в схеме на синхроимпульсах пять подстроечников и два джампера -- есть что порегулировать. ))
s
17:57
svofski
тв доктор мне идейно симпатичен потому что он теплый и ламповый. я думаю что на самом деле его можно было бы сделать с меньшим числом крутилок.
Ю
18:54
Юрий Ларин
Да, он по-своему неплох. А ещё там можно было бы применить на входе lm1881 для выделения синхроимпульсов, возможно это немного упростило бы и улучшило его схему.
s
19:21
svofski
устройство которое исправляет кривые синхроимпульсы используя детектор прямых синхроиипульсов?
Ю
19:29
Юрий Ларин
Ну не настолько уж они и кривые, просто длительность импульсов в два раза дольше положенного. Кажется, в журнале "Радио" за те годы была схема для исправления КСИ/ССИ при плохом (зашумлённом и слабом) видеосигнале, lm1881 там справлялась с задачей, а с Вектором ей будет даже проще.
s
19:30
svofski
ну, не пробовал, не знаю
Ю
19:31
Юрий Ларин
Тоже не пробовал, но журналу "Радио" доверяю. ))
MS
19:47
Mike Sh
In reply to this message
Про какую конкретно схему вы говорите? Которая от PAL-кодера? Тогда придется придумать, как собрать только ее часть, исправляющую синхру.
Ю
20:37
Юрий Ларин
In reply to this message
В том сообщении -- да. И придумывать ничего не понадобится, всё уже придумано: посмотрите фотки, маленькая платка с двумя микросхемами -- это и есть коррекция ССИ, выход с неё -- полный синхросигнал (без видео).
20:45
Платка (без деталей)
👍
ДД
20:46
Установка в Вектор
20:57
Часть схемы, которая собирается на этой платке.
2 September 2022
A
14:04
AKATLA
In reply to this message
Какой ЖУТКИЙ монтаж! Жесть!
9
17:29
926
In reply to this message
Подкидываю мысль: В HaikuOS можно выкручивать вверх VSync от 49Гц... У меня была мысль к советскому Монику (электроника втц302) вга сунуть но увы Моника давно нет. Помню только что дос-драйвер показывал вга на нем. А к обычному ламповому телеку цеплял пря в тюльпан, но чб и с потерей синего- все в центр жилу а вместо земли этот синий. В общем Гайкой можно монитор тестить вертикальную развёртку, без всяких драйверов.

Кстати в древних линуксах можно было играться этой вертикальной, пока один раз монитор не взорвался. Потому и ограничили. Но там наверное чел игрался значением далеко ниже 49герц
👍
9
ДД
18:17
Денис सेवक सेवकाः Динанатх Гопал Дас
Несколько фоточек емкостной клавиатуры в разборе:
👍
ВП
18:17
18:17
18:17